Точно като тези няма да намериш у нас.Това са едни хубави месингови скъпи комплекти.Ползвай стандартната тенекиена копираща втулка, трябва да има в комплекта за фрезата ти.Ако не е втулка, може да се ползва прав фрезер с лагер.По принцип пеперудата се прави, като се очертава с моливче, с фрезера по шаблона, може и на ръка без шаблон се оформя дълбочината близо до очертаното, след което с длето се оформят ръбовете.
Всичко за дърводелството
EDI
- майстор
2436 мнения в "Фреза и оберфреза."
mavryt4o
- майстор
- Мнения: 1906
Мисля че схванах идеята ти с един шаблон с копирна втулка и прав фрезер правиш пеперудите и после слагаш по-голяма втулка върху малката и пак с същия шаблон правиш дупките.?Мисля че това да си пасне би важало само за окръжност.Или ако става някой да постне нещо купешко тамън съм наел с лазера.
bimbaeco
- майстор
- Мнения: 1217
http://www.ebay.co.uk/itm/Trend-INLAY-K ... Sw9mFWL3rK
С това шаблонът може да е всякаква форма и става за европейските фрези.
С това шаблонът може да е всякаква форма и става за европейските фрези.
angelfilev
- специалист
- Мнения: 862
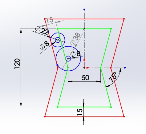
Колеги, с малко разсъждения се вижда, че можете лесно да постигате различни фигури с един шаблон.
За нагледност направих проста схема.
Нека с d означим диаметъра на фрезера с който ще се работи,
D1 - диаметър на малката ролка за вложката,
D2 - диаметър на голямата ролка за отвора,
L - отместване на контура на шаблона спрямо желания на фигурата.
При избрани d и D1 се получава:
D2 = D1+2.d
L = (D1+d) / 2
В случая произволно избрах d = 8mm и D1 = 22mm
За D2 се получава 38мм, за L 15mm
Зеленото е желаната форма, червеното шаблона.
За нагледност направих проста схема.
Нека с d означим диаметъра на фрезера с който ще се работи,
D1 - диаметър на малката ролка за вложката,
D2 - диаметър на голямата ролка за отвора,
L - отместване на контура на шаблона спрямо желания на фигурата.
При избрани d и D1 се получава:
D2 = D1+2.d
L = (D1+d) / 2
В случая произволно избрах d = 8mm и D1 = 22mm
За D2 се получава 38мм, за L 15mm
Зеленото е желаната форма, червеното шаблона.
Прикачен файл
2016-02-08_194739.jpg (31.09 KиБ) Видяна 2767 пъти
mavryt4o
- майстор
- Мнения: 1906
angelfilev написа:Колеги, с малко разсъждения се вижда, че можете лесно да постигате различни фигури с един шаблон.Това твоето не са разсъждения а знания
За нагледност направих проста схема.
Нека с d означим диаметъра на фрезера с който ще се работи,
D1 - диаметър на малката ролка за вложката,
D2 - диаметър на голямата ролка за отвора,
L - отместване на контура на шаблона спрямо желания на фигурата.
При избрани d и D1 се получава:
D2 = D1+2.d
L = (D1+d) / 2
В случая произволно избрах d = 8mm и D1 = 22mm
За D2 се получава 38мм, за L 15mm
Зеленото е желаната форма, червеното шаблона.
igteam
- помощник
- Мнения: 15
angelfilev написа:Колеги, с малко разсъждения се вижда, че можете лесно да постигате различни фигури с един шаблон.
За нагледност направих проста схема.
Нека с d означим диаметъра на фрезера с който ще се работи,
D1 - диаметър на малката ролка за вложката,
D2 - диаметър на голямата ролка за отвора,
L - отместване на контура на шаблона спрямо желания на фигурата.
При избрани d и D1 се получава:
D2 = D1+2.d
L = (D1+d) / 2
В случая произволно избрах d = 8mm и D1 = 22mm
За D2 се получава 38мм, за L 15mm
Зеленото е желаната форма, червеното шаблона.
Колега ти ми пукна главата с плажна топка
Много добра схема и изчисление.
Сега на въпроса ми, има ли от къде да се купи готова втулка INLAY KIT, с дълъг поне 40мм прав фрезер или трябва да си я правя на струг?
abaro
- помощник
- Мнения: 12
zmeyko написа: премерих ги , те големите цанги да почти едни и същи, според моето мерене с шублера е D-то е 17.5 а d-14 иначе са дълги по 28 мм.Благодаря ти! Би трябвало да станат цангите на силвърлайн, защото и на RTR са с d=14mm. Аз отсъствах известно време, но междувременно се реших и поръчах цангите, тъй че като пристигнат ще споделя резултата.
Тема "Фреза и оберфреза." | Включи се в дискусията:
Сподели форума:
Бъди информиран. Следвай "Направи сам" във Facebook:
Намери изпълнител и вдъхновения за дома. Следвай MaistorPlus във Facebook:
Имаш нужда от подходящ професионалист за дома?
- Преустройство, ремонт и реновиране
- ↳ Вашите ремонти
- ↳ Кухня
- ↳ Баня
- ↳ Дневна
- ↳ Спалня
- ↳ Детска
- ↳ Градина
- ↳ Коридор
- ↳ Тераса и балкон
- Направи сам
- ↳ Направи сам
- ↳ Ремонтирай сам
- ↳ Къде е по-евтино?
- ↳ Дърводелство
- ↳ Ел. инструменти
- ↳ Металообработване
- ↳ Конкурс "Направи сам 2012"
- Строителство
- ↳ Всичко за вилата
- ↳ Къщи
- ↳ Саниране
- ↳ Хидроизолация
- ↳ Пасивни и нискоенергийни сгради
- Сухо строителство
- ↳ Окачени тавани
- ↳ Преградни стени и предстенни обшивки
- ↳ Сухи и повдигнати подове
- ↳ Декоративни елементи - колони, трегери, сводове и др.
- ↳ Всичко за гипскартона и гипсфазера
- Въпроси и Отговори
- ↳ Полезни съвети
- ↳ Автомобили
- ↳ Партньори
- ↳ Боядисване и Декориране
- ↳ Вентилация, климатици и термопомпи
- ↳ Водоснабдяване и канализация.
- ↳ Всичко за ремонта
- ↳ Електротехника
- ↳ Отопление
- ↳ Газификация
- ↳ Електроника и Схеми
- ↳ Газобетон
- ↳ От всичко по малко
- ↳ Компютри и периферия
- ↳ Уеб дизайн, PHP, MySQL, JavaScript, HTML..
- ↳ Мобилни устройства, GSM-и
- ↳ Нека се запознаем
- ↳ Recycle Bin
- Статии
- ↳ Практични решения
- ↳ Качване на снимки
- ↳ Какви статии искате?
- ↳ Готварство, туршии и зимнина
- ↳ Отмора и шеги
- ↳ От нищо нещо
- ↳ Не е за вярване
- ↳ Литература
- ↳ Връзки към Интересни сайтове
- Магазин
- ↳ Препоръки и Мнения за он-лайн магазина
- ↳ Крадeни инструменти !!!
