• 1
  • 17
  • 18
  • 19
  • 20
  • 21
  • 31
Тази тема е за мечтатели философи и изобретатели.
ijs - специалист
Според мен, най-евтиния начин на отопление или подгряване на вода.... с ТОК! И малко изобретения! Аз отоплявам с ток + мощен трансформатор с висока честотна апаратура. Електромерът ми много бавно се върти и отчита малко ток, все едно работя непрекъснато с голям електрод оксижен! На снимката долу тръбичката се загрява до червено! В нея може да минава вода, която моментално се превръща в пара...
За доказателство вижте снимката!

Прикачен файл

eвтин ток.jpg
Тани - модератор
Ха на бас , че жичката на коя да е класическа крушка (ЛНЖ) се загрява до по-висока температура и харчи по-малко!

ПП Почти съм сигурен, че нагревателя в бойлера ми също ще се загрее толкова, ако не е потопен във вода, но в момента си е във водата и я загрява за около 2 часа! Та сигурно ще получиш пара или топла вода , но въпроса е колко?
vvventsi - специалист
ijs написа:
Според мен, най-евтиния начин на отопление или подгряване на вода.... с ТОК! И малко изобретения! Аз отоплявам с ток + мощен трансформатор с висока честотна апаратура. Електромерът ми много бавно се върти и отчита малко ток, !
Какво имаш предвид че шашкаш елекромера с високата честота ли?
Последна промяна от vvventsi на ср яну 11, 2012 11:34 pm, променено общо 1 път.
tgv - специалист
Колега Тани, няма спокойствие. Битката продължава.
http://www.scribd.com/doc/58793689/18/% ... 1%8A%D0%B3
Разгледай по внимателно 29, 30 и 31 страница. Тука е заровено кучето.
Тани - модератор
А защо спря на 31 , да беше прочел и следващата страница!

И за да не продължаваме безсмислените спорове , покажи ми закон , за който да НЕ важи закона за запазване на енергията! Дотогава каквото и да ми говориш (пишеш) няма да има как да получиш повече енергия отколкото си консумирал от мрежата!
torbalan - Дървен философ
Тани, имам едно предложение...


имам нелошо червено винце, свинско месце, телешка кайма...

дай да импровизираме нещо по темата и да спретнем едно алкохолно-протеиново отопление ;)
тва при условие че ти се разходжа по козлодуйско :)
Тани - модератор
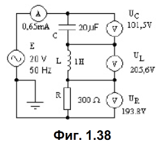
А като се замисля , защо не доразвиеш идеята си и да захраниш трансформатор с реактивната енергия и да си я ползваш и за други цели , а не само за топлина? Я погледни картинката от долу - R ти е реотана , С ти е ЕЕО-то , а за L ще свържеш първичната намотка на трансформатора.

Така с консумация 220х0,96=211,2 W ще получиш изходяща мощност 220х(0,691+0,07+0,733)=328W

Че това си е КПД 1,56 от където и да го погледнеш! И да не забравиш да ме почерпиш като го патентоваш!

ПП Торбалане , определено само с пооовечко винце можем да му се вържем :partyman:

Прикачен файл

Перпетум мобиле.png
Перпетум мобиле.png (15.61 KиБ) Видяна 3727 пъти
tgv - специалист
E=m.c.c , но в Церн май го разбиха. Електротехниката е условна наука, която се опитва да въведе някакъв ред. Както сам виждаш втория закон на Кирхов е условен, защото дава частно решение, за моментните стоиности.
Ако приемем че ЕЕО обръща по някакъв начин реактивно капацитивната енергия, в активна/всъщност на ЕРП- тата това са най голямите загуби/ и приемем че Индукционния нагревател на Колегата АЙДЖИСИ, обръща реактивно индуктивната енергия в активна, то май имаме три нагревателя, които ни водят към размислите, че ел. тока не се използва рационално.
П.П. Колеги нека да се изчакваме. Става на дума за последователен тр. кръг.
Тани - модератор
ОК нека да е последователен!

Влагаш 143W , а получаваш 325,585 W КПД 2,28 :shock: :shock:

Явно си помислил много добре по въпроса! Наистина КПД така е по-добро! Сега остава да ни покажеш и практически пример!

Прикачен файл

Перпетум мобиле втори вид.png
Перпетум мобиле втори вид.png (19.06 KиБ) Видяна 3718 пъти
tgv - специалист
Не съм го мислил. От самото начало / преди 3-4год/ съм го регистрирал. Нека да го отдадем на грешни измервания.
  • 1
  • 17
  • 18
  • 19
  • 20
  • 21
  • 31

Тема "ЕЛЕКТРОДНО - ЕЛЕКТРОЛИТНО ОТОПЛЕНИЕ" | Включи се в дискусията:


Сподели форума:

Бъди информиран. Следвай "Направи сам" във Facebook:

Намери изпълнител и вдъхновения за дома. Следвай MaistorPlus във Facebook: