Здравейте,
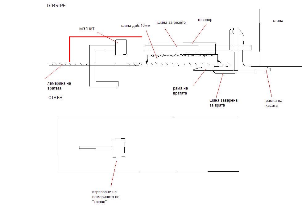
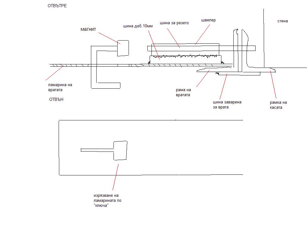
Нов съм във форума и бих желал да попитам, с какво си заключвате мазетата, ама нещо което сте си направили сами. Някой има ли схемичка на нещо по-просто,но оригинално?
Готов съм и да закупя.
Нов съм във форума и бих желал да попитам, с какво си заключвате мазетата, ама нещо което сте си направили сами. Някой има ли схемичка на нещо по-просто,но оригинално?
Готов съм и да закупя.
