• 1
  • 13
  • 14
  • 15
  • 16
  • 17
  • 136
Всичко свързано с въздушния поток, който дишаме.
kuuuuuul - майстор
Първата ти работа е да смениш радиаторите с вътрешни тела от климатици или конвектори,това е по добрия вариант от увеличаване на радиаторите.Или слагаш в хола конвектор а радиаторите в спалните.Забрави да се топлиш икономично с топлоносител 50гр. И на горе. :partyman:
madsatbg - напреднал
Здравейте,

направих диаграма на въздушния и фреоновия сензори от вътрешното тяло.
Потопих ги във вода, загрявах и измервах съпротивленията.
Въпросът е: какво трябва да е съпротивлението на тези сензори
за 55 гардуса на водата, за да "излъжем" контролера?


Прикачен файл:
DSCN0245.JPG
Прикачен файл:
Sensory.jpg
Sensory.jpg (24.14 KиБ) Видяна 4143 пъти
поздрави
idunno - специалист
А, да ти хрумвало че обхвата съпротивлението на датчика на въздуха е съобразен с темпратури до 30- 35 градуса и по - големи от тези темпратури съпротивленията се приемат за грешни от логиката на платаката.
Що не си купиш от някъде един готов контролер заедно с датчиците и да прключиш с глупостите.
Ама като гледам, че подовото те плаши (може би ценово), си мисля,че няма да стигнеш далеч в направата на ТП, защото това освен със знание, умение и инструменти, става и с пари.
Пак ще се повторя като като кажа,че "направи сам" не е еквивалентно на "направи без пари".
И още нещо- стойности на съпротивления и т.н., които са важни за направата или диагностиката на някакъв агрегат или машина се отчитат с уреди, които са малко над 400 лв. парчето.
С други думи стойностите, които си отчел може да са верни но също толкова и грешни.Зависи от точността на уреда, сещаш се, нали?
madsatbg - напреднал
idunno написа:
А, да ти хрумвало че обхвата съпротивлението на датчика на въздуха е съобразен с темпратури до 30- 35 градуса и по - големи от тези темпратури съпротивленията се приемат за грешни от логиката на платаката.
...
И още нещо- стойности на съпротивления и т.н., които са важни за направата или диагностиката на някакъв агрегат или машина се отчитат с уреди, които са малко над 400 лв. парчето.
С други думи стойностите, които си отчел може да са верни но също толкова и грешни.Зависи от точността на уреда, сещаш се, нали?
Здравей idunno
При по-големи температури от 30 - 35 градуса съпротивлението пада.
Така, че с добавяне на резистор може да се корегира и да се "излъже " контролера.
За пример : при 55 гардуса датчика на въздуха става 2,95 килоома.
За да не се променя софтуера на контролера, добавям едно съпротивление от 5 килоома последователно. Получавам съпротивление 7,95 килоома, Съгласно таблицата при 7,95 килоома контролера ще отчете около 30 градуса температура на въздуха.

Написах още в началото, че съм радиотехник. :yawinkle:

Не ми е ясна термодинамиката на климатика.
Сензора за фреона, на втрешното тяло, каква роля има и дали е необходима корекция.
До колкото аз знам, може и да греша, котролера сравнява двата сензора от външното и вътрешното тяло и прави дефрост.

Темата е "Термопомпи Вода-Вода - всеки може да си направи сам

Дали сензора ще дава информация на контролера 29 градуса или 31 градуса, заради грешката на уреда ми, нищо няма да се промени, просто ще изключи малко по късно или малко по рано.
Що се отнася до уредите, намират се.
Прикачен файл:
PC160003.JPG
Последна промяна от madsatbg на ср юли 22, 2015 2:31 pm, променено общо 2 пъти.
peturgp - напреднал
Датчика за темп. на фреона го премести на изхода макар че и там не му е мястото.Той следи работата на цялата машина - налага му се да работи в широк диапазон от - 5 до +70 гр.Въздушния ще трябва да го магариш за да не ти изключва на по ниска температура на водата машината. Стойността им е 10кОм при стайна температура.Моя съвет е да не им добавяш допълнителни съпрот. ,а да добавиш още един датчик последователно и така при зададена темп. 25гр. от дистанционното управление ще ти поддържа 50гр. на водата. Тези темп. датчици нямат линейна графика.
madsatbg - напреднал
peturgp написа:
Датчика за темп. на фреона го премести на изхода ..... Стойността им е 10кОм при стайна температура.Моя съвет е да не им добавяш допълнителни съпрот. ,а да добавиш още един датчик последователно и така при зададена темп. 25гр. от дистанционното управление ще ти поддържа 50гр. на водата. Тези темп. датчици нямат линейна графика.
Здравейте peturgp,

Благодаря за репликата.

Ще сложа два сензора, свързани последователно, за въздуха.
Сензора за фреона също ли трябва да са два?
Сензора за фреона трябва да е на изхода на топлообменника - правилно ли съм разбрал?

поздрави
peturgp - напреднал
Тръбния датчик си остава фабричния.Той следи темп. на фреона на определено място малко преди изхода на топлообменника.Може да се наложи твоите приятели климатичари да ти помогнат.Ако датчика е на входа не е добре.
magi208 - специалист
Извинявам се , че отдавна не съм влизала , и поздравления за доброто логическо мислене при корекцията на въздушния датчик !

Сега за фреоновия - при тази марка за щастие той не служи за твърде много неща , както е при марковите климатици и това допуска системата да се запусне почти директно или с емулатор .
Първо виж на какъв модел си попаднал - с външен фреонов датчик или си с модел без такъв. /отвори външното тяло и ако има такъв той се намира в долния край на радиатора /

Ако има , то вътрешния фреонов служи за контрол на външния и вътрешния вентилатори и ще се разминеш лесно , като го монтираш на изхода на пластинчатия топлообменник , с една малка корекция на стойността.
Ако няма , обаче това означава , че с него се следи и поне началната точка на необходимост от обезскрежаване.
В този случай нещата се делят на два сценария - или има токоследящ контур за консумацията на компресора , или няма . Ако има - вапцахме го - ще ти пратя схема на емулатор .
Ако е без "токоснемачка" с него се следи и края на обезскрежаването и мястото му не е там . В този случай пък ще ти пратя снема на логически коректор на стойността му в различните режими /не се притеснявай - не е никак сложна /.
magi208 - специалист
madsatbg написа:
peturgp написа:
Датчика за темп. на фреона го премести на изхода ..... Стойността им е 10кОм при стайна температура.Моя съвет е да не им добавяш допълнителни съпрот. ,а да добавиш още един датчик последователно и така при зададена темп. 25гр. от дистанционното управление ще ти поддържа 50гр. на водата. Тези темп. датчици нямат линейна графика.
Здравейте peturgp,

Благодаря за репликата.

Ще сложа два сензора, свързани последователно, за въздуха.
Сензора за фреона също ли трябва да са два?
Сензора за фреона трябва да е на изхода на топлообменника - правилно ли съм разбрал?

поздрави
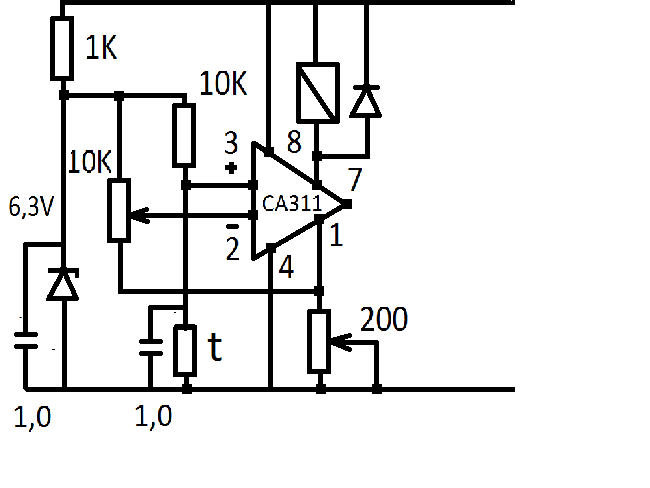
Колегата е прав . но по-желателно е направо да коригираме и хистерезиса примерно така :
Прикачен файл:
Без име.png
Без име.png (17.21 KиБ) Видяна 3750 пъти
, като сухия контакт на релето добавя корекционен резистор към този , с който за постоянно сме заменили въздушния датчик . От R3 се задава сетпоинта , а от R4 новия хистерезис.
madsatbg - напреднал
Здравей magi208,

радвам се да те приветствам с появата ти. :yawinkle:
magi208 написа:
Сега за фреоновия - при тази марка за щастие той не служи за твърде много неща , както е при марковите климатици и това допуска системата да се запусне почти директно... .
...ако има такъв той се намира в долния край на радиатора /
... вътрешния фреонов служи за контрол на външния и вътрешния вентилатори и ще се разминеш лесно , като го монтираш на изхода на пластинчатия топлообменник , с една малка корекция на стойността.
...
Да, има сензор за фреона на външното тяло. \:D/
Прикачен файл:
Sensor freon.jpg

поздрави

p.s.сензор фреон на изхода на топлообменника и сензора за термометъра
Не са лепени за да се уточни мястото им.
Прикачен файл:
Senzori izhod freon.JPG
въздушния сензор на вход / "връщаща" се/ вода на топлообменника и сензор за термометъра
Прикачен файл:
senzor vazdusen vhod woda.JPG
  • 1
  • 13
  • 14
  • 15
  • 16
  • 17
  • 136

Тема "Термопомпи Вода-Вода - всеки може да си направи сам" | Включи се в дискусията:


Сподели форума:

Бъди информиран. Следвай "Направи сам" във Facebook:

Намери изпълнител и вдъхновения за дома. Следвай MaistorPlus във Facebook: