Място за идеи и желания за проектиране и изработка на готови проекти.
Здравейте, бихте ли ме посъветвали как да си направя домашен анемометър?
В продавалника продават разни скъпи уреди, едва ли не за професионална употреба, а на мен ми трябва нещо дребно да си го бодна на покрива.
Сглобих си преди време една дребна играчка от две половинки на малко топче, която се въртеше на терасата, но ми се иска нещо малко по-добре пипнато, да го сложа на покрива и да ми праща по кабел информация за скоростта на вятъра....
Търсих тук информация, но единственото което открих е нещо за приспособяване на скоростомер от велосипед и т.н.....
Поздрави
П. Петков - специалист
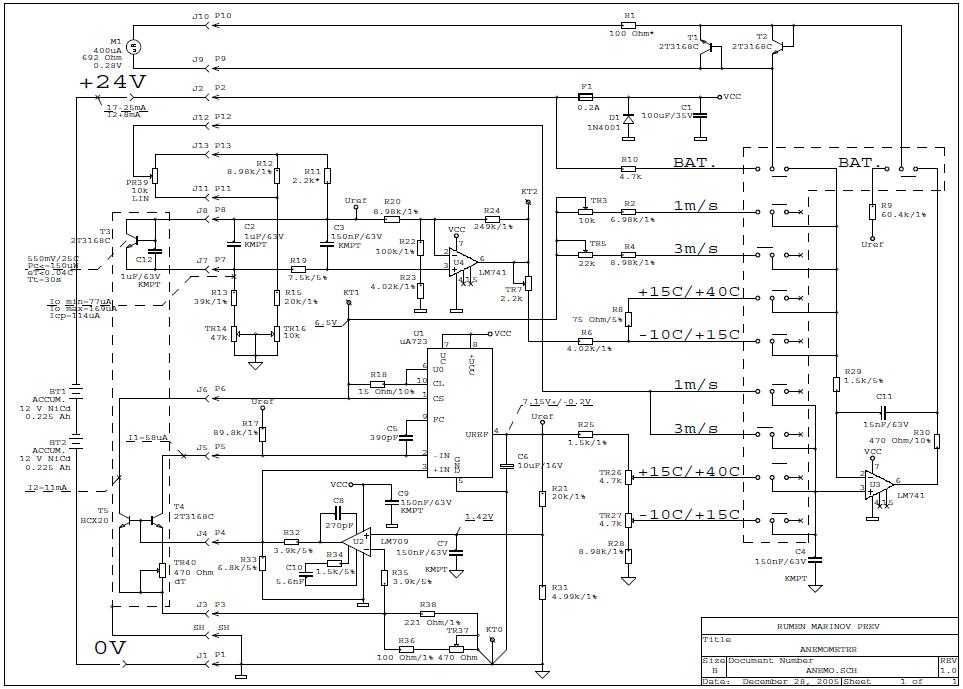
Тахогенератор с константа - 7V/1000(tr/min.) - (стандартна за тахогенераторите), магнитоелектрическа система 100uA и допълнително съпротивление около 70kOhm. Трите полусферични перки на турбината (може и пластмасови чашки от кафе), трябва да са с по-голям диаметър и отстояние (радиус) от централната ос, за да се намали влиянието на четковото съпротивление на тахото (механичното, а не електрическото!), загубите в лагерите, вентилационните загуби в ротора, както и електромагнитния, съпротивителен момент на генератора при натоварванетно му, (ако има такова). Периферната скорост на перките е и скоростта на вятъра. Периферната скорост се определя по формулата V=ωR, където ω е ъгловата скорост на тахото. ω=(πn)/30, където π=3,14, а n са оборотите на тахото за минута.
Има и по-"простичка" схема: :-D
Прикачен файл:
anemo.JPG
anemo.JPG (105.97 KиБ) Видяна 2246 пъти
На този, който разбере как работи анемометъра - шапка му свалям! :)
А това е само жокер за термометъра:
Прикачен файл:
page1.JPG
page1.JPG (34.1 KиБ) Видяна 2246 пъти
Прикачен файл:
page2.JPG
page2.JPG (27.23 KиБ) Видяна 2246 пъти
Прикачен файл:
page3.JPG
page3.JPG (46.58 KиБ) Видяна 2246 пъти
Прикачен файл:
page4.JPG
page4.JPG (36.09 KиБ) Видяна 2246 пъти
Само 5 допустими файла - срам за форума!!!! :-D :-D :-D
Последна промяна от П. Петков на вт мар 10, 2015 12:59 pm, променено общо 3 пъти.
П. Петков - специалист
Останалите файлове:
Прикачен файл:
page5.JPG
page5.JPG (12.79 KиБ) Видяна 2246 пъти
Прикачен файл:
page6.JPG
page6.JPG (16.43 KиБ) Видяна 2246 пъти
Не че няма LM35 де, ама като е "направи си сам"..., да е!!! :)
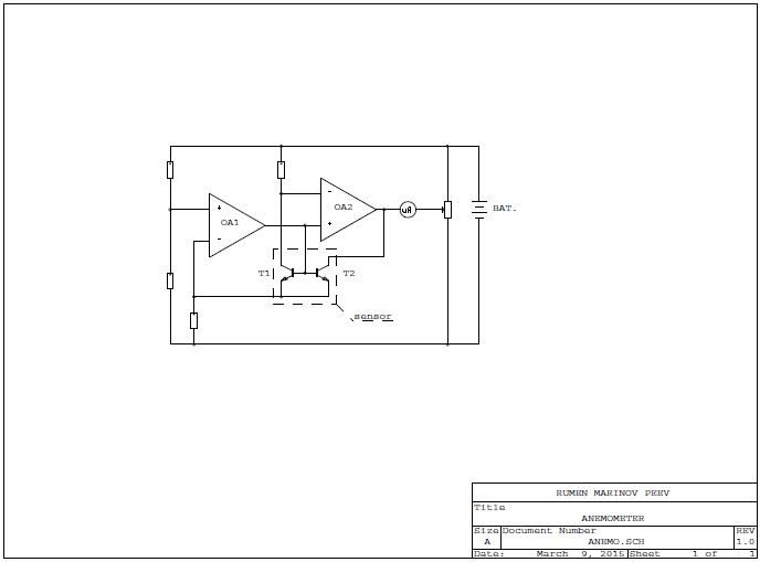
Ето го и жокера за анемометъра:
Прикачен файл:
anemo1.JPG
anemo1.JPG (23.09 KиБ) Видяна 2239 пъти
OA1 (709) поддържа константен ток през T2. OA2 (723) изменя колекторното напрежение върху Т2 (датчик за скорост на вятъра), като променя мощността разсейвана върху него (колекторният ток е постоянен). Тази мощност ( поради константния ток - в случая това е напрежение) е пропорционална на скоростта на вятъра. Т1, който е необдухваем, мери температурата на околния въздух, но напрежението му B-C e нулево (идеалният ОУ в линеен режим има нулево диференциално, входно напрежение) , като същевременно напрежението E-B е равно на напрежението E-B на Т2 и двете се поддържат равни чрез OA2. Тоест, чрез изменение нагряването на Т2, двете напрежения E-B се поддържат винаги равни, независимо от скоростта на вятъра. Напрежителният пад върху R40 в реалната схема, компенсира напрежителния пад от константния ток, който пад е върху обемното съпротивление на емитера на Т2, а също така се компенсира и разликата в напреженията E-B между двата транзистора при спокоен въздух, поради нагрятото състояние на Т2. Т2 е в SMD корпус и виси във въздуха на три спираловидни обтяжки с диаметър 0,04 мм.
Разработката е от "гнусното и срамно комунистическо" време, га имаше що-годе промишленост, както и някакво си селско стопанство. :)
В резюме:
Много акъл има в главата на Румен Пеев!
Или както е казвал някога Роберт Видлар (сравнявайки аналоговата и цифровата техника) - "Всеки идиот може да брои до едно!" :)
ivanovbg - майстор
Не може ли по просто? :?
Примерно на чашковия пропелер, да се закачи датчика за скоростомер от колело, а скоростомера да е долу?
Някакъв такъв - http://www.bike-house.biz/category/226/ ... &view=list
bulhomes2 - майстор
Няма ли да е по лесно да вземеш готов за 20 лв, и да го разколачиш и преправиш за целите?
http://www.ebay.com/itm/Digital-LCD-Sma ... 43d6baa11c
radius - майстор
Ако останеш на варианта за байк-компютър, имай предвид, че в някои не може да се заложи обиколка на гумата под определен размер.
shotik - майстор
ivanovbg написа:
Не може ли по просто? :?
Примерно на чашковия пропелер, да се закачи датчика за скоростомер от колело, а скоростомера да е долу?
Някакъв такъв - http://www.bike-house.biz/category/226/ ... &view=list

На Битака миналата година на сергия с военни неща , близо до входа ,продаваха такъв уред за 25 лв,като нов беше, с кутия и стационарна скала за отчитане ,може би и кабел за свързване да е имало,ама не се сещам.
Баджанака ми беше поръчал да видя за такъв уред,но 25 лв му се видяха скъпо и така не го купих.

Ако ходя някоя събота ,ще видя дали има .

Тема "Как да си направя домашен анемометър?" | Включи се в дискусията:


Сподели форума:

Бъди информиран. Следвай "Направи сам" във Facebook:

Намери изпълнител и вдъхновения за дома. Следвай MaistorPlus във Facebook: