• 1
  • 6
  • 7
  • 8
  • 9
  • 10
Място за идеи и желания за проектиране и изработка на готови проекти.
ivanovbg - майстор
Само като идея - ползвай огледало и с малко механика ще отразява слънчевите лъчи към панела докато се завърти на достатъчен градус.
Zurlata - специалист
v6 - майтап бе за започването на проблемите, имах предвид , винаги и само подобрения до безкрай!... или до свършване на мерака!
за кондензатора се бъзиках че е Супер-САР , всмисъл пак си е 50000 микрофарада бая парче, ако е високоволтов хич не е евтин.
сега ми идва нещо в главата, що незахранваш само контролера и бобината на релето с него, шибни един диод между Кондензатора и волтаика след точката на захранване на контактите на релетата и мотора, така няма да се разрежда при спадане на напрежението следствие големия ток от мотора. Кондензатора ще ги даяни поне няколко минути (може да се сметне точно ама ме мързи сега) релето мисля че гълта към 30 до 60 мА зависи модела, щом на мотор изкарва няколко секунди.... та захранваш релето и контролера през супер-капа а двигателя директно през волтайка, така релето няма да бучи контролера и той доволен, а за двигателя, тия линейни актуатори до колко си спомням почваха да въртят дори от няколко волта примерно 4 - 5 волта почваха да въртят бавно, по спомен, не помня точната стойност , та дори и да клекне напрежението на волтаика до 6-7-8 волта пак ще си върти но по-бавно.... ама на кой му дреме, не сме тръгнали на състезание!

Иванов - огледала и механики, мисля че v6 не ще да чува!
може да греша ама останах с впечатление че иска да го направи максимално евтино, и да изтиска максимално много колкото е възможно. пък и за кво да се усложнява с железа като всичкото това може да се реши софтуерно с малко по-интелигентен алгоритъм за въртене при изгрев. :drinkers:
П.П. ..... ся вникнах малко по дълбоко в смисъла на изречението ти:
.....и с малко механика ще отразява слънчевите лъчи към панела.....
тц [-X , нестава, ами ако няма директни слънчеви лъчи а е облачно (или слънцето е зад хоризонта, но въпреки това вече е супер светло) тогава има само дифузна радиация и това огледало няма какво да отразява щото светлина иде отвсякъде, образно казано, даже може и да пречи хипотетично казано, ако не поне няма да помага с нищо! а това ще е в 80% от случайте си мисля аз ей така на първо четене без да задълбаваме в теория и практика на торсионните полета.
2v6 - майстор
ivanovbg написа:
Само като идея - ползвай огледало и с малко механика ще отразява слънчевите лъчи към панела докато се завърти на достатъчен градус.
Да, и такъв вариант е възможен, но засега ми се стува не е наложително.

Засекох "секундарника" на ардуиното - за 9 часа отброи 30 секунди повече. За текущите тестове е достатъчно като точност.

Тази сутрин е отчело стартиране около 7:14 ( 45- 1865/60 ). В 7:32 (1097 секунди след събуждането) е отчетена последната команда за движение на изток:
Прикачен файл:
solar_tracker_2014_08_20_0745.png
solar_tracker_2014_08_20_0745.png (41.52 KиБ) Видяна 2971 пъти
Прикачен файл:
solar_tracker_2014_08_20_1645.png
solar_tracker_2014_08_20_1645.png (23.16 KиБ) Видяна 2971 пъти
Zurlata написа:
...
за кондензатора се бъзиках че е Супер-САР , всмисъл пак си е 50000 микрофарада бая парче, ако е високоволтов хич не е евтин.
сега ми идва нещо в главата, що незахранваш само контролера и бобината на релето с него, шибни един диод между Кондензатора и волтаика след точката на захранване на контактите на релетата и мотора, така няма да се разрежда при спадане на напрежението следствие големия ток от мотора...
Да, скъпи са големите, но за 5 лева може да се купят 11 кондензатора 4700 uF/ 25V. Така частите за новата схема стават общо 20 лева.
С такава батерия управлението на мотора става с 18 включвания (тази сутрин) на релето за движение на изток.
Да видим как ще е следващите дни ...
ivanovbg - майстор
ivanovbg написа:
тц [-X , нестава, ами ако няма директни слънчеви лъчи а е облачно (или слънцето е зад хоризонта, но въпреки това вече е супер светло) тогава има само дифузна радиация и това огледало няма какво да отразява щото светлина иде отвсякъде, образно казано, даже може и да пречи хипотетично казано, ако не поне няма да помага с нищо! а това ще е в 80% от случайте си мисля аз ей така на първо четене без да задълбаваме в теория и практика на торсионните полета.
Абе сянката под дърветата си е сянка и в облачно време. Аз пробвах с едно огледало и един лист хартия - усеща се дифузната светлина върху листа. Аз не помня точно за коя част на спектъра беше, но за една част облаците бяха почти прозрачни. Май дълговълновата.
Zurlata - специалист
Не че хич няма файда, ама нали се разбрахме да не чоплим торсионните полета! Това което ще отрази огледалото като дифузна светлина е пренебрежио малко в сравнение с разходите(парични , матрЯлни) които ще вложиш, а и ако е дифузна същата енергия която отразява би дошла от задната страна на огледалото ако го нямаше, виж ако има директни лъчи вече става друго. Има такива конструкции на тракеридва фотоволтаика а между тях разтояние и огледала под ъгъл и конструкцията служи и за гръбнак щото се получава много здрава заради триъгълника който се получава, ама работата почва да става вече не за 20лв... аз бих казал че v6 е постигнал златната среда горе долу с 30лв има нещо що годе стабилно и работещо, всичко от тук нататък амо ще усложнява, ще оскъпява и ще съсдава проблем след проблем за решаване, и се почва един омагйосан кръг. смо може да се заиграва софтуерно да вкарва разни подобрения и интелигенции, щото неструват пари а само време - ама то е кеф като си го чоплиш за теб. а иначе примерно:

Прикачен файл

PVnMirror.jpg
PVnMirror.jpg (40.47 KиБ) Видяна 2953 пъти
2v6 - майстор
Няколко месеца не бях поглеждал какво става...
Като се поразтопи снега се качих да погледна.
Оказа се системата с "временните" сензори още работи:
Прикачен файл:
solar_tracker_2015_02_04_1326.jpg
solar_tracker_2015_02_04_1326.jpg (47.11 KиБ) Видяна 2645 пъти
Кода не е променян от миналия август:

Код: Избери всички

#define codeVersion "Solar tracker 23.8.2014"

double runTime, cycleSeconds1, helloSunTime, moveEastTime;
float sensorEast, sensorWest, Upv;

void setup() 
{
  Serial.begin(9600);
  Serial.println(codeVersion);
  Serial.println("pins:");
  Serial.println("A1 - Photovoltaic Voltage");
  Serial.println("A2 - sensor East");
  Serial.println("A3 - sensor West");
  Serial.println("D2 - output move East");
  digitalWrite(2,1); //1=Relay off
  pinMode(2, OUTPUT);
  Serial.println("D3 - output move West");
  digitalWrite(3,1); //1=Relay off
  pinMode(3, OUTPUT);
}

void loop()
{  
  runTime=millis()/1001;
  Upv=analogRead(A1)/49.2; // Photovoltaic Voltage
  if (Upv<8 && digitalRead(2)==0)
  {
    stopEastMove();
  }
  if (runTime>cycleSeconds1)
  {
    cycleSeconds1=runTime;
    sensorEast=sensorEast*.9+analogRead(A2)*.1;
    sensorWest=sensorWest*.9+analogRead(A3)*.1;
    if (digitalRead(2)==0) moveEastTime++; //Total time move to East
    if (Upv>12 && moveEastTime<300)
    {
      startEastMove();
      helloSunTime=runTime; //Last move to East
    }
    if (moveEastTime>=300)
    {
      stopEastMove();
      if (sensorWest<100 && sensorEast<100)
      {
        stopWestMove();
      }
      else
      {
        if (sensorWest-sensorEast>5) 
        {
          startWestMove();
          sensorEast=0;
          sensorWest=0;
        }
      }
    }
    serialOutput(); // Send data to serial port
  }
}

void stopEastMove()
{
  digitalWrite(2,1); //Stop moving to East
}

void startEastMove()
{
  digitalWrite(2,0);  //Move to East Start
}

void stopWestMove()
{
  digitalWrite(3,1); //Stop moving to West
}

void startWestMove()
{
  digitalWrite(3,0);  //Move to West Start
}

void serialOutput()
{
  Serial.print("A2: ");
  Serial.print(analogRead(A2));
  Serial.print(" => East sensor: ");
  Serial.print(sensorEast);
  Serial.print("   runTime: ");
  Serial.print(runTime, 0);
  Serial.print("   helloSunTime: ");
  Serial.println(helloSunTime, 0); 
  Serial.print("A3: ");
  Serial.print(analogRead(A3));
  Serial.print(" => West sensor: ");
  Serial.print(sensorWest);
  if (digitalRead(2) && digitalRead(3) ) Serial.print("   Motor stop");
  if (digitalRead(2)==0)
  {
    Serial.print("   Moving to East: ");
    Serial.print(moveEastTime, 0);
  } 
  if (digitalRead(3)==0) Serial.print("   Moving to West");
  Serial.print("  Upv: ");
  Serial.println(Upv);
}
hrpankov - специалист
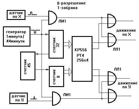
...ей това го разработете и го ползвайте, няма софтуер-мамбоер и действа безотказно....

Прикачен файл

слнцеслед.jpg
програмен автомат за слънчеви панели...
слнцеслед.jpg (28.66 KиБ) Видяна 2498 пъти
2v6 - майстор
hrpankov написа:
...ей това го разработете и го ползвайте, няма софтуер-мамбоер и действа безотказно....
А да помогнеш можеш ли?
Какво е това "датчик по Х" ?
Прикачен файл:
2v6.gif
2v6.gif (24.09 KиБ) Видяна 2458 пъти
hrpankov - специалист
....датчиците по Х и У са от компютърните мишки.... генератора цъка на всеки 45 минути, а другото брои часове, дни, сезони... а ПЗУ-то командва..
2v6 - майстор
hrpankov написа:
....датчиците по Х и У са от компютърните мишки.... генератора цъка на всеки 45 минути, а другото брои часове, дни, сезони... а ПЗУ-то командва..
Тези датчици "от компютърните мишки" за положението на панела ли са?

Нещо много разминаване - хем казваш няма софтуер, хем е ПЗУ :?:

Хем "работи безотказно", пък да го разработваме :?
  • 1
  • 6
  • 7
  • 8
  • 9
  • 10

Тема "Автоматично насочване на фотоволтаичен колектор" | Включи се в дискусията:


Сподели форума:

Бъди информиран. Следвай "Направи сам" във Facebook:

Намери изпълнител и вдъхновения за дома. Следвай MaistorPlus във Facebook: