Място за идеи и желания за проектиране и изработка на готови проекти.
ig_ivanov
- специалист
1028 мнения в "CNC електроника, управление на стъпкови и серво мотори"
ig_ivanov
- специалист
- Мнения: 147
Означава луфт в задвижването на механиката. Друг вариант за разминаването е изпускане на стъпки. Може да размениш местата на X и Y в контролера и да видиш дали ще се промени разминаването. В този случай фигурата ще е завъртяна на 90 градуса. Ако разминаването остане на същата ос- значи проблема е с механиката. Ако се измести по другата- с програмата или кода.
MrMurdjo
- майстор
- Мнения: 1574
Всички бързат да си обвинят компютъра и програмите, а според мен проблемът е китайски - луфт в механиката или изпускане на стъпки.
Малки разлики могат да се получат и от настройките на Мах3 на изходите. Трябва да се знае драйверите с какво активно ниво на импулсите работят - високо или ниско. Ако е високо, а в Мах3 е зададено ниско, може да се получи натрупване на грешки.
Възможно е и самите драйвери да правят проблем - да изпускат стъпки при голяма скорост или да "заспиват" при ниска.
Но щом се получава само по едната ос, по-скоро е механичен, ако настройките на всички са еднакви.
Малки разлики могат да се получат и от настройките на Мах3 на изходите. Трябва да се знае драйверите с какво активно ниво на импулсите работят - високо или ниско. Ако е високо, а в Мах3 е зададено ниско, може да се получи натрупване на грешки.
Възможно е и самите драйвери да правят проблем - да изпускат стъпки при голяма скорост или да "заспиват" при ниска.
Но щом се получава само по едната ос, по-скоро е механичен, ако настройките на всички са еднакви.
tsenkov
- специалист
- Мнения: 542
Бях обещал да опиша как работи едно три осно управление на базата на 6560/червена платка/. Наи-после ми остана малко време и го разцъках. Захранване 24 В.,15 А. двигатели от пловдивските SDH 1.8/2. Тях успях да ги развъртя без товар до около300-400 оборота като нямаше пропуски на стъпки. Сложих на една ос двигател 3Н/М - 3 А. развъртях го до около250-280оборотта. По нагоре имаше пропуски. Същия двигател управляван от драивер DQ542 работи спокоино на 400оборота,като пропуските започват след500-550оборота. Общото ми мнение е че е по-добра от сините и става за първа машина . Като плюс може да се отчете и лесния монтаж и конфигуриране към MACH 3.
dobrinski
- специалист
- Мнения: 101
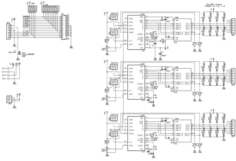
Здравейте, имам едно три канално управление за стъпкови мотори до 2 ампера с регулиране на работния ток заедно с контролер изпълнени на една платка, което няма да ми трябва. Работи перфектно но в последствие си купих по мощни мотори и си направих друго управление. Ако на някой му върши работа ще му го дам на цената на частите. Прикачвам схема и снимки.
0887924197
0887924197
erolchy
- специалист
- Мнения: 141
Здравейте имам това управление http://i01.i.aliimg.com/img/pb/436/313/ ... 36_478.jpg и искам да попитам там където пише 4-input interface (limit, stop, ect) трябва да има сензори нали ? Другото което ме интересува е те нормално затворени ли трябва да са или нормално отворени ? И последното което искам да питам е mach3 мога ли със стрелките да движа моторите и как може да стане това ако е възможно.
Благодаря много.
Благодаря много.
STEPER
- специалист
- Мнения: 939
erolchy написа:Здравейте имам това управление http://i01.i.aliimg.com/img/pb/436/313/ ... 36_478.jpg и искам да попитам там където пише 4-input interface (limit, stop, ect) трябва да има сензори нали ? Другото което ме интересува е те нормално затворени ли трябва да са или нормално отворени ?
Няма значение.Задават се в Mach3 настройките - Engine Configuration.
И последното което искам да питам е mach3 мога ли със стрелките да движа моторите и как може да стане това ако е възможно.
Възможно е.При Mach-3 всичко е възможно![]()
Благодаря много.
Прикачен файл
7b5b7bb1-709a-4c36-8a1a-37c0d56ad83a.jpg (92.32 KиБ) Видяна 4575 пъти
tsenkov
- специалист
- Мнения: 542
Здравей,тази е от старите платки. По новите имат конектори за дисплеи. Като схема за връзване са идентични.Като за първа машина върши работа. За входовете- аз ползвам едно проводна схема с нормално отворени контакти.Свързвам масата с машината и с едно късо кабелче се връзвам към датчика. Някой ползват и обратното включване-с нормално затворени контакти. Може да работи и без датчици но трябва да и го кажеш.Въпрос на избор. Аз връзвам Х и У лимит и Е стопа на една линия, Х хоум и У хоум поотделно, по Zслагам само един във горно положение и съм го приел за хоум.Правилно конфигуриран МАЧ ти дава възможност да управляваш машината със стрелките по Х и У а Z с Pg Up PgDn като движението трябва да съответствува на натиснатия бутон.При натиснат бутон ТАБ трябва да ти излезе /не се сещам как се казва/ но като го видиш ще разбереш. Повторно натискане го прибира.Ако пак имаш проблеми -питаи.
Тема "CNC електроника, управление на стъпкови и серво мотори" | Включи се в дискусията:
Сподели форума:
Бъди информиран. Следвай "Направи сам" във Facebook:
Намери изпълнител и вдъхновения за дома. Следвай MaistorPlus във Facebook:
Имаш нужда от подходящ професионалист за дома?
- Преустройство, ремонт и реновиране
- ↳ Вашите ремонти
- ↳ Кухня
- ↳ Баня
- ↳ Дневна
- ↳ Спалня
- ↳ Детска
- ↳ Градина
- ↳ Коридор
- ↳ Тераса и балкон
- Направи сам
- ↳ Направи сам
- ↳ Ремонтирай сам
- ↳ Къде е по-евтино?
- ↳ Дърводелство
- ↳ Ел. инструменти
- ↳ Металообработване
- ↳ Конкурс "Направи сам 2012"
- Строителство
- ↳ Всичко за вилата
- ↳ Къщи
- ↳ Саниране
- ↳ Хидроизолация
- ↳ Пасивни и нискоенергийни сгради
- Сухо строителство
- ↳ Окачени тавани
- ↳ Преградни стени и предстенни обшивки
- ↳ Сухи и повдигнати подове
- ↳ Декоративни елементи - колони, трегери, сводове и др.
- ↳ Всичко за гипскартона и гипсфазера
- Въпроси и Отговори
- ↳ Полезни съвети
- ↳ Автомобили
- ↳ Партньори
- ↳ Боядисване и Декориране
- ↳ Вентилация, климатици и термопомпи
- ↳ Водоснабдяване и канализация.
- ↳ Всичко за ремонта
- ↳ Електротехника
- ↳ Отопление
- ↳ Газификация
- ↳ Електроника и Схеми
- ↳ Газобетон
- ↳ От всичко по малко
- ↳ Компютри и периферия
- ↳ Уеб дизайн, PHP, MySQL, JavaScript, HTML..
- ↳ Мобилни устройства, GSM-и
- ↳ Нека се запознаем
- ↳ Recycle Bin
- Статии
- ↳ Практични решения
- ↳ Качване на снимки
- ↳ Какви статии искате?
- ↳ Готварство, туршии и зимнина
- ↳ Отмора и шеги
- ↳ От нищо нещо
- ↳ Не е за вярване
- ↳ Литература
- ↳ Връзки към Интересни сайтове
- Магазин
- ↳ Препоръки и Мнения за он-лайн магазина
- ↳ Крадeни инструменти !!!
