• 1
  • 48
  • 49
  • 50
  • 51
  • 52
  • 103
Място за идеи и желания за проектиране и изработка на готови проекти.
stilnik - специалист
Аз в полемика с тебе нямам намерение да влизам. За това за което питах - получих отговор. Но не съм съгласен с това , че в случая за който става въпрос , цитирам "... не мога да установя визуално,на слух или по някакъв друг субективен начин пропускането на стъпка освен ако не включа осцилографа..." Да , осцилографа е много необходим прибор , ползването му не е задължително тогава, когато констатациите са налице.Когато изпълниш една преместване безкрайно с код М74 ти се изяснява проблема. Доста опити съм направил , прочел съм доста литература, за да диагностицирам дефекта и да го дефинира по гореизложения начин.

Аз съм до тук. Благодаря за отговора.
pulsar - специалист
Здравейте!Купих си от СИРИУС ПЦБ серво драйвер (SERVO45V/4A).Събрах го и успях да се свържа с хипертерминала при което ми се изписа на екрана SERVOver1.2 %.И сега искам съвет от тези които имат опит относно въвеждането на настройките и конфигурирането в контролера как точно се записват данните, има ли някъкви тънкости (символи и т.н) с които да се съобразявам :?: . Това което ми изпратиха е една табличка:
P0 = 300
P1 = 2048
P2 = 768
P3 = 96
P4 = 180
P5 = 1360
P6 = 6656
P7 = 32
Видях, че има хора дето са правили и драйвера на Чан, предполагам,че и там нещата са същите.
Благодаря предварително!
dobrinski - специалист
stilnik написа:
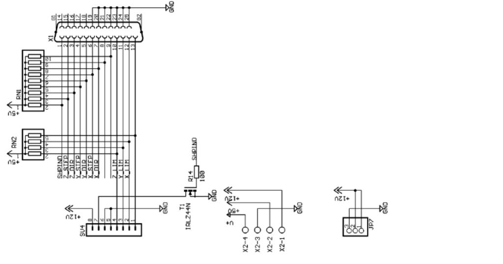
Тъй като Мach3 започва да пропуска стъпки искам да попитам знаещите дали няма грешка в контролера на Сириус К4AX-PWM изпълнен с оптрони 6N137. Съгласно дейташита http://www.datasheetcatalog.org/datashe ... NW2611.pdf захранването трябва да се шунтира с кондензатор 0.1мф, а на печатната платка това не е отразено.Дали това не оказва влияние върху пропускането на стъпки?
Ако изключиш компютъра, като проблем/вече си го преинсталирал, не си пускал други приложения освен Мач3 и подобни/най вероятно проблема е в контролера. Аз бих пробвал с друг кабел и контролер без оптично развързване. Пробвай с тази елементарна схемичка. Можеш да подпреш с резистори само шесте пина, касаещи управлението на драйверите. Резисторите мисля бяха 1 - 3 к.
Весели празници на всички!
Прикачен файл:
kontroler.JPG
kontroler.JPG (40.51 KиБ) Видяна 3785 пъти
angelfilev - специалист
pulsar написа:
Здравейте!Купих си от СИРИУС ПЦБ серво драйвер (SERVO45V/4A).Събрах го и успях да се свържа с хипертерминала при което ми се изписа на екрана SERVOver1.2 %.И сега искам съвет от тези които имат опит относно въвеждането на настройките и конфигурирането в контролера как точно се записват данните, има ли някъкви тънкости (символи и т.н) с които да се съобразявам :?: . Това което ми изпратиха е една табличка:
P0 = 300
P1 = 2048
P2 = 768
P3 = 96
P4 = 180
P5 = 1360
P6 = 6656
P7 = 32
Видях, че има хора дето са правили и драйвера на Чан, предполагам,че и там нещата са същите.
Благодаря предварително!
Пишеш параметъра, след това един интервал и стойността, която задаваш. Натискаш Enter и или повтаряш същия параметър с нова стойност, или преминаваш на друг. Това "=" от твоята табличка не се пише.
За да се запомни въвеждаш W0.
Има и други параметри, които можеш да въвеждаш.

Прикачен файл

SERVOver1.2.rar
(208.76 KиБ) Свален 182 пъти
pulsar - специалист
angelfilev написа:
За да се запомни въвеждаш W0.
Има и други параметри, които можеш да въвеждаш.
Това W0 на нов ред ли го записваш? Как да запаметя?
Ако може нагледен пример,че буквално съм зациклил :partyman:.
angelfilev - специалист
pulsar написа:
angelfilev написа:
За да се запомни въвеждаш W0.
Има и други параметри, които можеш да въвеждаш.
Това W0 на нов ред ли го записваш? Как да запаметя?
Ако може нагледен пример,че буквално съм зациклил :partyman:.
Да, на нов ред!
Просто пробвай. Свържи всичко, задавай стойности и следи как се държи мотора. Когато ти хареса, напиши това W0 и Enter да запомни комбинацията.
Това Р1, което са нарекли инерционност за мен е резолюция на енкодера х 4. Задай го еднократно.
Не съм измислил някаква методика за настройка. Нужни са многобройни проби, особено за по-чувствителните параметри.
pulsar - специалист
ОК, ще си поиграя, но ще бъде догодина.
Весело посрещане на Новата Година!!! :supz: :partyman:
angelfilev - специалист
pulsar написа:
ОК, ще си поиграя, но ще бъде догодина.
Весело посрещане на Новата Година!!! :supz: :partyman:
Благодаря!
Пожелавам на всички здраве, спокойствие, весело посрещане на Новата година и успехи!
stilnik - специалист
dobrinski написа:
stilnik написа:
Тъй като Мach3 започва да пропуска стъпки искам да попитам знаещите дали няма грешка в контролера на Сириус К4AX-PWM изпълнен с оптрони 6N137. Съгласно дейташита http://www.datasheetcatalog.org/datashe ... NW2611.pdf захранването трябва да се шунтира с кондензатор 0.1мф, а на печатната платка това не е отразено.Дали това не оказва влияние върху пропускането на стъпки?
Ако изключиш компютъра, като проблем/вече си го преинсталирал, не си пускал други приложения освен Мач3 и подобни/най вероятно проблема е в контролера. Аз бих пробвал с друг кабел и контролер без оптично развързване. Пробвай с тази елементарна схемичка. Можеш да подпреш с резистори само шесте пина, касаещи управлението на драйверите. Резисторите мисля бяха 1 - 3 к.
Весели празници на всички!
Прикачен файл:
kontroler.JPG
От вчера нещата са решени. Не зная каква е връзката, но причината е много проста. A ползвам движения и драйвери по X, Y и Z , и нормално е тези оси да бъдат активизирани. Да , ама или Mach3 не е съгласен , или контролера е "прост" , но активизирането и на канала по А доведе желания резултат. Вече нямам пропадане на стъпки и всичко е ОК.

Благодаря на всички взели отношение и весели празници!
MrMurdjo - майстор
Или си омотал свързването и настройките и сега случайно е проработило нещо.
Честно, от горното нищо не разбрах. Не съм факир на Мах3, но все нещо поназнайвам. И твоите обяснения не ми се връзват.
  • 1
  • 48
  • 49
  • 50
  • 51
  • 52
  • 103

Тема "CNC електроника, управление на стъпкови и серво мотори" | Включи се в дискусията:


Сподели форума:

Бъди информиран. Следвай "Направи сам" във Facebook:

Намери изпълнител и вдъхновения за дома. Следвай MaistorPlus във Facebook: