• 1
  • 37
  • 38
  • 39
  • 40
  • 41
  • 115
Място за идеи и желания за проектиране и изработка на готови проекти.
kikokiko - специалист
Yavor_Sv написа:
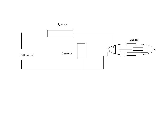
Можеш ли да драснеш една бърза схема как се свързва лампата с дросела и запалката ? Намерих схема в руския сайт, ама искам да сравня.
Ето схемата

Прикачен файл

Shema za svarzvane na metalohalogenna lampa.JPG
Shema za svarzvane na metalohalogenna lampa.JPG (13.75 KиБ) Видяна 5649 пъти
Yavor_Sv - напреднал
Аааа мерси. Мислех, че не си го видял това. Кефи ме как си се постарал с лампата да я нарисуваш.Ама мене най ме объркват тия няколко изхода който имат дросела и запалката. Ти не си ги отбелязал, ама като ги взема тия дни нещата, ако не ми е ясно нещо пак ще попитам. Ето какво намерих аз от руския сайт :
Изображение
Малко е дребна, ама мисля, че се разбира всичко.
А специално там където кабела на запалката се свързва с този на лампата и дросела как става връзката ? С клема ли как ? :)
Понеже имам един ненужен шнур от нагревател за аквариум и мисля да използвам него да попитам после двата кабела ги връзвам за който и да е от тези на шнура или не ? Съжалявам, че са ми толкова невежи въпросите, ама с тия фази така и не станах на ясно. :)
kikokiko - специалист
Yavor_Sv написа:
Аааа мерси. Мислех, че не си го видял това. Кефи ме как си се постарал с лампата да я нарисуваш.Ама мене най ме объркват тия няколко изхода който имат дросела и запалката. Ти не си ги отбелязал, ама като ги взема тия дни нещата, ако не ми е ясно нещо пак ще попитам. Малко е дребна, ама мисля, че се разбира всичко.
А специално там където кабела на запалката се свързва с този на лампата и дросела как става връзката ? С клема ли как ? :)
Понеже имам един ненужен шнур от нагревател за аквариум и мисля да използвам него да попитам после двата кабела ги връзвам за който и да е от тези на шнура или не ? Съжалявам, че са ми толкова невежи въпросите, ама с тия фази така и не станах на ясно. :)
Свързването става много лесно и дори и на запалката и на дросела има лепенки със схемата на свързване.
Моя дросел е почти като този на твоята схема - има клема с две места за свързване - от едната страна влиза захранването от мрежата а от другата страна отива до лампата ( последователно свързване), а запалката при мен също е само с два извода, а не с три като на твоята схема. Аз свързах запалката паралелно за лампата. Това е всичко ще се справиш - ако имаш още въпроси питай.
Ето по -ясна схема

Прикачен файл

optimizirana shema za svarzvane na metalohalogenna lampa.JPG
optimizirana shema za svarzvane na metalohalogenna lampa.JPG (14.03 KиБ) Видяна 5619 пъти
някой може ли да ми каже откъде мога да се сдобия с френелова леща и метал халогенна лампа с всичките и дросели и запалки,че търся по сайтове и нищо не намирам и ориентировачни цени ако може
Yavor_Sv - напреднал
За френеловата леща и ние не знаем.. мисля. Ако има и аз бих си взел.
А лампата с дросела и запалката принципно за около 80лв. 40 лампа + 40 дросел и запалка. Но мисля,че зависи от къде си, защото аз днеска отивам да купя сигурно дросела и запалката за 32 лева, а лампата малко по-нататъка, че тука няма. Така, че цените по-горе за средни.
По интернет е трудно да намериш лампа, много съм търсил, а и е винаги по-добре на място тей, като това е една от най-важните части в проектора. Освен това смятам, че в интернет е доста ограничен избора и е по-скъпо. :)
kikokiko - специалист
alucard написа:
някой може ли да ми каже откъде мога да се сдобия с френелова леща и метал халогенна лампа с всичките и дросели и запалки,че търся по сайтове и нищо не намирам и ориентировачни цени ако може
Чети мненията във форума и ще ти се изясни всичко. Френелова леща може да се поръча от чужбина или да намериш стар шрайбпроектор от някое училище. За цените налампата и дроселите ти е отговорил колегата. Аз ги купих от тази фирма -
NLS
гр. София 1164, бул. „Евлоги Георгиев“ 8

тел./факс.: 02 / 865 85 78

моб. тел. 0887 695 732

0884 912 545

e-mail: nls.bulgaria@gmail.com
в този сайт най-силните лампи са 150Вт това достатъчно ли е и не дават информация за дросел и запалка или тях от другаде си ги поръчвал
kikokiko - специалист
alucard написа:
в този сайт най-силните лампи са 150Вт това достатъчно ли е и не дават информация за дросел и запалка или тях от другаде си ги поръчвал
Моята лампа е 400 вата и я купих от магазина - там има по-голям избор. По -добре се свържи с тях по телефона.
ChriS - напреднал
Да се включа и аз в темата.
Първо с един въпрос: взех си един монитор, който по принцип изглежда доста добре и най-големия плюс му е, че има тв тунер (Samsung 150MP), само че естествено има нужда от удължаване на лентови кабели.. или някакви подобни. Ето снимки ако може някой да ми каже точно какво да търся или как може да стане въобще... Снимки.
Два монитора изгърмях вече, надявам се този да е окончателният вариант...

По въпроса с лампите, не че съм в час, ама не трябва ли да има и фасонка метал-халогенната лампа.. Имам и лампа и дросел и запалка, ама седят вкъщи и така и не знам как да ги вържа.. Между другото лампата е май малко по-различна.. Ще пусна снимки довечера..

П.П. Последните два монитора си ги взимам от Лианна и съм доволен - 50лв, я няма стойка, я нещо друго.. перфектни за разглобяване.. Е, последният ми няма зарядно, че сега чакам от Хонг Конг, ама това е друг въпрос.. :-D
joton - напреднал
Ами и аз да се вкюча за жалост докато правех рамката за монитора и лещата го натиснах малко повече и сега търся нов монитор. Стария беше LG 1510S много подходящ за целта, но какво да се прави.
Иначе съм се захванал да направя тази кутия, ама ще видим какво ще стане.

Прикачен файл

plan.jpg
plan.jpg (19.05 KиБ) Видяна 5215 пъти
  • 1
  • 37
  • 38
  • 39
  • 40
  • 41
  • 115

Тема "Видео стена за 300лв възможно или не ?" | Включи се в дискусията:


Сподели форума:

Бъди информиран. Следвай "Направи сам" във Facebook:

Намери изпълнител и вдъхновения за дома. Следвай MaistorPlus във Facebook: