Така е, но човека от Дряново каза, че над 30В възникват проблеми. Не съм го разпитвал какви. Но каза "не случайно съм написал до 30В".
Място за идеи и желания за проектиране и изработка на готови проекти.
velsi
- Почетен майстор
5467 мнения в "CNC машина гравьор"
ELEMENTAL
- специалист
- Мнения: 909
Чипа може да разсейва 26W.И това е при околна темп. 25'С.С увеличаване на захранващото напрежение, разсейваната мощност се увеличава.Затова трябва да се увеличи и размера на радиатора.
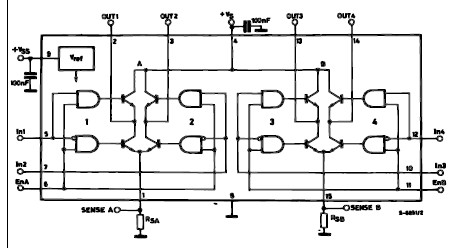
INH1 и INH2 нямат нищо общо с работните сигнали (А,В,С,D).Ниско ниво на INH1,2 изключва съответните транзистори от H-мостовете, като по този начин се обезпечава работен ток на мотора под зададения.
INH1 и INH2 нямат нищо общо с работните сигнали (А,В,С,D).Ниско ниво на INH1,2 изключва съответните транзистори от H-мостовете, като по този начин се обезпечава работен ток на мотора под зададения.
Прикачен файл
enable.jpg (27.71 KиБ) Видяна 3499 пъти
gorgidanchev
- специалист
- Мнения: 499
Намерих инфо за моторите.От братята руси.12V-1,2A.Много са слаби
.Вие как мислите.
gorgidanchev
- специалист
- Мнения: 499
Чак 30 волта
.Аз първо да оправя електрониката и после ще правя проби.Ще помагаш ли.

Тема "CNC машина гравьор" | Включи се в дискусията:
Сподели форума:
Бъди информиран. Следвай "Направи сам" във Facebook:
Намери изпълнител и вдъхновения за дома. Следвай MaistorPlus във Facebook:
Имаш нужда от подходящ професионалист за дома?
- Преустройство, ремонт и реновиране
- ↳ Вашите ремонти
- ↳ Кухня
- ↳ Баня
- ↳ Дневна
- ↳ Спалня
- ↳ Детска
- ↳ Градина
- ↳ Коридор
- ↳ Тераса и балкон
- Направи сам
- ↳ Направи сам
- ↳ Ремонтирай сам
- ↳ Къде е по-евтино?
- ↳ Дърводелство
- ↳ Ел. инструменти
- ↳ Металообработване
- ↳ Конкурс "Направи сам 2012"
- Строителство
- ↳ Всичко за вилата
- ↳ Къщи
- ↳ Саниране
- ↳ Хидроизолация
- ↳ Пасивни и нискоенергийни сгради
- Сухо строителство
- ↳ Окачени тавани
- ↳ Преградни стени и предстенни обшивки
- ↳ Сухи и повдигнати подове
- ↳ Декоративни елементи - колони, трегери, сводове и др.
- ↳ Всичко за гипскартона и гипсфазера
- Въпроси и Отговори
- ↳ Полезни съвети
- ↳ Автомобили
- ↳ Партньори
- ↳ Боядисване и Декориране
- ↳ Вентилация, климатици и термопомпи
- ↳ Водоснабдяване и канализация.
- ↳ Всичко за ремонта
- ↳ Електротехника
- ↳ Отопление
- ↳ Газификация
- ↳ Електроника и Схеми
- ↳ Газобетон
- ↳ От всичко по малко
- ↳ Компютри и периферия
- ↳ Уеб дизайн, PHP, MySQL, JavaScript, HTML..
- ↳ Мобилни устройства, GSM-и
- ↳ Нека се запознаем
- ↳ Recycle Bin
- Статии
- ↳ Практични решения
- ↳ Качване на снимки
- ↳ Какви статии искате?
- ↳ Готварство, туршии и зимнина
- ↳ Отмора и шеги
- ↳ От нищо нещо
- ↳ Не е за вярване
- ↳ Литература
- ↳ Връзки към Интересни сайтове
- Магазин
- ↳ Препоръки и Мнения за он-лайн магазина
- ↳ Крадeни инструменти !!!
