• 1
  • 31
  • 32
  • 33
  • 34
  • 35
  • 103
Място за идеи и желания за проектиране и изработка на готови проекти.
ijebdk - напреднал
Към колегата bdimov
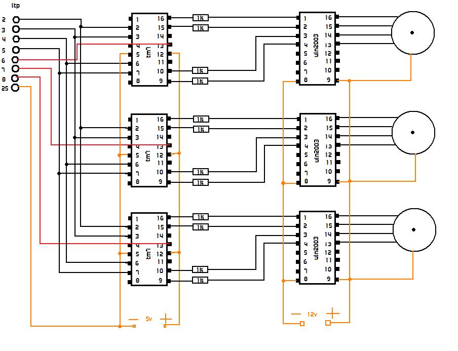
Моторите са с осем проводника - два по два са на късо, а останалите четири проводника към драйверите, някъде ги свързват направо осемте към драйверите.
Прикачен файл:
Схема за пускане на мотора.JPG
В случая какво ще рече тока добре ли е или не? Благодаря! Напрежението ми пада от 32V на 19-20V при три задържащи мотора, явно е доста слаб трансформатора.
dobrev - специалист
Към ijebdk
Двигтелят изглежда доста голям, с ток минимум 3А умнажено по 32V е близо 100W.
Умножено по 3 /за трите мотора/ - 300W минимално трябва да е трафа. Връзките на греца допълнително правят пад на нарежение - запои ги. Възможно е и вторичната намотка на трафа да е навита с проводник с малко сечение - при натоварване в нея се образува пад на напрежение. Като цяло трафа изглежда малък за три мотора с подобен габарит. #-o
dobrev - специалист
dobrev написа:
Към ijebdk
Двигтелят изглежда доста голям, с ток минимум 3А умнажено по 32V е близо 100W.
Умножено по 3 /за трите мотора/ - 300W минимално трябва да е трафа. Връзките на греца допълнително правят пад на нарежение - запои ги. Възможно е и вторичната намотка на трафа да е навита с проводник с малко сечение - при натоварване в нея се образува пад на напрежение. Като цяло трафа изглежда малък за три мотора с подобен габарит. #-o
И още нещо - намали тока на задържане на моторите. Май няма нужда да е 100%. Излишно товари захранването.
PhD - специалист
Колега dobrev, наистина хубава схема. Можеш ли да кажеш защо през този резистор RN1 си предвидил да подаваш сигнали на 4-5 места и какво точно се прави с R10? И едно нещо което забелязах - тези резистори които са current sense - R1/R2 и R5/R6 не е ли по-добре да са по един на схемата, а не два?
dobrev - специалист
PhD написа:
Колега dobrev, наистина хубава схема. Можеш ли да кажеш защо през този резистор RN1 си предвидил да подаваш сигнали на 4-5 места и какво точно се прави с R10? И едно нещо което забелязах - тези резистори които са current sense - R1/R2 и R5/R6 не е ли по-добре да са по един на схемата, а не два?
RN1 е резисторна матрица включваща 5 резистора по 10k с общ извод, в схемата ползвам само 4 от тях. R1/R2 и R5/R6 са за избор на тока и не е проблем да е единичен, ако е с нужната стойност. С R10 би трябвало да се регулира напрежението на Uref при наличие на сигнал STEP.
Прикачен файл:
k555tm7-uln2003a.jpg
k555tm7-uln2003a.jpg (80.62 KиБ) Видяна 5751 пъти

нов съм в тази област.Но от доста време се интересувам от тези машинки,наскоро намерих доста изгодно едни моторчета 3бр.KP4M4-oo1 3,60 step
Някой може ли да ми каже тази схема дали ще стане за едно
ijebdk - напреднал
Благодаря за помощта! Как да намаля тока на задържането, в Mach3 ли има такава опция или нещо по драйверите трябва да правя. Благодаря
dobrev - специалист
ijebdk написа:
Благодаря за помощта! Как да намаля тока на задържането, в Mach3 ли има такава опция или нещо по драйверите трябва да правя. Благодаря
На драйвера SW4 на off.
ijebdk - напреднал
Благодаря! Значи ключ SW4 на драйвера управлява тока при задържане на мотора. Погледнах на Off e.
dobrev - специалист
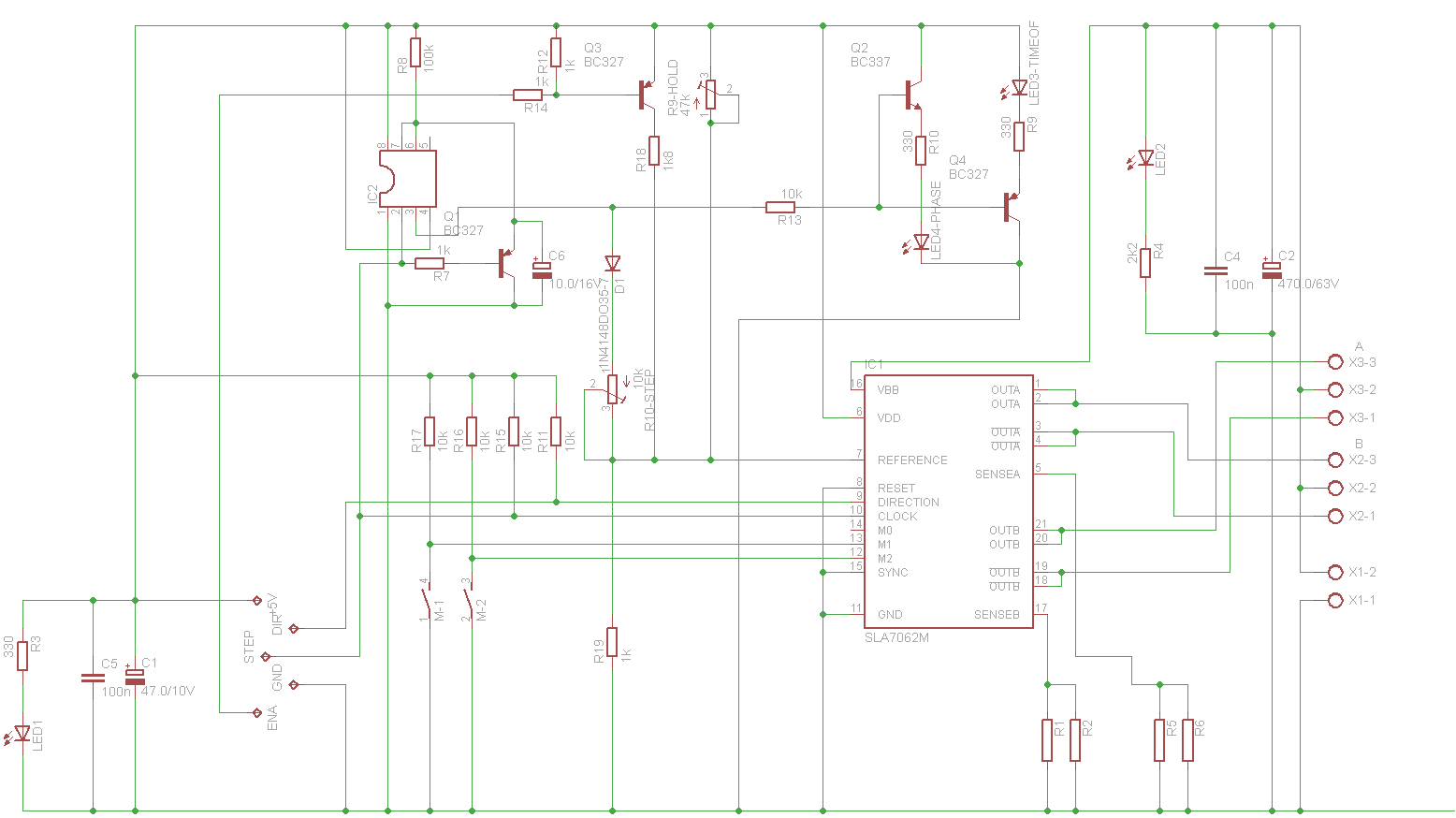
След като липсва отзив за предложената от мен схема с SLA7062M с намаляване на тока при липса на сигнал STEP и след консултация с мой приятел електрончик, предлагам нов вариянт на схемата за почитателите на направи сам, като подчертавам че схемата не е изпитана в работен режим. Запачвам да я събирам и ще пиша за резултата.

Прикачен файл

SLA7062M NEW.png
SLA7062M NEW.png (23.37 KиБ) Видяна 5653 пъти
  • 1
  • 31
  • 32
  • 33
  • 34
  • 35
  • 103

Тема "CNC електроника, управление на стъпкови и серво мотори" | Включи се в дискусията:


Сподели форума:

Бъди информиран. Следвай "Направи сам" във Facebook:

Намери изпълнител и вдъхновения за дома. Следвай MaistorPlus във Facebook: