Място за идеи и желания за проектиране и изработка на готови проекти.
MrMurdjo - майстор
Ако са готови и ползваш готови линейни лагери, трябва да са просто чисти. В лагерите има смазка.
petko_sz - напреднал
dobrinski написа:
Здравейте, доста време се чудех, за схемното решение на контролера и драйвера и бих искал да ги споделя. Контролера избрах по схемата на Сириус за управление на три драйвера, като имам възможност допълнително да добавя четвърти драйвер на пин 8 и 9, както и да използвам сигнал ENABLE на пин 14 но общо за всички мотори. Ще използвам релета за 5 волта и ще захраня контролера от USB порта на компютъра. Другото захранване ще е само за моторите.
Драйверите ще са с L297 и осем мосфета H-BRIDGE. Прилагам схемите по долу. Двигателите ще са най вероятно 3.1 Nm от екселсор биполярно свързване. Моля, ако имате забележки коментирайте, че почти завърших проектирането на платката. :)
Прикачен файл:
Controler.JPG
Прикачен файл:
L297_Hbridge.jpg





dobrinski -Мисля ,че от Ю-Ес-Би то на компа няма да можеш за захраниш платкатa. Но нищо не пречи да вземеш от захранването и през 7812 и 7805 да си захраниш платката - става много по-сигурно. По спомени на входа на 78ХХ можеш да подадеш до 35 волта - едва ли ще полваш и по-високо захранване. Аз лично съм с подобен род драйвери , захранвам ги с 24 волта и всичко грее ... бих казал малко повече от желателното.
dangelov - напреднал
Това е схема, която се предлага и от Сириус. Във вид на изработена платка. Може да се поръча само платката, окомплектована с елементи и готова, тествана. Има я и на руските сайтове. Не излиза скъпо и главно има галванично развързване между cnc-то и компютъра. И е за 4 оси.
За драйверите- из нета видях схемата с 297+ MOSFET + IR2104 и едно допълнение с таймер 555, което ограничава тока на мотора при липса на сигнала STEP.

Прикачен файл

Kontroler_K4AX.JPG
4 оси, галванично развързване
Kontroler_K4AX.JPG (54.14 KиБ) Видяна 5094 пъти
dobrinski - специалист
Дааа и аз я видях тази схема. Май ще се почва отначало.
Прикачен файл:
33_1315637781.jpg
33_1315637781.jpg (103.89 KиБ) Видяна 5090 пъти
STEPER - специалист
dobrinski написа:
Дааа и аз я видях тази схема. Май ще се почва отначало.
dobrinski,
Прегледай тези сайтове.Ще са ти от полза.
http://www.cncmasterkit.ru/forums/viewt ... ?f=3&t=159
http://robozone.su/2009/03/03/interfejj ... a-lpt.html
http://robozone.su/2009/03/18/interfejs ... a-lpt.html
http://robozone.su/2008/06/09/interfejj ... zkojj.html
http://robozone.su/2008/05/26/drajjver- ... snove.html
dobrinski - специалист
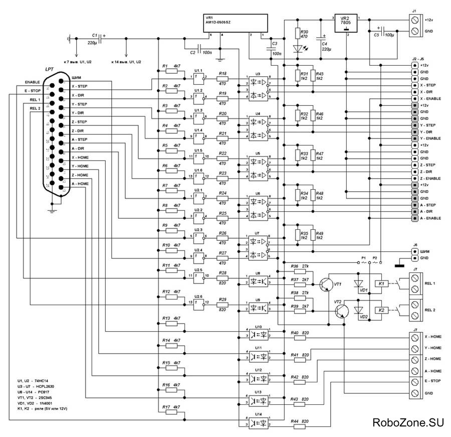
И още нещо - каква е ролята на dc/dc преобразувателя am1d-0505sz в горната част на схемата. В никой магазин не го намирам. Къде се свързва изход ШИМ в дасната част на схемата?

Прикачен файл

1237371706_sch.jpg
alien - специалист
е, най после една истинска схема
тъкмо мислех да пиша за горната с различните оптрони за стъпка и посока
тия дни имах подобни ядове с една платка, на моите платки слагам само бързи оптрони а тази беше с бавни, смених само тези на стъпка с бързи и понеже оставих бавния оптрон на посока, първата стъпка при смяна на посоката я прави в старата посока.... за това оптроните трябва да са еднакви за да не се разминават импулсите по фаза

та тази последната схема е както трябва по всички правила , дц-дц преобразуватела служи да захрани изолираната част от към компа, последната схема която правих тия дни е сходна, но свободни съчинения в движение, нямах под ръка дц-дц преобразувател а бързам и я захраних от УСБ , изолираната част харчи малко така че няма проблем

шима предполагам че е за управление на скоростта на шпиндела (ако имаш управление за оборотите на шпиндела)
MrMurdjo - майстор
Предполагам, че преобразователят е с трансформатор и по този начин галванично е развързан от компютъра. А предимството е, че се получава стабилизирано напрежение при големи вариации на входното, каквото с линеен стабилизатор понякога е проблем поради значителната мощност, която трябва да се отдели от него. Например при 30 волта входящо и 5 изходящо, 25 волта пад при 0.2 А (пиша го наизуст) прави 5 вата.
Аз също използвам DC-DC преобразователи от типа LM2575, които дават ток до 1А, но изходът не е галванично отделен, макар че може да се направи с известно усложняване на схемата.
ШИМ служи за управление на оборотите на шпиндела, ако той има контролер, който да се управлява по този начин.
Превключването на моторите в режим на задържане само при отсъствие на тактови импулси за определено време е много полезно нещо.
На моите контролери, понеже бързах да пусна машината в действие, се опрях на едно просто схемно решение, препоръчано от производителя, което обаче не точно същото действие и в момента съм го изключил като функция дори. По-нататък ще ги модифицирам.
Виждал съм и решение, където сигналът enable всъщност не се ползва точно по предназначение, а превключва две нива на сработване на ограничаването по ток. Но пак трябва или таймер, или управляващият софтуер да го активира/деактивира при статично и работно състояние на моторите.
dangelov - напреднал
Последно am1d-0505sz го купих от магазин Елимекс, по заявка, за около 13 лева. Това е най- скъпия чарк в схемата. Може спокойно да се замени със захранване от USB-то. Относно IR2104 ми дадоха цена 2.80 за smd корпус и около 4 лева за DIP. Имам разработена платка на драйвера със SMD елементи, но не съм я пускал още.
dobrinski - специалист
Благодаря много на всички!!! Много ми помогнахте. Спирам се на последните две схеми на контролер и на драйвер. В руския форум намерих и платките. Остана неясно за мен смисъла на синхронизацията на драйверите /пин 1 на L297/. В някой от схемите на руския форум гледам, че не се използва. Как работят моторите със и без синхронизация?

Тема "CNC машина гравьор" | Включи се в дискусията:


Сподели форума:

Бъди информиран. Следвай "Направи сам" във Facebook:

Намери изпълнител и вдъхновения за дома. Следвай MaistorPlus във Facebook: