Място за идеи и желания за проектиране и изработка на готови проекти.
velsi - Почетен майстор
STEPER написа:
Мисля,че е време Velsi да се намеси. :axe:
Аз следя внимателно дискусията и макар, че се задълба в подробности мисля, че е от полза. Давайте напред и показвайте по-често кой до къде е стигнал. Колкото до търкалящите лагери аз смятам, че е излишно да се използват при положение, че има линейни на много добри цени. Но и това вече се спомена, така че да не се повтаряме.
VBG - специалист
nik80

до този момент не съм написал нито една лоша дума за теб или някой друг!!! Това ще се промени.
Това дали аз разтягам локуми или си чеша само езика си е моя работа,
но аз не бих се хвалил със сглобена лагерна количка и с подобни заварки.
Да се сложат толкова много и големи лагери на една малка машинка не е голямо техническо постижение.
Ти като човек, който е търсил лагери на много места и при много доставчици, би трябвало да знаеш,
че цените на най-големият производител на лагери в света FAG са еднакви навсякъде и при всички доставчици.
Цените са от производителя.
Други производители (безименни) продават лагерите 40-50% по-ниско от FAG. Вероято може и още малко по-евтино да се намерят, но лагери за левче ми се струват само евтини и нищо друго.
Един човек с малко житейски опит би трябвало поне да се замисли при подобна разлика в цените. Къде са 14лв., къде е 1лв.
Дори и китайците не произвеждат с подобна разлика.
Прочети предишните страници и ще видиш, че СВД-тата ( ISO стандарт) от Китай са по-евтини, но не и с подобна разлика.
shulio - специалист
Еми похвали се тогава с нещо от темата. Нас ни интересува какво е направил ник и за колко пари и дали върши работа. В неговия случай човека е намерил евтино решение, което върши работа. Мен лично това ме интересува дали машината върши работа. А дали лагера е ФАГ и дали тази фирма ги предлага на една цена навсякъде и дали след една година ще трябва да сменя 30 лагерчета от по левче - хич не е от значение.

Всички ние искаме машина която да е евтина за направа и да върши работа. Другото всичко са празни приказки и мерене на п*шки
dimov64 - помощник
Няма смисъл от подобни изказвания!!!
Този форум е от полза за всички!!!
Има колеги професионалисти,но има и такива като мен който сега започват да се блъскат с направата на такава машина!!! Нека не опорочаваме форума с дразги и караници!!!
Тук всеки показва какво е направил или какво е решил да направи!!!
Мое мнение е че Ник80 е направил много!!!
Нека бъдем по сдържани и толерантни един към друг!!!
С пожелание към всички за здраве,успех и много късмет!!!
nik80 - специалист
то не е и мерене.... щото някои нямат какво да мерят....
не мислех да отговарям за да не се повтарям и да не влизам в глупави спорове, вече казахме кое е по добре, но ако някой все пак реши да ползва лагери по този начин да внимава, защото цитираното по горе натоварване от каталожните данни е когато лагера е в лагерна черупка, и натоварването е разпределено по цялата гривна, когато няма черупка поносимото натоварване е много по малко от описаното в каталога, при претоварване външната гривна започва да се огъва между сачмите, няма опасност от счупване но от няколкото хилядни огъване започват да прескачат сачмите, ако не се претоварва работи гладко, до сега не съм имал проблем, за това каталожните данни на който и да било продукт не трябва да се четат механично и без разбиране, ако няма уловка за да се прикрият недостатъци то винаги има условия при които са описани параметрите

подобен проблем имат и кръглите направляващи с процепен линеен лагер, сачмите са малко кофти разположени и направляващата като клин се опитва да разтвори лагера, не издържа на опън, трябва добре да се предвиди посоката на натоварване

за колко струва..... железата са каквото съм намерил из къщи и от скрапа и магазините, тогава нямах пари и надежда да инвестирам в нещо което не знам дали ще му намеря работа, повечето лагери са от резервите на баща ми "ето ти тези лагери утре да кажеш как и аз да си направя такава машинка" :) но докато той почне неговата намерихме вече евтини линейни лагери и неговата е с такива

но също купих още доста лагери където нямах нужния размер
електрониката всичко си правих сам с каквото имам, почти нищо не съм купувал
серво моторите, щпиндел, направляващи и линейни лагери за Z и съчмено винтовите двойки от ебей, това беше най голямата инвестиция може би 600-700 лв а може и повече, изчаквам изгодни сделки, моторите на старо и така
лагери, верига, зъбни колела, ремъци и разни дреболийки ги намерих много евтино може би още стотина лева, всичко останало с каквото имам под ръка но цените наистина варират в пъти на различни места и маркови и безмаркови

едни са се набутали със скъпа стока и я продават скъпа, други са таргаши и товарят яко, трети са изпразнили скад на някой завод с маркови резервни части с цени на килограм...
така баща ми си купи съчмено винтова двойка около 2 метра Ф50 с прецизните гайки дето са двойни за 200 лева, серво мотори 1 киловат енкодер 2000 импулса за 50 лева бройката, после оня намали цените на 30 лева и баща ми купи още, останалите оня ги дал за скрап.... :axe:

това беше най евтиния компромис, иначе тогава из нета се въртяха разни идеи които не можах да приема - направляващи от релси за чекмеджета, има едни със сачми, намерих такива но не ми харесаха, направляващи от принтери, втулки,(изкормих и няколко принтера от мерак) винт от обикновена шпилка, или пък винт само в средата на масата, няма какво да синхронизира левия и десния край, и все идеи които не ми харесват, пари не ми се дават, мъча правя развалям по няколко пъти докато ми хареса, сега вече е лесно но тогава информацията беше много оскъдна, програмите и те бяха много бъгливи и куци, просто беше рано, сега вече има всичко необходимо

аз също съм на мнение повече хора да показват творенията си, до къде са стигнали или вече готови
Последна промяна от nik80 на чет мар 17, 2011 11:26 am, променено общо 2 пъти.
VBG - специалист
Нестава на въпрос да се мери нещо.
На мен ми е пределно ясно защо nik80 и angelfilev са направили машините си по този начин.
Става въпрос за пари. Хората са ползвали наличните лагери, профили и т.н, за да не дават пари.
angelfilev по спомен написа, че лагера издържа на определено натоварване. Преценката базирана на опита е достатъчна за собствената машина и не е нужно точно изчисение.
nik80 ми обяснява за износване при триене на две различни по твърдост повърхности при положение,
че той самия е направил машината си с намерени някъде части.
Изчисляваш точно частите и тогава има смисъл да мислиш за комбинация на материалите.
Има и други хора, които са наясно с нещата. :yawinkle:
VBG - специалист
shulio написа:
Еми похвали се тогава с нещо от темата. Нас ни интересува какво е направил ник и за колко пари и дали върши работа. В неговия случай човека е намерил евтино решение, което върши работа. Мен лично това ме интересува дали машината върши работа. А дали лагера е ФАГ и дали тази фирма ги предлага на една цена навсякъде и дали след една година ще трябва да сменя 30 лагерчета от по левче - хич не е от значение.

Всички ние искаме машина която да е евтина за направа и да върши работа. Другото всичко са празни приказки и мерене на п*шки
Предполагам, че си виждал колко и какви лагери има при една скоростна кутия или мотор на кола.
Предполагам, че знаеш как са монтирани и на какво натоварване са подложени тези лагери.
Замисли се сега дали ти трябват много лагера, които издържат по 250 кг. статично натоварване при машина с общо тегло
примерно 70 кг.
Дори при лагерите за левче може да се спести някои лев.
Незная дали ти говори нещо статична товароносимост на лагерите за което писаха angelfilev и nik80.
Легерите се въртят и това е свързано с динамичната, а не с статична товароносимост.
Статична товароносимост е по-маловажна при лагерите.
Това всичко няма никакво значение за теб, ако няма снимка. Нали.
Във форума пишат хора, които искат да направят качествени рутери пак за малко пари.
mika даде линк за един дибър вариант.
Всичко е до човека.
Празни приказки са за празни глави!
angelfilev - специалист
VBG написа:
shulio написа:
Еми похвали се тогава с нещо от темата. Нас ни интересува какво е направил ник и за колко пари и дали върши работа. В неговия случай човека е намерил евтино решение, което върши работа. Мен лично това ме интересува дали машината върши работа. А дали лагера е ФАГ и дали тази фирма ги предлага на една цена навсякъде и дали след една година ще трябва да сменя 30 лагерчета от по левче - хич не е от значение.

Всички ние искаме машина която да е евтина за направа и да върши работа. Другото всичко са празни приказки и мерене на п*шки
Предполагам, че си виждал колко и какви лагери има при една скоростна кутия или мотор на кола.
Предполагам, че знаеш как са монтирани и на какво натоварване са подложени тези лагери.
Замисли се сега дали ти трябват много лагера, които издържат по 250 кг. статично натоварване при машина с общо тегло
примерно 70 кг.
Дори при лагерите за левче може да се спести някои лев.
Незная дали ти говори нещо статична товароносимост на лагерите за което писаха angelfilev и nik80.
Легерите се въртят и това е свързано с динамичната, а не с статична товароносимост.
Статична товароносимост е по-маловажна при лагерите.
Това всичко няма никакво значение за теб, ако няма снимка. Нали.
Във форума пишат хора, които искат да направят качествени рутери пак за малко пари.
mika даде линк за един дибър вариант.
Всичко е до човека.
Празни приказки са за празни глави!
VBG, единственото, което разбирам от последното ти мнение е, че рутерът ти ще бъде със скоростна кутия от кола или мотор. :) , също, че си писател, а не читател.
За лагерите е добре да се знае, че при обороти под 1/минута не се изчисляват на динамична товароносимост, а само на статична. При работа на рутера голяма част от времето лагерите са точно в такъв режим.
Поради невъзможност да се определи еквивалентното натоварване и обороти на лагер от рутера, всякакви изчисления са безсмислени. Критерий може да бъде сравнение с реално изпълнени конструкции. Такава реална и добра конструкция показа nik80. Всеки, който направи такава, или по-здрава, няма да сгреши.
basejn - напреднал
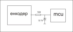
Nik80 Можеш ли да ми кажеш точно как е свързването на датчика на енкодера със Ценер диод и 100ома резистор. И изпозлва ли се internal weak Pull-Up.
nik80 - специалист
това имах предвид, 100 ома и ценера са на платката, не съм ползвал пул ъп на входовете за енкодера
ако енкодера ти е с отворен колектор трябва да имаш резистор към + и този резистор е по добре да е при енкодера от колкото на платката, при дълги кабели стават едни бози... само така успях да оправя импулсите, задължително екраниран кабел за енкодера

Прикачен файл

zz.jpg
zz.jpg (7.7 KиБ) Видяна 5882 пъти

Тема "CNC машина гравьор" | Включи се в дискусията:


Сподели форума:

Бъди информиран. Следвай "Направи сам" във Facebook:

Намери изпълнител и вдъхновения за дома. Следвай MaistorPlus във Facebook: