• 1
  • 19
  • 20
  • 21
  • 22
  • 23
  • 42
Място за идеи и желания за проектиране и изработка на готови проекти.
hidrazin - майстор
saraneron написа:
Понапъни се малко ,когато имаш време или на порции !
[-X Както казах - конкретни въпроси. Не ми се прави дисертация. :)
Още нещо. Оня дъртия трол, дето нищо не вдява от електротехника и още по-малко от електроника нищо ли не обяснява ТУК. Вземи го питай. Гледам спохождаш го тоя форум??? Много е начетен и сигурно всичко ще ти обясни. :weedman:
:partyman:
saraneron - специалист
Добре ,започваме с ченгелчето .Вепрос №1: Повреди по инверторите и панелите и какви дефекти дават най-често?По какви причини? :rolleyes: :^o :supz:
fu4ko - специалист
Hidrazin май ревнува от спохождането по други форуми :partyman:
estqwerty - специалист
аз предлагам да седмем и да го измислим този мппр контролер който да матчва товара.

ако някой има идеи как да бъде направен и нагревателя нека сподели, защото тази мрежа от паралелно и последователно свързани нагреватели ми е пълна мъгла.
по спомен нагревател с 4 елемента вадеше 96% кпд което определено е много добре.

панелите са по лев масово,някой май пита нагоре. има и по 40 евро стотинки. предполагам докато докараме да даваме пари за панели ще са по 35-40 евро цента. сега цената е изкуствена заради спогодбата. но все си мисля че можем скоро да чакаме втора ръка печени 2-3 години като там цената би трябвало е надолу.

по интересни са контролера и нагревателя.
предполагам като се почнат да се обсъждат идеи бързо ще се стигне и до решения.
saraneron - специалист
Няма да е много сложно и сигурно има поне 10 начина да се стигне до приблизително един и същ резултат, но много зависи от знанията и уменията ни за да се реализира на практика както и време!Устройството трябва да е надеждно , евтино и лесно да се повтаря,да няма сложни алгоритми за настройка ,ако може ,лепиш и заработва .Чудя се, защо няма готово изделие досега, или има но не го знаем кое е.Все пак си мисля ,че преди време четох някъде за преобразувател DC/DC който решава този проблем,но си трябва мощност на този преобразувател и дали е така само опитът може да покаже!Друг вариянт с АЦП /аналогово цифров преобразувател/ да се следи напрежението на панела и да се управлява комбинация от товари , или с компаратори .Или още по просто готова платка за нивоиндикатор и от изхода на светодиодите да се взема за управление на електронни комутатори, на входа на нивоиндикаторът подходящ делител за пасване на работните напрежения ,това се сещам на първа ръка,но най-интересното е как да се създаде логиката с товарите и по колко ома да са за да се покрие голям диапазон !Тук си иска малко математика и стъкмистика ....За всяка инсталация в зависимуст от панелите и конфигурацията на свързване товарите ще са различни!
hidrazin - майстор
saraneron написа:
Добре ,започваме с ченгелчето .Вепрос №1: Повреди по инверторите и панелите и какви дефекти дават най-често?По какви причини? :rolleyes: :^o :supz:
Това са два въпроса. :)
За панелите - много зависи от производител/качество.
- Хубавите не им става нищо от само себе си. Пълна гаранция от 8 години. Живот - до към 25 години, поне по думи. Към 20-тата година ефективност около 80%.
- Калпавите. Горят щотки диодите и топят кутиите. Евентуално възможен ремонт. Прекъсване на вътрешните връзки - заводски лошо изпълнение. Друга причина е разхерметизирането на EVA фолиото. Води до проникване на влага, вътрешни окъсявания, корозия за връзките ... панела умира. Заводски къси съединения или обърнати клетки. Открива се най-лесно с добра термокамера. Спукване на стъклото от вътрешни напрежения - работи докато издъхне съвсем. Гаранция - Франция. Не е ясно и след 10 години колко ще са ефективни. Сигурно има и още.

За инверторите. Едва ли ще помогна много. При мен са големи. Много големи. Само един от инверторите тежи към 2,5 тона. Доста е различен от малките макар и в основата си да си приличат. Сърцето му се състои от три стака. По един за всяка фаза. Голям радиатор с IGBT-та и платка за управление. Трите пък се управляват от една обща платка с размер на дънна платка от комп. Тя пък комуникира с блок за управление. По всички платки има чипове с набит софтуер и си "говорят" една с друга.
Разбира се това е много семпло описание. Има и много други работи - вентилатори с терморелета, DC защити, термометри за температура навсякъде ( и на панелите), пиранометър, възможност за метеостанция, филтри за хармоници, филтри за въздуха ....
И не е необходимо да ходя по полето и инверторите. Всичко си го гледам на компа. При всеки възникнал проблем получавам и автоматично уведомление. Ако например един стринг откаже или му падне мощността получавам само предупреждение. Все пак двадесетина неработещи панела не са нищо. Аааа... и от компа си в къщи дори, мога да я изключа или да регулирам/огранича мощността.

За сега - толкова. Нищо няма да излезе от тая работа ама...
:partyman:
estqwerty - специалист
saraneron написа:
...Друг вариянт с АЦП /аналогово цифров преобразувател/ да се следи напрежението на панела и да се управлява комбинация от товари ...
компаратор не знам какво е :) но това да кажем знам как да го направя. примерно меря на входа какво има намаля се за да се вкара и контролера щтрака релетата при определени стойности на променливите/входа/. не е проблем, поне така мисля.
трябва да се смъкне волтажа само до нива които да може да се вкарат с трафове и делители примерно.
saraneron - специалист
Да идеята е тази , трафове няма да има защото не се очакват променливи напрежения за контрол .Като изходни данни ще ти трябват работните характеристики на панелите които ползваш и конфигурацията на свързване на панелите.После определяш зоната ,която е атрактивна за централата,защото е ясно ,че най-малките мощности не са от голямо значение и сядаш да смяташ с 3-4-5-6 нагревателя /зависи колко можеш да монтираш на водосъдържателя/как да покриеш тази зона оптимално ,ще имаш последователно и паралелно и смесено свързване за да получиш много стойности /примерно 10-30 стоймости на товара/ .И за да не стане като цветомузика трябва системата да не е много бързодействаща ,но това е лесно за реализация ,за да е безшумна и дълговечна е добве да се ползват комутаторите посочени от колегите горе , поне 10 броя ,ако не и повече добре е че работят с управление 3 волта и една седмица с поялника !Е трябва да се направи електрическа схема на устройството преди да започнеш работа по реализацията му и да я обсъдим .Мисля че това http://cxem.net/sprav/sprav94.php може да помогне като се вземе обработените сигнали за светодиодния индикатор .Като в случая имаме много повече комбинации от нужните ни които да оправляват логиката а тя да управлява комутаторите. Tук е на английски http://ww1.microchip.com/downloads/en/D ... 21455d.pdf
hidrazin - майстор
Мисля че по-лесно ще стане с един импровизиран MPP тракер. Едно малко спларно панелче или клета натоварена с някакъв товар. Следейки напрежението или тока в тази еталонна клетка може да се вземе информация за това, колко товар да се включи. Ще се наложи вероятно настройка на цялата система на нивата за включване на отделните нагреватели.
Това със смесеното включване на товари - паралелно и последователно мисля доста ще усложни управлението. По-добре повече малки и еднакви нагреватели, включвани паралелно.
Ето тук може да се разгледа малко:
http://bama.ua.edu/~bwbuckley/projects/mppt.html
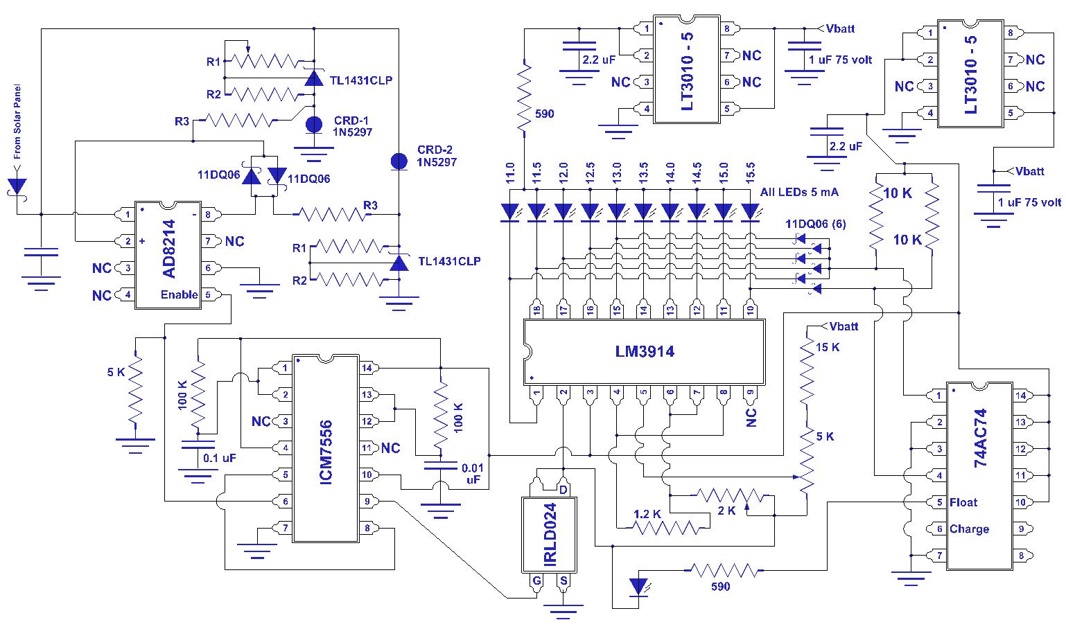
И като за начало една схема, която може да се използва след някои промени:
Прикачен файл:
MPPT.JPG
:partyman:
abcdefghijklmnopqrstuvwxz - майстор
hidrazin написа:
Едно малко соларно панелче или клетка натоварена с някакъв товар. Следейки напрежението или тока в тази еталонна клетка може да се вземе информация за това, колко товар да се включи. Ще се наложи вероятно настройка на цялата система на нивата за включване на отделните нагреватели.
Това със смесеното включване на товари - паралелно и последователно мисля доста ще усложни управлението. По-добре повече малки и еднакви нагреватели, включвани паралелно.
:partyman:
Направо ми прочете мислите :partyman: .
Аз ги мислих последователно свързани нагреватели, като окъсяваме 1, 2, 3 нагревателя, ама станаха малко криви стойностите.
Абе голяма играчка и доста време ще се загуби дори за човек който разбира какво прави.
За систематата на nasko_a , тъй като има доста панели (вече платени) е достатъчно да ги настрои сега да целят слънцето и нагревател 1,5kW (дори 1кW) ако измисли това ще е.
Аз ако съм хващам ЕЛВА-та, някой котлон и почвам да товаря панела докато изкара макс мощност.
Така горе-долу избираш нагревател за максималната ефективност сега-зимата. На лято може да пилееш много - то има тогава ама не ти трябва.
  • 1
  • 19
  • 20
  • 21
  • 22
  • 23
  • 42

Тема "Соларна система за ток 1 kW захранваща бойлер с топла вода" | Включи се в дискусията:


Сподели форума:

Бъди информиран. Следвай "Направи сам" във Facebook:

Намери изпълнител и вдъхновения за дома. Следвай MaistorPlus във Facebook: