Място за идеи и желания за проектиране и изработка на готови проекти.
eleonorvelichkov - специалист
ср ное 11, 2020 10:37 amМайстора52 написа:
ср ное 11, 2020 10:12 ameleonorvelichkov написа:
ср ное 11, 2020 6:50 amМайстора52 написа:
Дотук темата и отговорите на колегите, които дадоха превъзходни мнения - върви чудесно, и ще се задълбоча в размисли "кое, как и защо" трябва да се направи по определения начин, за да стане "работата" както трябва. След "размислите" обаче, ако възникнат нови мои въпроси - пак ще питам.
Сърдечно БЛАГОДАРЯ!

След част от размислите ми, се ориентирам изключително към мненията на колегата "елеонорвеличков". И нямам друг избор, освен да си напрегна "пипето" на макс, и да разгадая приложенията на Ардуиното.
От десетките сайтове с предложения на Ардуино се спрях на този https://www.ardboard.com/%D0%90%D1%80%D ... ino-Uno-R3
като изглеждащ най-стабилен, с подробни данни за предлаганите устройства, и нещо също важно - предложени "надстройки" на конкретното Ардуино Уно R3.

Да оставим "парното" ми настрана. Ардуино-то ще ми върши много ценна работа и за нещо друго:
Става въпрос за употребата на Ардуино-то за едно много важно мое "изобретение" - Магнитно задвижване на генераторен ротор, или казано другояче - Преобразувател на Магнитна сила в Електрически ток.
вижте моя технически сайт https://amazing-magnet.blogspot.com/

За да сме по-конкретни - ОТВАРЯМ НОВА ТЕМА - "Употреба на микроконтролер Ардуино Уно R3 за управление функциите на Магнитен Преобразувател"
Потърсете темата и се включвайте в дискусия.
Препоръчвам ти да си вземеш това ардуино https://store.arduino.cc/arduino-uno-rev3
Защото можеш да го използваш като програматор. Тоест тук този процесор е на цокъл и можеш да го сваляш и да го поставиш на друга платка като изпълниш схемата на захранването и на пиезо генератора, а можеш и да си купиш и някакъв чип да ти пробразува от USB към RS232 на TTL ниво, което 0-5 волта. Така основният ти борд на ардуино ще ти служи като програматор. Във развойната среда можеш да зареждаш Bootloader на процесора(това е нещо като windows който ти позволява да програмираш процесора на C). Процесорът на това ардуино е atmega328p. Разликата с това ардуино, което ти гледаш е в това, че процесорът на твоето е СМД и няма как да го свалиш и на негово място за сложиш друг и да го програмираш.

По отношение на магнитните двигатели можеш да погледнеш тези два канала в YouTube https://www.youtube.com/c/%D0%98%D0%B3% ... %B9/videos
https://www.youtube.com/c/IgorBeletskiy/videos
Темата "Употреба на микроконтролер Ардуино Уно R3 за управление функциите на Магнитен Преобразувател" е отворена.
Относно предложението да взема предложения вариант на Ардуино - ще погледна и ако ме устройва цялостно - ще го взема. Предложението е добро поради възможността за смяна на чипа. ОБАЧЕ - не мога да купувам от чужди сайтове, защото нямам необходимите валута или банкова карта - затова отпада - предложете Български продавач. А и ЦЕНАТА много високо са вдигнали, заради единия цокъл.
Тук го предлага наш сайт https://erelement.com/arduino-uno, ОБАЧЕ цената от 46 лева не е ясно още, дали е оправдана?!
Относно програмирането на платки и чипове съм абсолютно "бос" - някой друг трябва да го направи.
Относно нашия приятел Игор Белецкий - следя клиповете му отдавна и съм напълно наясно... на практика, момчето чака нещо наготово да се появи и да го реализира - да, добре го прави - и чрез свои подставени лица да го обяви като Авторско Изобретение. Иначе, това което показва и той и Андрей Тиртха, и други техни момчета, на практика не ПОКАЗВАТ нищо работещо... само идеи...
Ето в olx. А за програмирането като си готов със схемата покажи я и бих могъл да ти помогна с програмирането, а и както казах на сайта на Ардино нещата са обяснени с примери, но ако не можеш да справиш бих могъл да ти помогна безплатно. Пиши на лично съобщение ако решиш, че искаш помощта ми. Може и по телефона да ми се обадиш 087903027, защото и на мен тази идея с магнитните двигатели ми е доста интересна.
https://m.olx.bg/ads/q-arduino-uno/
Майстора52 - помощник
Понеже тази тема - за "Схемата..." отиде в друго направление, отворих новата тема "Употреба на микроконтролер Ардуино Уно R3 за управление функциите на Магнитен Преобразувател" тук :
viewtopic.php?f=18&t=65262&p=1047392#p1047392

Дотук дискусията не дава няколко отговора:
1. Изпълнение на същата с дискретни елементи (транзистори, диоди, релета и пр.) а не с интеграли (чипове).
2. Схемата да се управлява от вградена "обратна връзка" - по напрежение на зареждания акумулатор.
3. ПРЕВКЛЮЧВАНЕТО - зависещо от съответната обратна връзка на следващия акумулатор.
4. Бонус - да има LED или с ЦИФРИ индикация на екран за напрежението на всички включени акумулатори.
eleonorvelichkov - специалист
ср ное 11, 2020 1:29 pmМайстора52 написа:
Понеже тази тема - за "Схемата..." отиде в друго направление, отворих новата тема "Употреба на микроконтролер Ардуино Уно R3 за управление функциите на Магнитен Преобразувател" тук :
viewtopic.php?f=18&t=65262&p=1047392#p1047392

Дотук дискусията не дава няколко отговора:
1. Изпълнение на същата с дискретни елементи (транзистори, диоди, релета и пр.) а не с интеграли (чипове).
2. Схемата да се управлява от вградена "обратна връзка" - по напрежение на зареждания акумулатор.
3. ПРЕВКЛЮЧВАНЕТО - зависещо от съответната обратна връзка на следващия акумулатор.
4. Бонус - да има LED или с ЦИФРИ индикация на екран за напрежението на всички включени акумулатори.
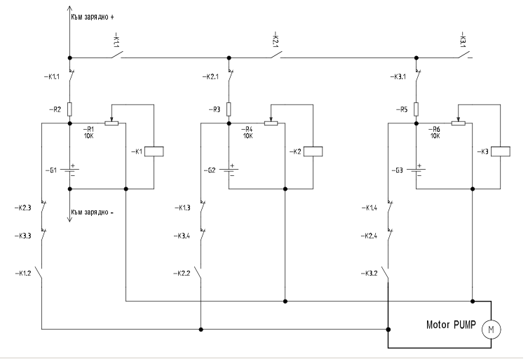
Ето една схема, която измислих пробвай я може и да рабати. R2, R3, R5...= Uзареждане/Iзареждане като мощността е на Uзареждане*Iзареждане, като I е токът, U е напрежението. Чрез потенциометрите R1, R4 и R6, когато няма акумулатор или когато акумулаторът е зареден настройваш така, че релето да сработи, ако релето се изключва при включване на помпата можеш малко да мръднеш потенциометрите така, че релето да остане сработило. За тази схема ще трябва да използва релета с по четири контакта. Ако искаш да разшириш за повече от 3 акумулатора, ще трябва да увеличиш броя на контактите на релетата.

Прикачен файл

Зарядно.png
Зарядно.png (24.42 KиБ) Видяна 1264 пъти
Майстора52 - помощник
ср ное 11, 2020 3:09 pmeleonorvelichkov написа:

Ето една схема, която измислих, пробвай я може и да работи.

R2, R3, R5...= Uзареждане/Iзареждане като мощността е на Uзареждане*Iзареждане, като I е токът, U е напрежението.
Чрез потенциометрите R1, R4 и R6, когато няма акумулатор или когато акумулаторът е зареден настройваш така, че релето да сработи, ако релето се изключва при включване на помпата можеш малко да мръднеш потенциометрите така, че релето да остане сработило.

За тази схема ще трябва да се използват релета с по четири контакта. Ако искаш да разшириш за повече от 3 акумулатора, ще трябва да увеличиш броя на контактите на релетата.
Идеята е много ценна.
Обаче ме учудват всичките тези 15 бр. ключове - предполагам, че това са КОНТАКТИТЕ (по 4бр.) на съответните 3 бр. Релета.

Тези Резистори (R2,R3, R5) и потенциометри (R1,R4,R6) май ще трябва да са доста мощни - поне 12(волта) х 5 (ампера) = 60 (вата), а това е голяма мощност, и ще трябва аз да навивам с кантал или нещо подобно. И съответно идеята да пропадне.
Имам идеята всички да са изпълнени с жични резистори - защото настройката на реле само с резистор е голяма "играчка".

Или просто да заменя резисторите и потенциометрите с Димери за съответната мощност...които също ще си правя аз.

Ще пробвам и ще кажа какво се случва. Само няма да е веднага, че имам куп други неща за направа.
eleonorvelichkov - специалист
ср ное 11, 2020 3:42 pmМайстора52 написа:
ср ное 11, 2020 3:09 pmeleonorvelichkov написа:

Ето една схема, която измислих, пробвай я може и да работи.

R2, R3, R5...= Uзареждане/Iзареждане като мощността е на Uзареждане*Iзареждане, като I е токът, U е напрежението.
Чрез потенциометрите R1, R4 и R6, когато няма акумулатор или когато акумулаторът е зареден настройваш така, че релето да сработи, ако релето се изключва при включване на помпата можеш малко да мръднеш потенциометрите така, че релето да остане сработило.

За тази схема ще трябва да се използват релета с по четири контакта. Ако искаш да разшириш за повече от 3 акумулатора, ще трябва да увеличиш броя на контактите на релетата.
Идеята е много ценна.
Обаче ме учудват всичките тези 15 бр. ключове - предполагам, че това са КОНТАКТИТЕ (по 4бр.) на съответните 3 бр. Релета.

Тези Резистори (R2,R3, R5) и потенциометри (R1,R4,R6) май ще трябва да са доста мощни - поне 12(волта) х 5 (ампера) = 60 (вата), а това е голяма мощност, и ще трябва аз да навивам с кантал или нещо подобно. И съответно идеята да пропадне.
Имам идеята всички да са изпълнени с жични резистори - защото настройката на реле само с резистор е голяма "играчка".

Или просто да заменя резисторите и потенциометрите с Димери за съответната мощност...които също ще си правя аз.

Ще пробвам и ще кажа какво се случва. Само няма да е веднага, че имам куп други неща за направа.
Единствено резиторите, които са последователно на акумулаторите, е необходимо да са по-мощни, защото през тях ще минава тока, за зареждане на акумулатора, а потенциометърът към релето не е необходимо да е мощен, защото токът през него е пренебрежимо малък. А мощни резистори до 120 вата има по магазините и не са скъпи. Ето http://tpetrov.com/search.php?maincat=% ... 98+50W&p=0
Да това са допълнителните контакти на релетата.
Майстора52 - помощник
ср ное 11, 2020 4:13 pmeleonorvelichkov написа:
Единствено резиторите, които са последователно на акумулаторите, е необходимо да са по-мощни, защото през тях ще минава тока, за зареждане на акумулатора, а потенциометърът към релето не е необходимо да е мощен, защото токът през него е пренебрежимо малък. А мощни резистори до 120 вата има по магазините и не са скъпи. Ето http://tpetrov.com/search.php?maincat=% ... 98+50W&p=0
Да това са допълнителните контакти на релетата.
Това е добра новина за мен, че потенциометрите остават същите, само трябва да подскажеш една минимална тяхна мощност - добре ли е да са от 1-2 вата при 10 кОм?
А резисторите в предложения сайт са обикновено от 14-20 Вата. Имаше само един от 50 Вата, и най-важното - всички те са с постоянно съпротивление, и не могат да подпомогнат Настройката на Релетата.
Мисля, че само Димери са спасението - колко е да налепя три димера за по 70-100 Вата.
eleonorvelichkov - специалист
ср ное 11, 2020 4:35 pmМайстора52 написа:
ср ное 11, 2020 4:13 pmeleonorvelichkov написа:
Единствено резиторите, които са последователно на акумулаторите, е необходимо да са по-мощни, защото през тях ще минава тока, за зареждане на акумулатора, а потенциометърът към релето не е необходимо да е мощен, защото токът през него е пренебрежимо малък. А мощни резистори до 120 вата има по магазините и не са скъпи. Ето http://tpetrov.com/search.php?maincat=% ... 98+50W&p=0
Да това са допълнителните контакти на релетата.
Това е добра новина за мен, че потенциометрите остават същите, само трябва да подскажеш една минимална тяхна мощност - добре ли е да са от 1-2 вата при 10 кОм?
А резисторите в предложения сайт са обикновено от 14-20 Вата. Имаше само един от 50 Вата, и най-важното - всички те са с постоянно съпротивление, и не могат да подпомогнат Настройката на Релетата.
Мисля, че само Димери са спасението - колко е да налепя три димера за по 70-100 Вата.
Потенциометрите ги съобрази с бобините на релетата, но мисля, че 1-2 вата даже е прекалено. Консумацията на бобините на релетата е доста малка в повечето случаи.
kozl - майстор
Ако потенциометъра е 2 W, това прави ток I=2/12 или 17 mA. T. e. релето трябва да работи с по-малък ток иначе потенциометъра ще изпуши.
eleonorvelichkov - специалист
ср ное 11, 2020 6:55 pmkozl написа:
Ако потенциометъра е 2 W, това прави ток I=2/12 или 17 mA. T. e. релето трябва да работи с по-малък ток иначе потенциометъра ще изпуши.
Управлението на релето може да се осъществи и чрез компаратор като му се подаде опорно напрежение чрез потенциометъра в желани граници и чрез транзитор да се управлява релето.
hidrazin - майстор
От целия цирк няма абсолютно никакъв смисъл.
Така че всякакви релета, компаратори, резистори, ардуинУна ... отпадат.
Насочете си мисЛАта към нещо полезно.
Успех. С полезното а не с това от темата.
:partyman:

Тема "Схема за последователно автоматично превключване на зареждането на два и повече акумулатори" | Включи се в дискусията:


Сподели форума:

Бъди информиран. Следвай "Направи сам" във Facebook:

Намери изпълнител и вдъхновения за дома. Следвай MaistorPlus във Facebook: