бе имам някакво китайско мултицетче ,ако за това питаш 
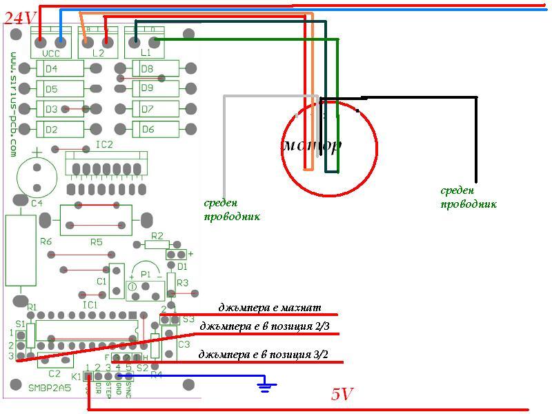
До колкото разбрах моят тип мотор е този ...:
До колкото разбрах моят тип мотор е този ...:
Прикачен файл
111.jpg (12.66 KиБ) Видяна 4640 пъти
Прикачен файл
Прикачен файл
Сподели форума:
Бъди информиран. Следвай "Направи сам" във Facebook:
Намери изпълнител и вдъхновения за дома. Следвай MaistorPlus във Facebook: