Място за идеи и желания за проектиране и изработка на готови проекти.
АБВ потребител - специалист
Става въпрос за едножилен кабел 16кв.Не мога да дам линк,мога да кажа в Пловдив къде съм ги гледал. :) Изолацията е нещо като черна гума.Видя ми се една и съща :)
emsy - специалист
Малко развитие и при мен.
Пуснах го на 220 В ( мостовата схема) , гледам със скопа пипам с ръце, ослушвам се,....да не стане някой сакатлък.
Но забелязах че при празен ход, на схемата, само е свързан трансформатора към моста със отворена вторична намотка, транзисторите почват да стоплят ( 50-60гр на око) . Без радиатор са сега.
Това нормално ли е.
Погледнах импулсите на Гейтовете и малко се притесних че са доста полегати фронтовете.
Ето как са ( 100нс/дел )
Прикачен файл:
Gate-E 100ns.JPG
Gate-E 100ns.JPG (5.25 KиБ) Видяна 1999 пъти
така пък са в малък мащаб.
Прикачен файл:
G-E Impuls.JPG
G-E Impuls.JPG (7.34 KиБ) Видяна 1999 пъти
Така е на на диагонала на моста, без да има нищо ( разкачен силов траф)
Прикачен файл:
mosta bez towar.JPG
mosta bez towar.JPG (9.75 KиБ) Видяна 1999 пъти
Как ви се струват?
По по какъв начин може да се намали времето за вкл. на ИГБТ тр-ра, защото като гледам е доста повече от колкото в дадените параметри.
Съпротивлението на гейта сега е 4,7 Ом, но дори и да го шунтирам , импусла съвсем леко се изправя.
:?:
АБВ потребител - специалист
Колега,по принцип не трябва да греят така.По коя по точно мостова схема работиш? Какво е напрежението на гейта ? Направи скопа на 5мкс/дел. и 5волт/дел. и мери на гейт -емитер ,да видим какво дава.Можеш ли да качиш схема на драйверите?? Като пробите са на празен ход естествено. :)
emsy - специалист
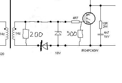
Схема - пълен мост, без резонанси и подобни магии :)
така се управляват ИГБТ тата ( но без снубера на C-E)
Изображение
Драйверните тр-ри са на 15 V и се движат от TC4424 .
Импулсите на драйверните тр-ри са добри - стръмни фронтове.

Тук е както каза: Г-Е : 15 V
Прикачен файл:
Г-Е ИГБТ.JPG
Г-Е ИГБТ.JPG (6.39 KиБ) Видяна 1947 пъти
Тук е на входа на трансформатора( без него- на празен ход) но при понижено напрежение (70V)
Прикачен файл:
sil tr-r 70 V prazen hod.JPG
sil tr-r 70 V prazen hod.JPG (11.08 KиБ) Видяна 1944 пъти
При 230 В :
Понатоварих изхода на силовия тр-р с реотан 1-2 ома , тока стигна 30-40 A. Сложил съм малки радиатори за сега и пробите са за по 10-тина секунди. Стоплят се радиаторите но не фрашпиращо.
Rегулирането на тока сработва, импулсите се свиват.
АБВ потребител - специалист
Писал си 10в/дел. ,да не е грешка. Пробвай с така направен драйвера, може даже да намалиш делитела пред транзистора още ако искаш .Пробвай го. :) Ако напрежението е ниско увеличи стойноста на 200-омовия резистор.При това запълване напрежението трябва да е наполовина.Тук е важно напрежението на импулса ,което ти дава на скопа ,не постоянното напрежение на гейта,което мериш.Но пробвай при разкачен траф първо,да не стане фал.Аз не ги харесвам тези драйвери с траф,защото имат един недостатък.Когато изменяш коефицента на запълване в първичната намотка,се изменя и входящата мощност на трафа, оттам и напрежението на гейта.Но като се напрявят читаво държат здраво.Това да не те притеснява :)Може да пробваш и този:
Прикачен файл:
draiwer in.jpg
draiwer in.jpg (41.46 KиБ) Видяна 1927 пъти
Прикачен файл:
драйвер Нег..jpg
драйвер Нег..jpg (27.83 KиБ) Видяна 1912 пъти
emsy - специалист
Благодаря ти за обясненията :)
Може да съм качил грешна осцилограма, но имам в пред вид че на Гейта отива импулс 15V.
Ще пробвам твоята схема, да видим.
Драйверните тр-ри са 'купешки' - купени са, не съм ги правил и мисля добре се държат.
Но искам първо да направя платката със моста, че сега е малко полувисящ монтаж.
Много се радвам че има хора като вас да помагат на нас - заблудените :-D
АБВ потребител - специалист
Не бързай с направата на платките,първо се увери че работи добре че тогава сглобявай :) използвай макетни платки,по лесно е. :wink:
yangi - специалист
Здравейте и от мен нямаше ме дълго време. Подготвил съм малко снимки, ама нямам време да ги кача.
Pansim1 - специалист
АБВ потребител, твърденията ти за работата на драйверния траф, са напълно неверни!
АБВ потребител - специалист
Pansim1 написа:
АБВ потребител, твърденията ти за работата на драйверния траф, са напълно неверни!


Е па що да са неверни :) То е същото и при силовия траф.Като регулираш изходния ток чрез свиване на импулса защо се променя мощноста във вторичната намотка , я кажи сега :) а знаем че при изменение на мощността се променя и напрежението, без да променяш навивките на вторичната. Ти нали си замервал заваръчен траф,защо като изменяш степените в първичната н. се изменя и напрежението на празен ход.Така при еднакъв товар пада на напрежение е различен.То е същото просто променяш входящата мощност ,или с други думи количеството енергия която влиза в трафа ,повечето енергия увеличава потенциалната разлика между двата края на намотката,демек напрежението. Енергията не можем да измерим,мерим нейната сила и разликата в потенциалите между две точки от веригата. Разбира се, ток и напрежение . Е ако това беше не вярно,както казваш, щях ли да праскам по 20- 30електрода 3,2 без прекъсване с пълния мост без да се включи термо защитата която е на 75гр. Драйверите се делят на два вида по принцип,такива които работят на фиксиран ток или напрежение и такива които работят на пропорционален ток и напрежение. Неискам да споря ,както всеки знае ,така. :)

Yangi ,Здравей :) и аз нямам в момента време за електрожените,но мисленно работя върху една идея ,живот и здраве ще видите за какво става въпрос :)
Последна промяна от АБВ потребител на чет май 10, 2018 6:02 pm, променено общо 2 пъти.

Тема "Изработка на инверторен електрожен" | Включи се в дискусията:


Сподели форума:

Бъди информиран. Следвай "Направи сам" във Facebook:

Намери изпълнител и вдъхновения за дома. Следвай MaistorPlus във Facebook: