Благодаря! Ще се опитам тия дни да смъкна характеристиките на бойлера и да снимам фланеца. Панели не мога да закача повече. Има и друг проблем - огромна искра когато се изключва под товар. В момента съм решил въпроса с един голям изключвател с искрогасител (старичък и голям, но всичко друго изгоря). Незнам какво ще се случи и с терморелето, едно вече смених с нагорели контакти. Бойлера май е на Елдоминвест и е 3 Kw. Но ще снимам 
Място за идеи и желания за проектиране и изработка на готови проекти.
nasko_a
- специалист
420 мнения в "Соларна система за ток 1 kW захранваща бойлер с топла вода"
ivanovbg
- майстор
- Мнения: 5269
Колега, мързеше ме да изчета цялата тема, но експериментирай с един кондензатор вързан между контактите. Нали едно време слагаха такъв на чукчетата на автомобилите точно поради тази причина. Като за начало пробвай с пусков кондензатор от някоя стара автоматична перална. Би трябвало да се получи.
saraneron
- специалист
- Мнения: 679
nasko_a написа:Благодаря! Ще се опитам тия дни да смъкна характеристиките на бойлера и да снимам фланеца. Панели не мога да закача повече. Има и друг проблем - огромна искра когато се изключва под товар. В момента съм решил въпроса с един голям изключвател с искрогасител (старичък и голям, но всичко друго изгоря). Незнам какво ще се случи и с терморелето, едно вече смених с нагорели контакти. Бойлера май е на Елдоминвест и е 3 Kw. Но ще снимамНа лично съобщение съм ти пратил скайпа си ако искаш са се чуем.
nasko_a
- специалист
- Мнения: 84
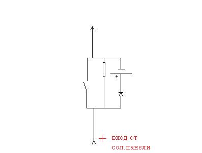
Проблема с искрата мисля, че почти е решен с помощта на saraneron! паралелно на изключвателя RC верига - електролитен кондензатор и диод. Няма слънце засега за да го включа постоянно, но при пробите имаше слънце и искрата беше изчезнала.
Прикачен файл
Switch.jpg (5.29 KиБ) Видяна 5126 пъти
ESPACE
- майстор
- Мнения: 3772
Схемата за искрогасене трябва да е съпротивлението последователно на кондензатора, а диода паралелно на съпротивлението. Поляритета на диода не си спомням как трябваше да бъде, но това беше най-добре работещата схема за искрогасене при управление на индуктивни товари захранвани с постоянно напрежение.
bai_shefa
- помощник
- Мнения: 11
Здравейте, колеги. Много интересна тема и много полезна за мен. Поздравления на nasko_a за мерака и майсторлъка.
В тази схема за гасене на дъгата, диода трябва да е така свързан, че кондензатора да се зарежда през него и да се разрежда през резистора.
Иначе и аз съм намислил да правя система като на nasko_a с 4 панела по 30V на 8А и нагревател от старите: 1kW + 2kW, които ще са в паралел 16ohm. Само че тук гледам, че има някакви големи проблеми с прекъсвачите и дъгите. 32A/220V прекъсвач гори при положение, че токa в тази система е не по-голям от 5.5A, а напрежението от 180V, верно че е постоянно но все пак. Явно понеже прекъсвача е ръчен и дъгата гасне бавно го стапя за няколко седмици.
В моя бойлер, в момента терморегулатора управлява контактор, който комутира нагревателите (това е при захранване от мрежата). При ентуалната фотоволтаична система, която ще правя мисля да сложа втори контактор, който също ще се управлява от терморегулатора. Не искам да използвам кондензатори, диоди и резистори, за да мога да си превключвам бойлера към мрежата, кoгато се налага.
Да ви попитам колеги, какво мислите за идеята с контактора би ли издържал ако е примерно ~16А/380V и рабти на -8A/120-160V, също и времето му за изключване е 10-12ms?
А по въпроса с инвертора в система с нагревател и панели, поне по мое мнение смятам, че е излишен. Струва много има си собствени загуби, самогаси се като няма достатъчно захранване за него, винаги може да му се повреди нещо с хилядите електроники.
В тази схема за гасене на дъгата, диода трябва да е така свързан, че кондензатора да се зарежда през него и да се разрежда през резистора.
Иначе и аз съм намислил да правя система като на nasko_a с 4 панела по 30V на 8А и нагревател от старите: 1kW + 2kW, които ще са в паралел 16ohm. Само че тук гледам, че има някакви големи проблеми с прекъсвачите и дъгите. 32A/220V прекъсвач гори при положение, че токa в тази система е не по-голям от 5.5A, а напрежението от 180V, верно че е постоянно но все пак. Явно понеже прекъсвача е ръчен и дъгата гасне бавно го стапя за няколко седмици.
В моя бойлер, в момента терморегулатора управлява контактор, който комутира нагревателите (това е при захранване от мрежата). При ентуалната фотоволтаична система, която ще правя мисля да сложа втори контактор, който също ще се управлява от терморегулатора. Не искам да използвам кондензатори, диоди и резистори, за да мога да си превключвам бойлера към мрежата, кoгато се налага.
Да ви попитам колеги, какво мислите за идеята с контактора би ли издържал ако е примерно ~16А/380V и рабти на -8A/120-160V, също и времето му за изключване е 10-12ms?
А по въпроса с инвертора в система с нагревател и панели, поне по мое мнение смятам, че е излишен. Струва много има си собствени загуби, самогаси се като няма достатъчно захранване за него, винаги може да му се повреди нещо с хилядите електроники.
estqwerty
- специалист
- Мнения: 253
подобна система - обясняват как са навързани нагревателите.
http://fire.nist.gov/bfrlpubs/build02/PDF/b02012.pdf
http://fire.nist.gov/bfrlpubs/build97/PDF/b97018.pdf
http://sel.me.wisc.edu/trnsys/downloads ... pvsdhw.htm
http://fire.nist.gov/bfrlpubs/build02/PDF/b02012.pdf
http://fire.nist.gov/bfrlpubs/build97/PDF/b97018.pdf
http://sel.me.wisc.edu/trnsys/downloads ... pvsdhw.htm
Тема "Соларна система за ток 1 kW захранваща бойлер с топла вода" | Включи се в дискусията:
Сподели форума:
Бъди информиран. Следвай "Направи сам" във Facebook:
Намери изпълнител и вдъхновения за дома. Следвай MaistorPlus във Facebook:
Имаш нужда от подходящ професионалист за дома?
- Преустройство, ремонт и реновиране
- ↳ Вашите ремонти
- ↳ Кухня
- ↳ Баня
- ↳ Дневна
- ↳ Спалня
- ↳ Детска
- ↳ Градина
- ↳ Коридор
- ↳ Тераса и балкон
- Направи сам
- ↳ Направи сам
- ↳ Ремонтирай сам
- ↳ Къде е по-евтино?
- ↳ Дърводелство
- ↳ Ел. инструменти
- ↳ Металообработване
- ↳ Конкурс "Направи сам 2012"
- Строителство
- ↳ Всичко за вилата
- ↳ Къщи
- ↳ Саниране
- ↳ Хидроизолация
- ↳ Пасивни и нискоенергийни сгради
- Сухо строителство
- ↳ Окачени тавани
- ↳ Преградни стени и предстенни обшивки
- ↳ Сухи и повдигнати подове
- ↳ Декоративни елементи - колони, трегери, сводове и др.
- ↳ Всичко за гипскартона и гипсфазера
- Въпроси и Отговори
- ↳ Полезни съвети
- ↳ Автомобили
- ↳ Партньори
- ↳ Боядисване и Декориране
- ↳ Вентилация, климатици и термопомпи
- ↳ Водоснабдяване и канализация.
- ↳ Всичко за ремонта
- ↳ Електротехника
- ↳ Отопление
- ↳ Газификация
- ↳ Електроника и Схеми
- ↳ Газобетон
- ↳ От всичко по малко
- ↳ Компютри и периферия
- ↳ Уеб дизайн, PHP, MySQL, JavaScript, HTML..
- ↳ Мобилни устройства, GSM-и
- ↳ Нека се запознаем
- ↳ Recycle Bin
- Статии
- ↳ Практични решения
- ↳ Качване на снимки
- ↳ Какви статии искате?
- ↳ Готварство, туршии и зимнина
- ↳ Отмора и шеги
- ↳ От нищо нещо
- ↳ Не е за вярване
- ↳ Литература
- ↳ Връзки към Интересни сайтове
- Магазин
- ↳ Препоръки и Мнения за он-лайн магазина
- ↳ Крадeни инструменти !!!