• 1
  • 35
  • 36
  • 37
  • 38
  • 39
  • 103
Място за идеи и желания за проектиране и изработка на готови проекти.
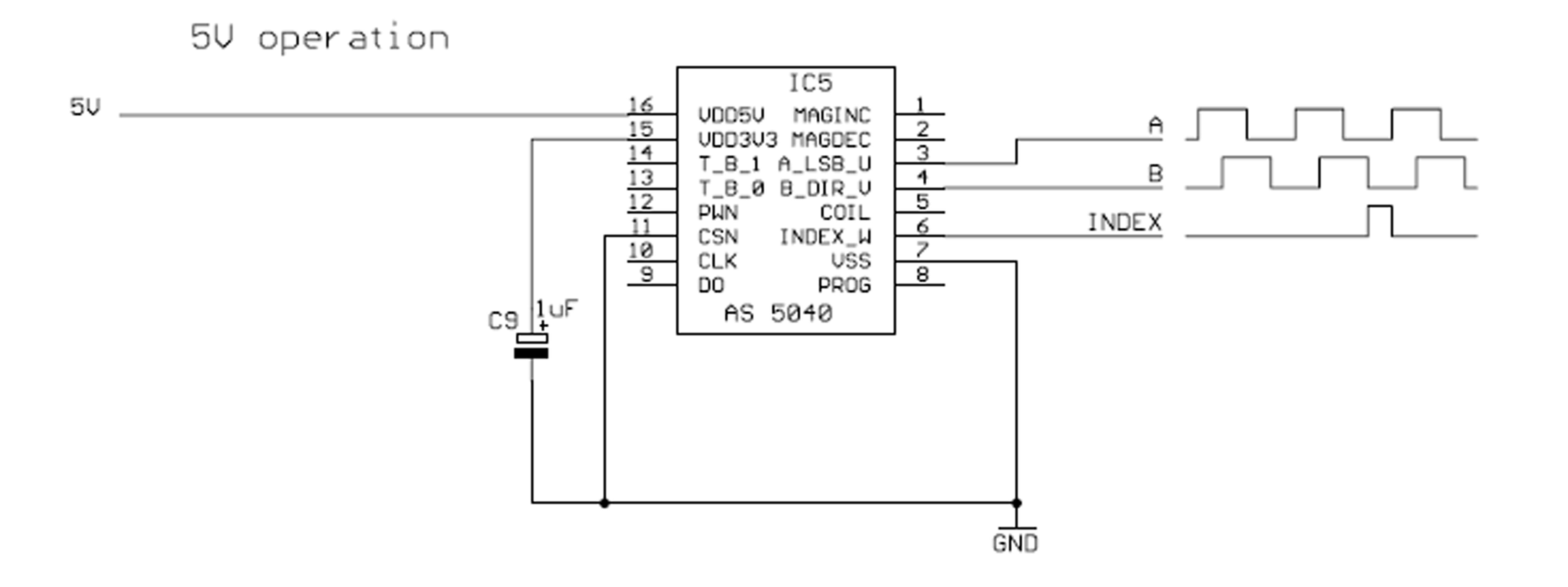
Няма какво да замерваш с АЦП . На AS5040 имаш два изхода TTL съвместими изходи А и Б.
AS5040 е за предпочитане, изпробван е. Това което говориш за грешката не е вярно.
AS5045-ASSU 12bit за предпочитане е AS5040-ASSU 10-bit resolution providing 1024 absolute position per 360 degrees (step size ~ 0.35 deg). AS5040-ASSU 10-bit има два TTLсъвместими изходи А и Б и не ти трябва АЦП за замерване.

Прикачен файл

Untitled-789.jpg
dangelov - напреднал
Относно изработването на печатни платки- най-добри резултати се получават с Pozitiv20-в домашни условия. Ецване с железен трихлорид или смес от кислол и перхидрол.
PhD - специалист
Здравейте, имам една молба за сервоконтролера от този сайт: http://elm-chan.org/works/smc/report_e.html
ако някой от форума е пускал този контролер, моля да ми пише какви настройки трябва да се направят за да тръгне да работи с импулси за стъпка и посока. Благодаря предварително :)
nunep - специалист
Здравей PhD,
и аз започнах да го правя този контролер, но имам проблем с намирането на някой от частите:
транзистор - 2sk1653
диод - 1ju42
би ли ми казал от къде си ги намерил или поне техни аналози. Благодаря!
За енкодер намерих интересен сайт и мисля него да използвам поне за пробите:
http://www.audiohms.com/products/dc_ser ... _motor.htm
Pandurko - специалист
nunep написа:
транзистор - 2sk1653
диод - 1ju42
IRF540
SF15 GLX
http://store.comet.bg/bg/Catalogue/
PhD - специалист
Да, и аз го направих със същите. Силовата част си работи добре с един двигател 2,5А но имам проблем с контролера - не мога да заложа настройките на сервото!?!??
MrMurdjo - майстор
Или аз нищо не съм научил за 40 години ровичкане в електроника, или не разбирам правилно английския език в описанието, или просто съм купил дефектни чипове TB6560AHQ. Ударих на голям камък и нямам база за сравнение в поведението им и как да проверя дали са читави. Вярно, че са малко като рохки яйца и с много капризни изисквания, ама чак пък толкоз ...
Някой блъскал ли си е ангелите с тях? Евентуално да сподели някои неща. Независимо от тестовата постановка, а пробвах три, схемите не оживяват нито за миг, дори при съвсем занижени товарни показатели.
Pandurko - специалист
На стр.28 има една поредица при вкл. и изкл. Пише, че ако не се спазва чипа вероятно ще умре. На 29стр. също има неща относно изолацията на топлоотвеждащите пинове и цокъла.
Предполагам че ПДФа го знаеш на изуст де, но пак да си кажа. При вкл./изкл. на Високото напрежение трябва да се внимава, защото обикновения траф винаги хвърля пикове от преходните поцеси. Аз шунтирам с 2 яки ценера с няколко волта под макс. за схемата. В случая 34в, тоест не трябва да си помисляш за повече от 30в за нормална работа.
Винаги съм мразел такива черни кутии дето вършат магии, но не се ли получи, каквото трябва може само да седиш и да мигаш. Иначе това чудо върши всичко, за което може да се сети човек.
MrMurdjo - майстор
Докато не се убедя, че разполагам с изправен чип, просто се отказвам. То е стрелба напосоки в тъмното.
Това, за което говориш, съм го спазил - вдигане на сигнала RESET и ENABLE след установяване на 5 волта захранване на управлението. МОСФЕТ ключ, който пуска захранването на мотора, когато се установят петте волта. За пробата съм сложил падови резистори по 1 ом = половин ампер максимален ток, а напрежението за мотора е 12 волта.
Все пак, на някои от китайските нищо от това не е спазено, но заработват, макар и понякога за кратко.
Три чипа пробвам, и трите дори не дават признак на живот за момент - чопърът не тръгва, на крачето на кондензатора за неговия осцилатор няма никаква генерация на импулси. Дори с повдигащи резистори на контролните входове за режимите, единия за въртящия момент и един за затихването на възбуждащия ток си стоят на логическа нула - т.е. консумират ток. При тези условия чипът е готов да се опържи за секунди, така бързо се нагрява - мостовете вътре явно са отворени на случаен принцип.
Питах в големия CNC форум, когато се захрани само слаботоковата част и се разреши работата, тръгва ли осцилатора на чопъра, но никой не ми даде смислен отговор.
В крайна сметка, може и да е добър чип (което аз не споделям, защото явно е правен да се управлява от микроконтролер и в много стерилни условия), за грубата среда на една CNC машина просто е въпрос на късмет кога ще изгори с тези си капризни изисквания.
Ще минавам на други варианти.
  • 1
  • 35
  • 36
  • 37
  • 38
  • 39
  • 103

Тема "CNC електроника, управление на стъпкови и серво мотори" | Включи се в дискусията:


Сподели форума:

Бъди информиран. Следвай "Направи сам" във Facebook:

Намери изпълнител и вдъхновения за дома. Следвай MaistorPlus във Facebook: