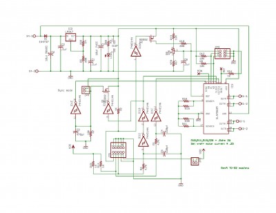
Благодаря колеги. Проверих линковете иустанових че те излизат златни. Ще ги поръчам от Ибея. Ако някои иска да свирка да взема повече.
tsenkov,
вижза чиповете и тук: http://www.futurel.bg/index.php
