За да се изработи точен детайл на CNC е необходимо идеалното синхронизиране на всички оси помежду си и не виждам проблем в синхронизирането на два мотора само заради това, че работят в една ос. Според мен използването на един драйвер за два двигателя не е добро решение, особено като се има предвид, че самата конструкция не предполага икономии.
Място за идеи и желания за проектиране и изработка на готови проекти.
mika
- специалист
5467 мнения в "CNC машина гравьор"
shulio
- специалист
- Мнения: 440
Въпроса не е в синхронизирането то е ясно, че трябва да синхоризирани осите.Опасението идва от това, че със стъпкови мотори не може да избегнеш на теория, че дори при еднакви драйвери,напрежение, мотори и така нататък все пак единия от моторите може да забрави няколко стъпки а другия да си ги изпълни.
skat
- специалист
- Мнения: 136
STEPER, не съм искал да те обиждам с поста си, извинявай за езика ми. Уважавам те като човек, който е наясно какво прави и в никакъв случай не търся конфронтация с теб, още повече, че ти си един от хората, които ме приеха добронамерено във форума. Като игнорираш онова, което те е подразнило във въпроса ми, би ли аргументирал избора си за двумоторно задвижване? Мисля, че за всички нас ще е интересно да разберем логиката на такова задвижване - т.е. причините, които те карат да въведеш втора ос и мотор?
Последна промяна от skat на чет фев 25, 2010 2:17 pm, променено общо 1 път.
realcnc.com
- помощник
- Мнения: 12
Продаваме стъпкови мотори
6 броя х 1.8 Nm
3 са биполярни и 3 с 8 проводника - за би или уни-полярно използване.
Цена - 73 лв за брой.
Продават се като комплекти по 3 броя, с наложен платеж по ЕКОНТ.
Заявки на : realcnc@gmail.com
Поздрави
6 броя х 1.8 Nm
3 са биполярни и 3 с 8 проводника - за би или уни-полярно използване.
Цена - 73 лв за брой.
Продават се като комплекти по 3 броя, с наложен платеж по ЕКОНТ.
Заявки на : realcnc@gmail.com
Поздрави
Прикачен файл
18_nm.jpg (64.13 KиБ) Видяна 4733 пъти
- Мнения: 6
Здравей STEPER,
Зависи какво точно искаш да постигнеш.Ако идеята е да ползваш по-маломощни двигатели - това е решението.Но имай в предвид,че дори и да подбереш двойка двигатели чрез измерване на намотките,това не означава че магнитните характеристики на роторите ще са 100% еднакви. Недостатък на това задвижване според мен разбира се е,че пропускане на стъпки на един от моторите би довело до заклинване и спиране на оста тотално.При един мотор на ос в най-лошия случай това ще се отрази на точността на детайла. Аз бих предпочел един по-мощен мотор и ако имам нужда от винтове и на двете направляващи,бих свързал двата винта със зъбен ремък.Разбира се и това решение си има недостатъци от финансова гледна точка основно - ремъка и зъбните колела за него никак не са евтини.
Зависи какво точно искаш да постигнеш.Ако идеята е да ползваш по-маломощни двигатели - това е решението.Но имай в предвид,че дори и да подбереш двойка двигатели чрез измерване на намотките,това не означава че магнитните характеристики на роторите ще са 100% еднакви. Недостатък на това задвижване според мен разбира се е,че пропускане на стъпки на един от моторите би довело до заклинване и спиране на оста тотално.При един мотор на ос в най-лошия случай това ще се отрази на точността на детайла. Аз бих предпочел един по-мощен мотор и ако имам нужда от винтове и на двете направляващи,бих свързал двата винта със зъбен ремък.Разбира се и това решение си има недостатъци от финансова гледна точка основно - ремъка и зъбните колела за него никак не са евтини.
STEPER
- специалист
- Мнения: 939
Благодаря на всички,за отговорите и вниманието което ми отделихте.
Ето и следващото развитие на модела.
Обърнете внимание на разположението на осите X и Y
и как работят в почти една и съща равнина.
Как ниско е изнесен центъра на тежеста и центъра на обработка на детайла.
На мен поне това ми дава увереност за стабилност и точност.
За сега от проекта не съм се отказал.
Поздрави
Ето и следващото развитие на модела.
Обърнете внимание на разположението на осите X и Y
и как работят в почти една и съща равнина.
Как ниско е изнесен центъра на тежеста и центъра на обработка на детайла.
На мен поне това ми дава увереност за стабилност и точност.
За сега от проекта не съм се отказал.
Поздрави
Прикачен файл
v2m21_2.jpg (26.56 KиБ) Видяна 4727 пъти
zz_stefanov
- майстор
- Мнения: 4039
STEPER, прав си че е механично по стабилно, но ако възникне ралика между двата мотора тя ще си остане и след работата за следващия сеанс, а продължи ли да се работи с отместване всичката стабилност на системата ще си замине. Понеже надали ще има някаква система за контрол на едновременното въртене, бих сложил на двата вала шайби с маркери за да се конролира дали са в синхрон.
svetliopi44
- Чирак...
- Мнения: 2115
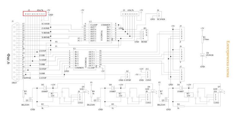
Здравейте момчета . Нещо и аз се оплетох с електрониката.
1. Светодиода на контролера свети постоянно което както разбрах не трябва да е така.
2. За какво служи конектора J2 на показаната схема по-долу , какво се връзва за него ???
Питах фирмата производител и тя ми отговори следното:

1. Светодиода на контролера свети постоянно което както разбрах не трябва да е така.
2. За какво служи конектора J2 на показаната схема по-долу , какво се връзва за него ???
Питах фирмата производител и тя ми отговори следното:
Конектора J2 е за връзка с компютъра през ЛПТ порта ...
Прикачен файл
untitled.jpg (35.83 KиБ) Видяна 4726 пъти
svetliopi44
- Чирак...
- Мнения: 2115
Оправих се колеги ... всичко за сега е
ок ...
http://www.vbox7.com/play:f11e028f
http://www.vbox7.com/play:c92d6141
ELEMENTAL
- специалист
- Мнения: 909
J2 и J3 са резисторни матрици (4,7К), а не конектори.Относно светодиодите на контролера:
D1- свети при включено захранване
D2- свети при вкл. реле К1
D3- свети при вкл. реле К2
D4- свети при вкл. реле К3
Светодиода на драйвера пък свети, когато двоичната дума на изходите на L297 е различна от АBCD = 0101 (която пък е стартовата комбинация след RESET или вкл. на захранването).При движещ се мотор светодиода трябва да премигва.
D1- свети при включено захранване
D2- свети при вкл. реле К1
D3- свети при вкл. реле К2
D4- свети при вкл. реле К3
Светодиода на драйвера пък свети, когато двоичната дума на изходите на L297 е различна от АBCD = 0101 (която пък е стартовата комбинация след RESET или вкл. на захранването).При движещ се мотор светодиода трябва да премигва.
Прикачен файл
2_phase_on_l297.jpg (43.07 KиБ) Видяна 4725 пъти
Тема "CNC машина гравьор" | Включи се в дискусията:
Сподели форума:
Бъди информиран. Следвай "Направи сам" във Facebook:
Намери изпълнител и вдъхновения за дома. Следвай MaistorPlus във Facebook:
Имаш нужда от подходящ професионалист за дома?
- Преустройство, ремонт и реновиране
- ↳ Вашите ремонти
- ↳ Кухня
- ↳ Баня
- ↳ Дневна
- ↳ Спалня
- ↳ Детска
- ↳ Градина
- ↳ Коридор
- ↳ Тераса и балкон
- Направи сам
- ↳ Направи сам
- ↳ Ремонтирай сам
- ↳ Къде е по-евтино?
- ↳ Дърводелство
- ↳ Ел. инструменти
- ↳ Металообработване
- ↳ Конкурс "Направи сам 2012"
- Строителство
- ↳ Всичко за вилата
- ↳ Къщи
- ↳ Саниране
- ↳ Хидроизолация
- ↳ Пасивни и нискоенергийни сгради
- Сухо строителство
- ↳ Окачени тавани
- ↳ Преградни стени и предстенни обшивки
- ↳ Сухи и повдигнати подове
- ↳ Декоративни елементи - колони, трегери, сводове и др.
- ↳ Всичко за гипскартона и гипсфазера
- Въпроси и Отговори
- ↳ Полезни съвети
- ↳ Автомобили
- ↳ Партньори
- ↳ Боядисване и Декориране
- ↳ Вентилация, климатици и термопомпи
- ↳ Водоснабдяване и канализация.
- ↳ Всичко за ремонта
- ↳ Електротехника
- ↳ Отопление
- ↳ Газификация
- ↳ Електроника и Схеми
- ↳ Газобетон
- ↳ От всичко по малко
- ↳ Компютри и периферия
- ↳ Уеб дизайн, PHP, MySQL, JavaScript, HTML..
- ↳ Мобилни устройства, GSM-и
- ↳ Нека се запознаем
- ↳ Recycle Bin
- Статии
- ↳ Практични решения
- ↳ Качване на снимки
- ↳ Какви статии искате?
- ↳ Готварство, туршии и зимнина
- ↳ Отмора и шеги
- ↳ От нищо нещо
- ↳ Не е за вярване
- ↳ Литература
- ↳ Връзки към Интересни сайтове
- Магазин
- ↳ Препоръки и Мнения за он-лайн магазина
- ↳ Крадeни инструменти !!!

