Място за идеи и желания за проектиране и изработка на готови проекти.
gorgidanchev - специалист
При мен нещата потръгнаха.Единия драйвер работи .Утре ще оправя и другите.
velsi - Почетен майстор
svetliopi44 написа:
Имам един въпрос...
По схема имам 3 транзистора IRLZ24N ... а съм сложил IRFZ44N (752P)
Релета по схема RAS-12 сложени HJR-3FF-S-Z
Ще има ли проблем ...
:? :?
Не би трябвало да имаш проблем, ако транзисторите са със същата полярност. Релетата са в ред. Като цяло се справяш добре. По каква схема е този контролер? Моя е друг. Да не забравиш да запоиш мостчета.
ELEMENTAL - специалист
Svetliopi44, ок са ти елементите.Даже по-принцип 44N са с малко по-добри параметри от 24N.Иначе не е зле да постнеш схемата на контролера за да я проверим за възможни грешки :roll: .
Georgidanchev, би ли споделил къде се оказа проблема?
svetliopi44 - Чирак...
Благодаря ви момчета .
Проблем се оказа намирането на интеграл L297 както и конекторите с малка стъпка .
Учудващ е и факта че в всеки магазин има магазинерка по-не на ясно и от мен за компонентите...

Елементал
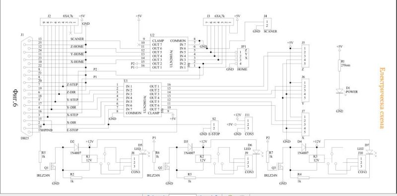
... ето схемата , не знам дали се вижда хубаво ...

Прикачен файл

kontroler.jpg
kontroler.jpg (38.72 KиБ) Видяна 5402 пъти
nkk
Svetliopi44, ок са ти елементите.Даже по-принцип 44N са с малко по-добри параметри от 24N.Иначе не е зле да постнеш схемата на контролера за да я проверим за възможни грешки Rolling Eyes .
Georgidanchev, би ли споделил къде се оказа проблема?
То хубаво 44N са с по-добри параметри,но някой да е обърнал внимание,че IRLZ24N са logic gate транзистори? :-D - тоест гейта им се управлява с логическо ниво.
44-ките може и да работят до към 200-500mA ток, но при по-големи токове най-вероятно ще се "опържат" защото им трябва поне 10-12V на гейта за да могат да "щракат" както трябва.
Ама нищо не пречи да пробваш какъв ще е резултата :wink: .Току виж си попаднал на добри екземпляри 44-ки.
STEPER - специалист
svetliopi44 написа:
Благодаря ви момчета .
Проблем се оказа намирането на интеграл L297 както и конекторите с малка стъпка .
Учудващ е и факта че в всеки магазин има магазинерка по-не на ясно и от мен за компонентите...

Елементал
... ето схемата , не знам дали се вижда хубаво ...
L297 тук - http://www.tpetrov.com/search.php?s=l297,
а за конектори ще питаш за иглени рейки със стъпка 2.5 мм,/режеш си от тях колкото ти трябват/
Със сигурност ги има в Comet. Мъжките за платката а женските за кабелчето :yawinkle:
IRLZ24N можеш да си поръчаш от FARNELL http://at.farnell.com/jsp/search/browse ... tid=735515 чрез Comet.
Поздрави
Последна промяна от STEPER на ср фев 17, 2010 10:59 pm, променено общо 1 път.
nkk
:? Опсс.
Ще стане - няма проблем. В началото реших,че ги ползват за стъпковите мотори,но сега погледнах схемата и се усетих,че "специалистите" от Сириус са сложили по един 17 амперов транзистор да щракат едно 12-волтово реле :respekt:
И между другото,схемата която си дал е на интерфейсната платка между паралелния порт на компютъра и драйверите за стъпковите мотори.
svetliopi44 - Чирак...
Благодаря колега ... а можеш ли да ме упътиш къде се намира Комет :?

nkk
И между другото,схемата която си дал е на интерфейсната платка между паралелния порт на компютъра и драйверите за стъпковите мотори.

Да ...просто така кръстих файла за да го сложа ... мое не доглеждане...
Последна промяна от svetliopi44 на ср фев 17, 2010 11:03 pm, променено общо 1 път.
STEPER - специалист
svetliopi44 написа:
Благодаря колега ... а можеш ли да ме упътиш къде се намира Комет :?
На ул.Парчевич и Самуил на ъгъла
ELEMENTAL - специалист
Svetliopi44, с конектори е пълно в столицата - не знаеш къде да търсиш.Трябват ти такива със стъпка 2,54мм.Има такива в Комет, Пасат, Електронинвест и сигурно още в поне 20-на магазина.Що се отнася до L297 - наистина дефицитна интеграла е.Преди я имаше в Пасат и в eshop.bg.
Относно схемата - ИС ULN2003 са напълно ненужни.Освен това, че се използват като инвертори друга файда от тях не виждам (обаче инвертирането доколкото ми е известно може да се извърши и софтуерно).Използването на мощни полеви транзистори (19А) за превключването на маломощни (30mA) релета просто няма да го коментирам :kotz: .На тяхно място може да се сложат маломощни NPN транзистори от типа 2T6551,2N5551, 2N2222 и др.В този случай и цената на контролера ще се намали с поне 2 лева :idea: .
Nkk, да си си направил труда случайно да погледнеш волт-амперните характеристики на IRFZ44N?Май не си.Ще ти кажа само, че с гейтово напрежение 5 волта сам управлявал 4А моторче бе никакви проблеми.Гейтово напрежение от 10-12V би било необходимо, ако трябваше да се комутира доста голям ток (примерно 20-30А).Реленцата обаче са с консумация 30-40mA .

Тема "CNC машина гравьор" | Включи се в дискусията:


Сподели форума:

Бъди информиран. Следвай "Направи сам" във Facebook:

Намери изпълнител и вдъхновения за дома. Следвай MaistorPlus във Facebook: