• 1
  • 2
Всичко свързано с тоците ми е слабост, опитайте се да ме затрудните.
sez_djebel - специалист
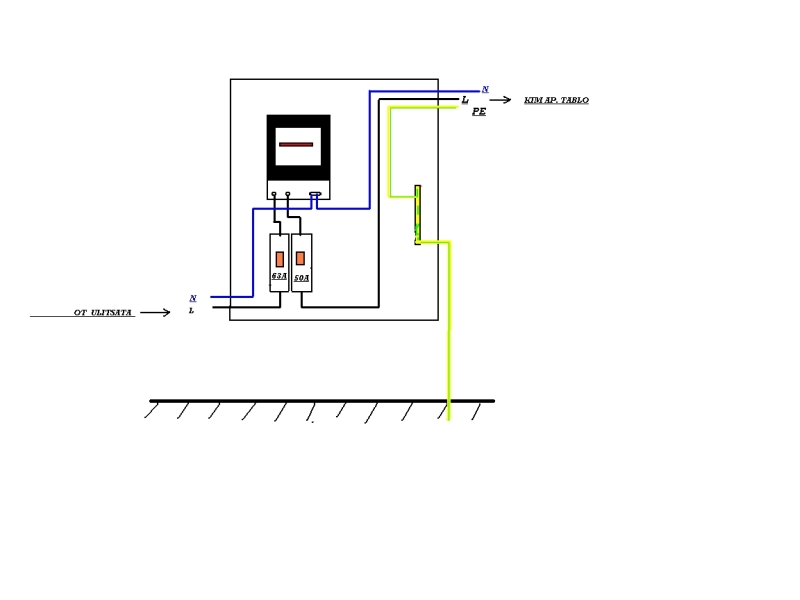
Чертането не ми се отдава много ,но схемата е моя и всъщност с нея изпробвах начина на качване във форума. Може и коментари по нея...

Прикачен файл

ЕЛ.СХЕМА С ДТЗ.jpg
ЕЛ.СХЕМА С ДТЗ.jpg (78.69 KиБ) Видяна 11254 пъти
mirk - майстор
Сезго схемата изглежда добре направена, спазени са изискванията за монтаж на ДТЗ - отделна нула и земя. За осветление може да използваш и двужилен кабел. За кухнята е хубаво да имаш поне още един токов кръг отделно за готварска печка. :)

Между другото ако захранващата линия е двупроводна (фаза и нула), тогава може да се използва и табло със само една нулева шина. Ти беше споменал за такива табла. :shock: Тогава земя и нула са на една шина преди ДТЗ.
Нулата преминава през ДТЗ и отива към консуматора, земята отива директно на заземяване на контактите.Тука вече не трябва да има връзка между тях :!:
Palawnik - специалист
Браво :klatsch: :2thumbs:
Справил си се и с двете неща.
Поздравления
astor - специалист
Аз имам едно питане. Този жълтя(PE) проводник от каде ти идва? Това значи, че имаш заземяване и имаш TNS инсталация която ти влиза на входа на таблото. Нека хората които имат опит да кажат как се проверява дали този PE проводник е ОК. Има ли начин да се измери?
Милен - майстор
Сезго извинявам се ако съм те засегнал в темата ти за ДТЗ :irre3: :headbash: :datz:

На въпроса на astor
astor написа:
Аз имам едно питане. Този жълтя(PE) проводник от каде ти идва? Това значи, че имаш заземяване и имаш TNS инсталация която ти влиза на входа на таблото. Нека хората които имат опит да кажат как се проверява дали този PE проводник е ОК. Има ли начин да се измери?
Проверката на РЕ проводника се прави като се измери стойноста на заземлението. Начините са много. Класическия метод с амперметър, волтметър и понижаващ трансформатор не се използва. За точно измерване си има специализирани уреди работещи по класическата схема с 4 проводника. Съшествуват и такива наподобяващи амперклещи но с вграден вътрешен генератор за измерване на заземление без прекъсването му.
Масово се използват и комбинирани прибори които мерят съпротивлението фаза-нула, фаза-земя. С такъв прибор може да се тества и РЕ проводника по показаната по-долу схема. В този случай резултатът е сума от съпротивлението на измервания заземител, заземителя в трафото, намотката на трансформатора и фазния проводник до точката на измерване. Идеята е че ако измереното по този начин заземление не е по-голямо от нормата за изпитвания заземител, може да се каже че заземлението е изпълнено правилно. Получената стойност за заземлението се умножава по сезонен коефицент отчитащ различната влажност на почвата през различните сезони. За влажен сезон този коефицент е Кс=1.8

Прикачен файл

PEmeter.jpg
PEmeter.jpg (11.23 KиБ) Видяна 11157 пъти
sez_djebel - специалист
Жълтият проводник PE идва в апартаментното табло от Главното Електромерно табло ! т.е. от гл.табло до ап.табло по схемата на инжинера идва трижичен кабел -СВТ-6mm2. И пак според схемата на инжинерния проект връзките в гл.табло трябва да са като посочените в долната схема ! Обаче в момента нямам достъп до таблото(съществуващото) и не знам как са го вързали от енергото :? след като проверя ще пиша и за това :!:

Прикачен файл

ELEKTROMERNO TABLO.jpg
ELEKTROMERNO TABLO.jpg (29.24 KиБ) Видяна 11119 пъти
astor - специалист
Благодаря за отговорите. Да, много е важно как е свързано в предишното табло, че да не се окаже, че до там идват само два проводника. Скоро в блока ни смениха главното табло и ми направи впечатление, че са пробили плочата и една шина заминава към мазетата. Предполага, че е някакво заземяване, но още не ми е останло време да го разгледам. Старото табло беше дървено, а новото е метално и явно това ги е накарало да го направят. Много ми е чудно, ако металното табло е само заземено и в даден момен от време се окаже, че земята не е много добра и случано попадне фаза на металния му корпус какво ще стане. Разбирам, че е добре таблото да е матално за да екранира, но не е ли по-добре да има едни пластмасова покривка, която да предпазва от директен допир.
sez_djebel - специалист
astor написа:
Благодаря за отговорите. Да, много е важно как е свързано в предишното табло, че да не се окаже, че до там идват само два проводника. Скоро в блока ни смениха главното табло и ми направи впечатление, че са пробили плочата и една шина заминава към мазетата. Предполага, че е някакво заземяване, но още не ми е останло време да го разгледам. Старото табло беше дървено, а новото е метално и явно това ги е накарало да го направят. Много ми е чудно, ако металното табло е само заземено и в даден момен от време се окаже, че земята не е много добра и случано попадне фаза на металния му корпус какво ще стане. Разбирам, че е добре таблото да е матално за да екранира, но не е ли по-добре да има едни пластмасова покривка, която да предпазва от директен допир.
В моя град 80 % от таблата са изцяло от масивна (имам впредвид здрава) пластмаса. Моето табло (на къщата) също е от пластмаса... Сезго :)
mirk - майстор
Аз съм останал с впечатление, че в електромерните табла на енергото нула и земя са обединени на обща шина. :shock: Тяхната разпределителна мрежа за ниски напрежение, кабелна или въздушна е 3 фази + нула т.е. TN-C.
След електромерното табло се разделя нулата от земята и мрежата става TN-S, така общо мрежата от трафото до потребителя става комбинирания вариант TN-C-S. :)
Ако таблото е с пластмасова обвивка не е необходимо да има заземяване на корпуса. В този случай заземяват повторно само нулата - това е изискване по наредба №3 но не на всяко табло.
В някои случаи това заземяване е много зле направено - моето табло фирмата наета от енергото за монтажа, го заземи с половин метър поцинкован винкел забит през бетона до стената на къщата. :evil: Смешна работа, казаха че всичко е точно и си заминаха, без да измерят нищо :evil:
sez_djebel - специалист
mirk написа:
Аз съм останал с впечатление, че в електромерните табла на енергото нула и земя са обединени на обща шина. :shock: Тяхната разпределителна мрежа за ниски напрежение, кабелна или въздушна е 3 фази + нула т.е. TN-C.
След електромерното табло се разделя нулата от земята и мрежата става TN-S, така общо мрежата от трафото до потребителя става комбинирания вариант TN-C-S. :)
Ако таблото е с пластмасова обвивка не е необходимо да има заземяване на корпуса. В този случай заземяват повторно само нулата - това е изискване по наредба №3 но не на всяко табло.
В някои случаи това заземяване е много зле направено - моето табло фирмата наета от енергото за монтажа, го заземи с половин метър поцинкован винкел забит през бетона до стената на къщата. :evil: Смешна работа, казаха че всичко е точно и си заминаха, без да измерят нищо :evil:
В случая е предвидено главното табло да има индивидуален заземител - поцинкован кол със спротивление на заземлението не повече от 10 ОМ.Вероятно нулата на захранващия кабел и индивидуалният заземител ще са свързани в гл.табло -т.е. TN-C+TN-S :!:
  • 1
  • 2

Тема "схема на апарт.табло с ДТЗ" | Включи се в дискусията:


Сподели форума:

Бъди информиран. Следвай "Направи сам" във Facebook:

Намери изпълнител и вдъхновения за дома. Следвай MaistorPlus във Facebook: