• 1
  • 2
Всичко свързано с тоците ми е слабост, опитайте се да ме затрудните.
evil - специалист
Няколко пъти се опитвам да вържа една схема но не успявам и се чудих някой знае ли как става :? .Ето я и схемата Изображение
Това е от една програма "EKTS" http://www.veppa.com/ekts/
Тя има и схема на подемник /врата/ която успявам да вържа но този с петте нещо ми се опъва :lol:
Ето я схемата с две позиции Изображение
Не е нещо важно ,ако на някой му си занимава нека да драсне една схемичка.
lubomirlz - специалист
Втората схема с двете позиции е вярна, само си добави термиична защита и предпазител за двигателя, първата схема нещо не мога да я видя.
evil - специалист
Задачата е по-скоро за логиката на оперативната ,защитите са ясни но не в тях е въпроса и не съм тръгнал да е сглобявам а и няма как да не ми е вярна схемата при положение че самата програма ги тества.Не успявам да навържа първата схема то затова е няма :lol: Правил съм доста опити и съм стигал до някъде но няма смисъл да ги качвам тука
lubomirlz - специалист
Нямам време сега да чертая и да търся, но ти давам едно бързо жокерче - намери си схема за асансьор :) която малко ще опростиш
Johny - майстор
Етажните изключватели трябва да са общи и за двата контактора. Когато достигне етажа, прекъсва оперативната от едната двойка контакти, колкото да отпусне контактора. В следващият момент се затварят другите два контакта и осигуряват нов пуск, независимо в каква посока. В крайно горно и долно положение трябва да имаш краен изключвател. Щом е подемно устройство, трябва да имаш и спирачка на вала на мотора, която да се задейства заедно с всеки от контакторите.
Trifun - специалист
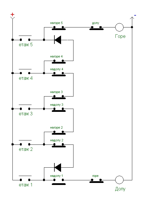
@evil, аз пък ще ти дам друго жокерче : за всеки етаж има не по един, а по два изключвателя, които са натиснати едновременно, когато кабината е на етажа. Само за първия и последния етажи вместо втори изключвател се слага диод.

Прикачен файл

Asansior.jpg
Схемата е начертана с кабина спряла на етаж 1
Asansior.jpg (46.06 KиБ) Видяна 5107 пъти
evil - специалист
:supz: Вече успях да я навържа,по-късно ще кача снимки
evil - специалист
ето е схемата работеща без проблем :supz: Изображение
Johny - майстор
Само да питам - от къде на къде НО и НЗ контакти се изобразяват като кондензатор?
evil - специалист
И аз нямам представа защо автора на програмата така ги е изобразил.
  • 1
  • 2

Тема "оперативна схема на подемник" | Включи се в дискусията:


Сподели форума:

Бъди информиран. Следвай "Направи сам" във Facebook:

Намери изпълнител и вдъхновения за дома. Следвай MaistorPlus във Facebook: