Здравейте! Предстои ми преработване на 2 табла за управление на електромотори. Таблата са за 8-10 мотора, но ще се сменя всичко,бутони, окабеляване,контактори,защити и ще се добавят АП'та за всеки мотор поотделно,защото освен главния няма нито един друг предпазител. Някой занимавал ли се е с такава работа че да ме ориентира долу горе какви пари мога да му искам. На работа правим такива табла,обаче това е частна работа и не мога преценя какво да му взема на човека за труд
Цена само за труд,без материали. Няма електроника в тях,освен честотни управления по 1 на табло. Благодаря предварително,Приятен ден!!!
Всичко свързано с тоците ми е слабост, опитайте се да ме затрудните.
Bobinyor85
- помощник
7 мнения в "Табло за управление"
batkoce
- специалист
- Мнения: 240
Не е лесно да се отговори на такъв въпрос. Аз постоянно правя такива неща и пак нямам някаква общовалидна методика за определяне на цена. Клиентите са различни и условията са различни. Освен това, във въпроса се съдържа малко информация. "Осем-десет мотора" може да означава всичко...
Bobinyor85
- помощник
- Мнения: 14
нед мар 29, 2026 6:15 pmbatkoce написа: Не е лесно да се отговори на такъв въпрос. Аз постоянно правя такива неща и пак нямам някаква общовалидна методика за определяне на цена. Клиентите са различни и условията са различни. Освен това, във въпроса се съдържа малко информация. "Осем-десет мотора" може да означава всичко...В смисъл
MamaMy
- майстор
- Мнения: 7699
2,50€ на сменен или добавен елемент. За опроводяване 0,5€ на метър.
Изсмуках си ги от пръстите, но мисля, че са справедливи.
Едни електричари застреляха приятел с цена за домашна инсталация още преди 10 години. За сравнително елементарна инсталация на едно преустроено мазе с негови материали му поискаха 6лв на точка. За точка броят всеки ключ, контакт, лампен излаз, предпазител и кутия.
Изсмуках си ги от пръстите, но мисля, че са справедливи.
Едни електричари застреляха приятел с цена за домашна инсталация още преди 10 години. За сравнително елементарна инсталация на едно преустроено мазе с негови материали му поискаха 6лв на точка. За точка броят всеки ключ, контакт, лампен излаз, предпазител и кутия.
batkoce
- специалист
- Мнения: 240
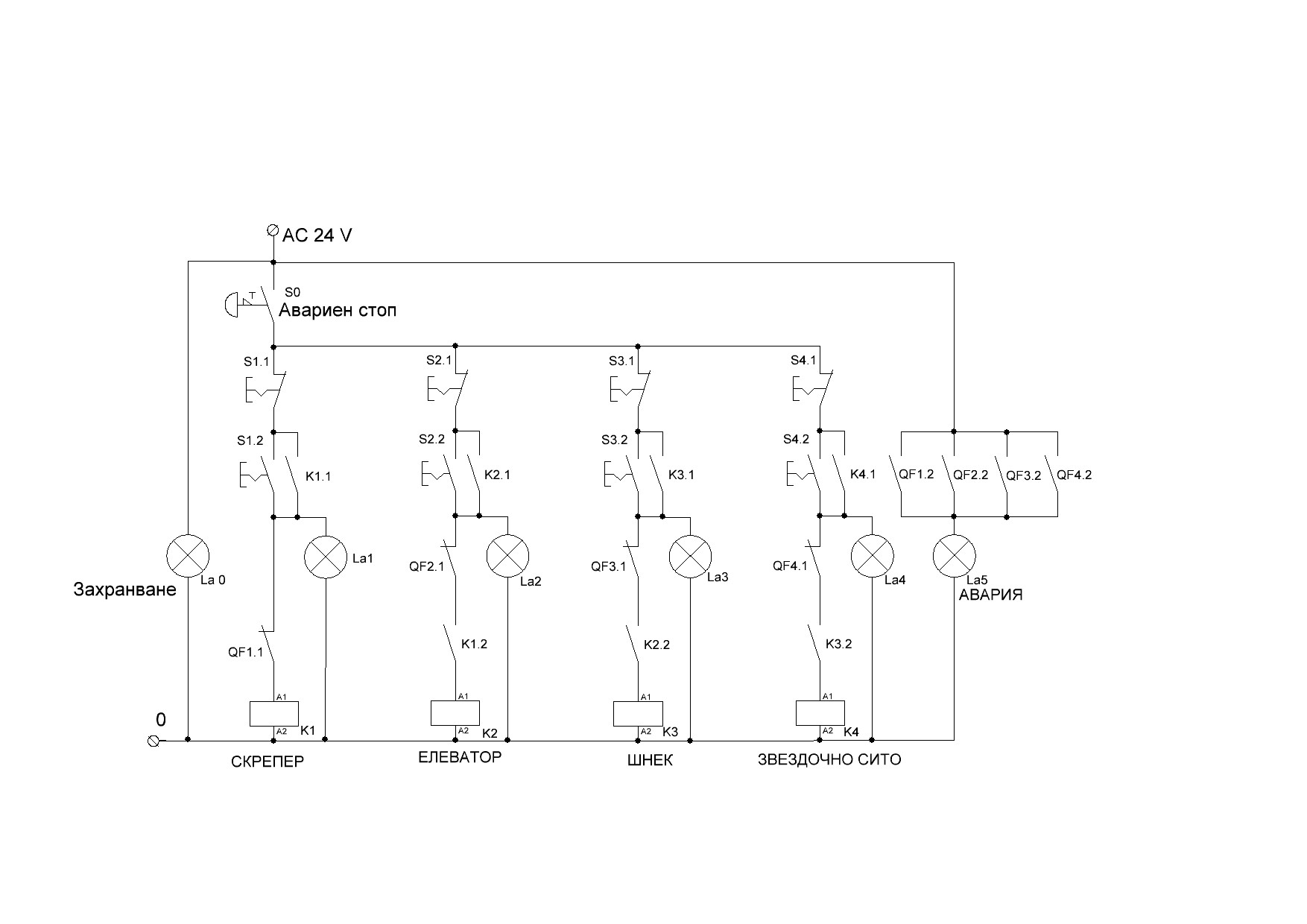
Последното табло, което монтирахме миналата седмица:
=демонтаж на старите неща от таблото
=монтаж на:
-четири моторни защити
-четири контактора
-четири групи бутони пуск-стоп с лампи на пусковите бутони
-авариен бутон
-пакетен ключ
-две сигнални лампи
-четири редови клеми и нулева шина
-три монофазни предпазители
-трансформатор
=опроводяване
=монтаж на място и опроводяване на два от двигателите
=изготвяне на схема и надписи
=друга дребна услуга, извън тази задача
За всичко това поисках на конкретния клиент 240 евро. На друг клиент цената нямаше да е същата...
=демонтаж на старите неща от таблото
=монтаж на:
-четири моторни защити
-четири контактора
-четири групи бутони пуск-стоп с лампи на пусковите бутони
-авариен бутон
-пакетен ключ
-две сигнални лампи
-четири редови клеми и нулева шина
-три монофазни предпазители
-трансформатор
=опроводяване
=монтаж на място и опроводяване на два от двигателите
=изготвяне на схема и надписи
=друга дребна услуга, извън тази задача
За всичко това поисках на конкретния клиент 240 евро. На друг клиент цената нямаше да е същата...
Bobinyor85
- помощник
- Мнения: 14
пон мар 30, 2026 10:45 ambatkoce написа: Последното табло, което монтирахме миналата седмица:Благодаря за бързия отговор! И аз някъде към 300€ мислех да му взема
=демонтаж на старите неща от таблото
=монтаж на:
-четири моторни защити
-четири контактора
-четири групи бутони пуск-стоп с лампи на пусковите бутони
-авариен бутон
-пакетен ключ
-две сигнални лампи
-четири редови клеми и нулева шина
-три монофазни предпазители
-трансформатор
=опроводяване
=монтаж на място и опроводяване на два от двигателите
=изготвяне на схема и надписи
=друга дребна услуга, извън тази задача
За всичко това поисках на конкретния клиент 240 евро. На друг клиент цената нямаше да е същата...
Тема "Табло за управление" | Включи се в дискусията:
Сподели форума:
Бъди информиран. Следвай "Направи сам" във Facebook:
Намери изпълнител и вдъхновения за дома. Следвай MaistorPlus във Facebook:
Имаш нужда от подходящ професионалист за дома?
- Преустройство, ремонт и реновиране
- ↳ Вашите ремонти
- ↳ Кухня
- ↳ Баня
- ↳ Дневна
- ↳ Спалня
- ↳ Детска
- ↳ Градина
- ↳ Коридор
- ↳ Тераса и балкон
- Направи сам
- ↳ Направи сам
- ↳ Ремонтирай сам
- ↳ Къде е по-евтино?
- ↳ Дърводелство
- ↳ Ел. инструменти
- ↳ Металообработване
- ↳ Конкурс "Направи сам 2012"
- Строителство
- ↳ Всичко за вилата
- ↳ Къщи
- ↳ Саниране
- ↳ Хидроизолация
- ↳ Пасивни и нискоенергийни сгради
- Сухо строителство
- ↳ Окачени тавани
- ↳ Преградни стени и предстенни обшивки
- ↳ Сухи и повдигнати подове
- ↳ Декоративни елементи - колони, трегери, сводове и др.
- ↳ Всичко за гипскартона и гипсфазера
- Въпроси и Отговори
- ↳ Полезни съвети
- ↳ Автомобили
- ↳ Партньори
- ↳ Боядисване и Декориране
- ↳ Вентилация, климатици и термопомпи
- ↳ Водоснабдяване и канализация.
- ↳ Всичко за ремонта
- ↳ Електротехника
- ↳ Отопление
- ↳ Газификация
- ↳ Електроника и Схеми
- ↳ Газобетон
- ↳ От всичко по малко
- ↳ Компютри и периферия
- ↳ Уеб дизайн, PHP, MySQL, JavaScript, HTML..
- ↳ Мобилни устройства, GSM-и
- ↳ Нека се запознаем
- ↳ Recycle Bin
- Статии
- ↳ Практични решения
- ↳ Качване на снимки
- ↳ Какви статии искате?
- ↳ Готварство, туршии и зимнина
- ↳ Отмора и шеги
- ↳ От нищо нещо
- ↳ Не е за вярване
- ↳ Литература
- ↳ Връзки към Интересни сайтове
- Магазин
- ↳ Препоръки и Мнения за он-лайн магазина
- ↳ Крадeни инструменти !!!