Всичко свързано с тоците ми е слабост, опитайте се да ме затрудните.
Здравейте,колеги!
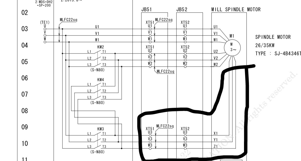
Нов съм в занаята като електротехник, може ли малко помощ?
За какво са връзките които съм оградил?
Прикачен файл:
IMG_20230604_155459.jpg

Благодаря!
nork - специалист
Аве младеж, вземи прочети някой друг учебник, а? :axe:
Вярно хората са казали, че с питане до Цариград се стига, ама ти освен да се изпържиш или утрепеш някой, друго няма да направиш :idea:
Аз не съм "колега" в занаята и виждам блокове/ може би управляващи/ на трифазен мотор. Ако е така направо се връщай в училище :supz:
Andri01 - майстор
Обръщане на посоката. Каква е тази мелница? Много е мощен-26/35 Кв !?
hidrazin - майстор
На тоя па мелница му се привидяла... :shock: :lol:
Абе ей, това е MITSUBISHI SPINDLE DRIVE MODULE за някое CNC/металорежеща машина.
Примерно MDS-DH2-SP-160 се използва в някои Мазаци. Човека пита за MDS-DH2-SP-200
Ама тези щом са опрели до форум да питат такива неща - не е добре работата... :-D
:partyman:
Andri01 - майстор
35 Киловата??? Това е двигател около 1,2 Тона?!? Е, на английски "Mill" е мелница, трошачка...!!
hidrazin - майстор
нед юни 04, 2023 8:49 pmAndri01 написа:
35 Киловата??? Това е двигател около 1,2 Тона?!? Е, на английски "Mill" е мелница, трошачка...!!
Аз на теб колко пъти да ти обяснявам да не се вреш дето не ти е работата? Особено пък и когато и бъкел не разбираш...
Да бе, 1,2 тона... Така е щото си виждал само руски и български мотори от времето на соца.
Ама то няма и чак толкова луд да те пусне до истински електродвигатели. :lol:

Прикачен файл:
MITSUBISHI.jpg

И това е ТЕЖЪК мотор за продължителна и натоварена работа.
Я виж електромоторите на TESLA дето са по 200kW и нямат и 100 кила... :cool:
От къде ги взимаш тези бръмбари, направо не знам...
:partyman:
valentino76bs - майстор
нед юни 04, 2023 4:00 pmstanislav96 написа:
Здравейте,колеги!
Нов съм в занаята като електротехник, може ли малко помощ?
За какво са връзките които съм оградил?
IMG_20230604_155459.jpg

Благодаря!
Дай оперативната верига да видим!

Тема "Помощ за разчитане на електрическа схема" | Включи се в дискусията:


Сподели форума:

Бъди информиран. Следвай "Направи сам" във Facebook:

Намери изпълнител и вдъхновения за дома. Следвай MaistorPlus във Facebook: