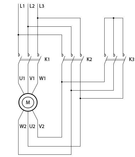
Здравейте ! Търся схемата на пускателя на този двускоростен двигател . Със два пускови бутона и един стоп . По - надолу има снимки . 
fa0450923c3c5268ecb824b0417af65b.jpg (17.27 KиБ) Видяна 1315 пъти
Прикачен файл:
Прикаченият файл fa0450923c3c5268ecb824b0417af65b.jpg вече не е достъпенПрикачен файл:
fa0450923c3c5268ecb824b0417af65b.jpg (17.27 KиБ) Видяна 1315 пъти
