• 1
  • 2
Всичко свързано с тоците ми е слабост, опитайте се да ме затрудните.
a.spiridonov - напреднал
Здравейте, бих искал да споделя едно решение на проблем,
с който може би всеки се е сблъсквал.
Става въпрос за забравения вентилатор в банята.
В старите панелни блокове имаше ( по замисъл ) централна вентилация,
която се пускаше с бутони, като стълбищно осветление.
В нашия блок не си спомням да е работила някога, даже и липсваше двигателя и всеки се оправяше както намери.
В по-новите жилищни сгради такива екстри съвсем липсват и всеки си слага ключ и вентилаторче.
Съответно забравените и бучащи вентилатори не са рядкост - включително и у нас.
Хрумна ми да реализирам някаква схема с реле за време,
но повечето готови такива изискват вход и изход на захранване, както и кабел до бутона.
Единственото място, където ми беше удобно да монтирам таймера е конзолата на ключа за вентилатора,
но вътре има само 2 проводника - фаза и изхода към самия вентилатор.
Понеже не ми се къртеше, за да полагам допълнителен кабел, се замислих не може ли да се направи схема,
която се захранва от тока течащ през нея? Първото, което ми хрумна, беше таймер със 555 в CMOS вариант.
За времена 30 мин и повече се получават много големи стойности на времезадаващата верига и не работеше стабилно.
Като втори вариант ми хрумна някакво процесорче от типа на pic10 или attiny85, но реших че е безсмислено да се стига чак до там.
Покрай ровенето в мрежата ( не електрическата ) видях една позабравена CMOS схема 4060. Това е генератор със 14-степенен делител на честота.
Една бърза сметка показа, че за 30 мин. интервал, честотата на генератора трябва да е около 9 херца - съвсем постижима стойност.
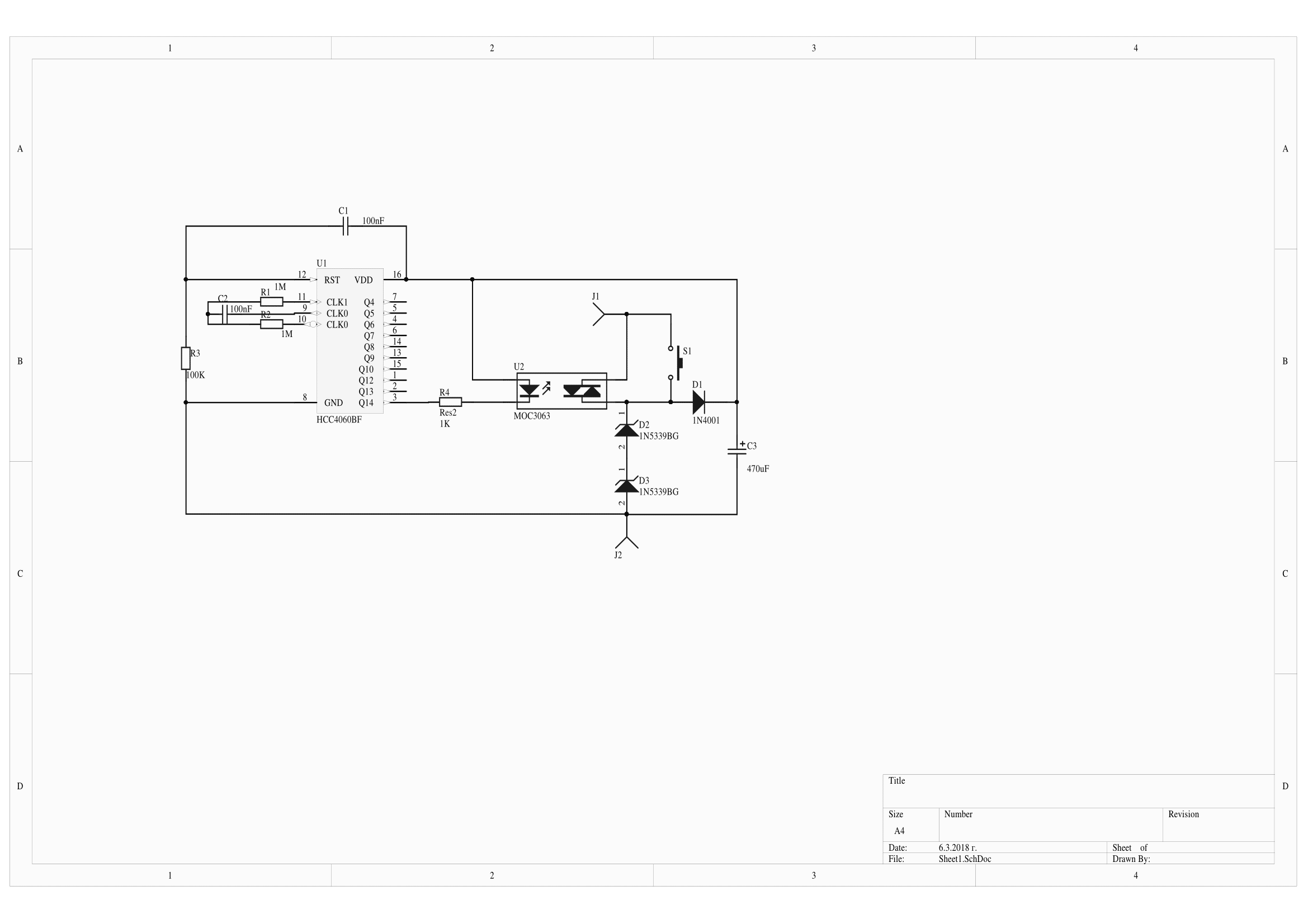
Няколко думи за самата схема:
Клемите J1 и J2 се свързват към кабелите в конзолата, Бутонът S1 е бутон за стълбищно осветление, с който се задейства таймера.
Захранването на самата схема се получава от пада въру 2-та ценерови диода.
Обръщам внимание, че тока на консуматора минава през тях и трябва да се внимава с мощността на консуматора.
Tока не бива да надвишава 100-150mA !!! Честотата на генератора, респективно времезакъснението зависи от C1 и R2 и при тези стойности е около 30мин.

Прикачен файл

shema.png
схема
shema.png (59.99 KиБ) Видяна 3488 пъти
hidrazin - майстор
Много добре. Само леко насочване - 4060 работи и при по-ниски напрежения от 10V - дават го от 3 до 18V.
:partyman:
a.spiridonov - напреднал
hidrazin написа:
Много добре. Само леко насочване - 4060 работи и при по-ниски напрежения от 10V - дават го от 3 до 18V.
:partyman:
Да, така е. Първоначално пробвах със един ценер на 5.6V, но ми се видя малък тока през светодиода ~4mA и за това го направих с 2.
lov - майстор
Увашавам самоделките и нестандартните решения.
Но по елегантното според мен де, е датчик за движение. Влизаш и се включва сам. Има си и време задръжка която можеш да си нагласиш колко време да върти след като напуснеш помещението. В тоалетната съм така с едно допълнение още един вентилатор който допълнително се включва с пускането на водата. За там ползвам най обикновен стълбищен автомат. Приложим е и за баня в този си вид след като изключиш осветлението той ще изключи след зададеното му време.
А ако не искаш да върти и в двата варианта втори ключ за блокиране на датчика за движение или време релето.Но това с случай че има от къде да направиш гимнастиката с проводниците. Ако ли не захранваш през осветлението. Поне там шансовете за скриване на проводниците е по голям.
lyubohar - майстор
Чакам с интерес развитието на темата,тъй като при мен вентилатора е свързан паралено с осветлението.
Включвам лампата-вентилатора работи.А не ми се кърти за допълнително кабели.
Иначе си продават подобни вентилатори с таймер,ама си искат още една фаза-т.с.още един проводник.
shadow__01 - майстор
lyubohar написа:
Иначе си продават подобни вентилатори с таймер,ама си искат още една фаза-т.с.още един проводник.
Щом не ти се кърти тогава единственият ти вариант е да направиш лампата с датчик за движение и да оставиш захранването постоянно свързано заради вентилатора.
Само не се знае колко ще изкара този датчик при тази влага.
valentino76bs - майстор
shadow__01 написа:
единственият ти вариант е да направиш лампата с датчик за движение и да оставиш захранването постоянно свързано заради вентилатора.
И кат земеш да мътиш :-D ще има да правиш гимнастики да светне лампата! Има датчик присъствие.
EDI - майстор
То си има таквиз вентилатори, изключва го 5 минути след като угасиш ламБата, както се спомена.Пусни си външна жица в канал.
kozl - майстор
Е то целата идея е да нема допълнителна жица иначе има и "умни" вентилатори, които се управляват от датчик за влага. Т.е. като се позасуши в банята и вентилатора спира.
kozl - майстор
valentino76bs написа:
shadow__01 написа:
единственият ти вариант е да направиш лампата с датчик за движение и да оставиш захранването постоянно свързано заради вентилатора.
И кат земеш да мътиш :-D ще има да правиш гимнастики да светне лампата! Има датчик присъствие.
Аве с мътенето все шъ целнеш гнездото :lol: Ама докато съ целиш със струйника и като спре ламбата ко ша са случва с мишената :roll:
  • 1
  • 2

Тема "Таймер за вентилатор за баня" | Включи се в дискусията:


Сподели форума:

Бъди информиран. Следвай "Направи сам" във Facebook:

Намери изпълнител и вдъхновения за дома. Следвай MaistorPlus във Facebook: