Всичко свързано с тоците ми е слабост, опитайте се да ме затрудните.
minca - специалист
Здравейте колеги!
Имам нужда от компетентната ви помощ.
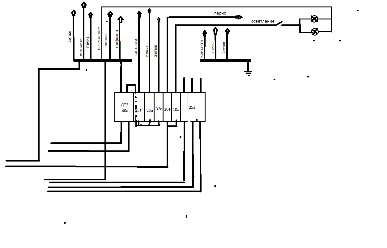
Ето какво се случи:Реших да си сложа ТДЗ в таблото.В същото влизат три захранващи линии-един трифазен кабел 6мм2 и два монофазни от главното на улицата-три партиди.ДТЗ е на едно от монофазните захранвания.Към защитата са ел.печка през 25а АП,контакти през 25а АП и една линия за втория етаж на къщата през 32а на която няма нищо /до разкл.кутия/Осветлението е на втората монофазна с 10а АП без ДТЗ и парното с 10а без ДТЗ.В мазето имам две единични луминисцентни тела вързани към осветлението.Лампите са на един ключ вързани паралелно.
Когато щракна ключа на лампите,пада ДТЗ.След няколко проби установих,че с едната лампа няма проблем,но с двете пада защитата и то на другата монофазна линия.
Помагайте да реша проблема
nikolov333 - майстор
Осветлението принципно се отделя извън ДТЗ, заради проблеми като вашия, но има и случаи, в които това крие и допълнителни рискове...
kozl - майстор
Вероятно имаш обща нула на кръговете. И по-добре начертай схема, защото не е ясно как си свързал ДТЗ-то и къде са кръговете и ккак са разделени на отделни захранвания.
minca - специалист
Дано не съм пропуснал нещо
Прикачен файл:
схема.png
схема.png (36.1 KиБ) Видяна 2086 пъти
iliya_i - майстор
Трябва да разделиш двете нули. Тази която минава през ДТЗ да е отделна от тази, която не минава. На нулата на ДТЗ закачаш само кръговете, за които фазата минава през ДТЗ. Осветлението, парното и трифазното - на друга нулева шина.
minca - специалист
Разбрах.Благодаря сърдечно!
kozl - майстор
Прикачен файл:
101101.jpg
101101.jpg (69.6 KиБ) Видяна 2011 пъти
Каквото преминава като кръгове през ДТЗ, това трябва да е и на фаза и на нула към изхода, без нкакви други кръгове.
Ако искаш да добавиш парното през ДТЗ, оставяш връзката на общата шина към Нула ДТЗ и свързваш фазата на ДТЗ с АП на парното, като разкачаш другата фаза. Ако не ти стига мощност за парното, добавяш още едно ДТЗ само за парното ъм другото захранване.
Само заземителния проводник е на обща шина, когато има ДТЗ. А в схемата няма заземителен проводник.
Фаза, нула, защитен проводник - три проводника за инсталация за еднофазно захранване.

Тема "ДТЗ и луминисцентно осветление" | Включи се в дискусията:


Сподели форума:

Бъди информиран. Следвай "Направи сам" във Facebook:

Намери изпълнител и вдъхновения за дома. Следвай MaistorPlus във Facebook: