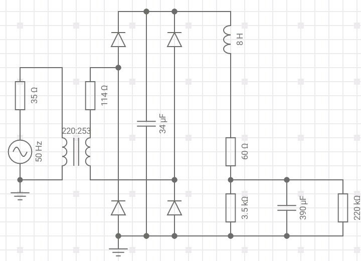
Здравейте, възможно ли е вместо дросел във П-филтър да сложа първичната на някой траф като изключа вторичната от всякакъв товар? Идеята ми е, че измерих едно старо трафче във вкъщи на 8 хенрита индуктивност на първична, със сравнително ниско активно съпротивление (60ома) и е около 150мА ток на първична. В дадената схема би ми свършило перфектна работа. Става дума за изправител на 300V/80mA
Прикачен файл
_20170420_142805.JPG (60.62 KиБ) Видяна 2246 пъти
