Всичко свързано с тоците ми е слабост, опитайте се да ме затрудните.
http://dox.bg/files/dw?a=838f80a067 Moже ли малко помощ за да осъществя тази схема?Какви елементи ще са ми нужни и как трябва да се изпълни?Схемата е следната: при натискане на бутон 1 да светне лампа 1 и от сирената да възпроизведе звук 1, и при натискане на бутон 2 да светне лампа 2 и сирената да възпроизведе звук 2.Това ми трябва за уповестителна система.Благодаря предварително!!!
tzetz009 - специалист
За много години ! :-D Първо понамали броя на сирените , щото ако съм ти съсед .... :x :axe:
Малки зумери вместо сирени е по добре :cool: !
Прикачен файл:
AAA.png
AAA.png (2.79 KиБ) Видяна 1676 пъти
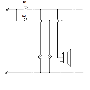
Трябва ти трипроводна инсталация по хей-тая картинка ! :-D
tzetz009 - специалист
:-D :-D :-D От 105 преглеждания на темата никой не посъветва човека да си купи един безжичен китайски домашен звънец и да си спести главоболията и РАЗХОДИТЕ !

1) 60 метра проводник
2) 20 метра PVC кабелен канал
3) поне 60 дюбела и видии за тях
4) търсене на перфоратор и свредло за бетон от приятели
5) и естествено цапане и чистене !!!

:partyman: :partyman: :partyman:
valentino76bs - майстор
tzetz009 написа:
За много години ! :-D Първо понамали броя на сирените , щото ако съм ти съсед .... :x :axe:
Малки зумери вместо сирени е по добре :cool: !
Прикачен файл:
AAA.png
Трябва ти трипроводна инсталация по хей-тая картинка ! :-D
Дай линк да я видя тази сирена с три кабела/сигурно е някаква двутонална/ на 230 волта.
valentino76bs - майстор
toni.kamburov написа:
http://dox.bg/files/dw?a=838f80a067 Moже ли малко помощ за да осъществя тази схема?Какви елементи ще са ми нужни и как трябва да се изпълни?Схемата е следната: при натискане на бутон 1 да светне лампа 1 и от сирената да възпроизведе звук 1, и при натискане на бутон 2 да светне лампа 2 и сирената да възпроизведе звук 2.Това ми трябва за уповестителна система.Благодаря предварително!!!
Тея работници нямат ли часовници?
Ако трябва да съм честен ми трябва за известяване в една пожарна.Защото всички са пръсната някъде по сградата(гараж,двор, кухня и т,н) и е на два етажа и по лесно е да се се сложат няколко звукови и светлинни сигнала , отколкото диспечера да се чуди дали да приема съобщението и да говори с хората или да събира служителите.като това може да стане с натискането на един бутон.А за силата на сирените няма значение , няма да се чуват много.
valentino76bs - майстор
toni.kamburov написа:
Ако трябва да съм честен ми трябва за известяване в една пожарна.Защото всички са пръсната някъде по сградата(гараж,двор, кухня и т,н) и е на два етажа и по лесно е да се се сложат няколко звукови и светлинни сигнала , отколкото диспечера да се чуди дали да приема съобщението и да говори с хората или да събира служителите.като това може да стане с натискането на един бутон.А за силата на сирените няма значение , няма да се чуват много.
Въй, въй майтап си правиш .... но както и да е! Каква е идеята да са няколко сирени или няколко различни звука и светлинни сигнали ,че и няколко бутона.Или звук едно -лаф моабет ,звук две покана за кафе,трети звук пожар и т.н. Каква е тая пожарна в някое село ли е?
Hoвoceлckи - майстор
Аз да подскажа това цъкни. Ако е много на зор работата мога да дам мойто и да си поръчам друго. На мен ще ми трябва чак догодина (да си пускам ракетите :-D )

Тема "Помощ за схема!!!" | Включи се в дискусията:


Сподели форума:

Бъди информиран. Следвай "Направи сам" във Facebook:

Намери изпълнител и вдъхновения за дома. Следвай MaistorPlus във Facebook: