• 1
  • 2
Всичко свързано с тоците ми е слабост, опитайте се да ме затрудните.
estario - специалист
Здравейте,
Почти съм сигурен, че ще стане, но искам да питам и да съм сигурен. Имам 4 жилен кабел за трифазен ток, 3 жици за фазите, 1 жица за нулата. Теоритично ако сложа контакт на една от фазите и нулата ще имам монофазен източник на ток. Чудех се мога ли да сложа по 1 контакт на всяка фаза и да ползвам обща нула?
dyaneff - майстор
hidrazin написа:
Да.
:partyman:
Този отговор важи само за въпроса дали може да се сложат контакти.

Но, ако на тези контакти има включени консуматори, общия ток, който ще протече през консуматорите трябва да е съобразен със сечението на нулата.
iliya_i - майстор
dyaneff написа:
hidrazin написа:
Да.
:partyman:
Този отговор важи само за въпроса дали може да се сложат контакти.

Но, ако на тези контакти има включени консуматори, общия ток, който ще протече през консуматорите трябва да е съобразен със сечението на нулата.
Да бе, да. Като не знаеш що е то "трифазен ток", защо се изказваш?
Ако са натоварени и трите контакта на трите фази, тока през нулата ще бъде по-малък от тока през всяка фаза. Даже в идеалният случай, при еднакъв товар в трите фази тока в "нулата" е нула. В най лощият случай - при свързани една или две фази тока в нулата не е по-голям от тока в най-натоварената фаза.
шоп - майстор
dyaneff, голяма смешка написа :-)
вземи си премахни поста!
По твоята логика 0 - та на четрижилният кабел трябва да е с 3 пъти по-голямо сечение:-))))))))))))))

НЯМА ТАКЪВ КАБЕЛ....обратното има много четрижилни кабели с по-малка квадратура на 0 - та

Защо ли?!?! ;-))))))))))))
fikata - майстор
Чудех се мога ли да сложа по 1 контакт на всяка фаза и да ползвам обща нула?
hidrazin wrote:
Да.
Аз казвам също
Да.
dyaneff, в грешка си. Разсъждавайте на въпроса преди да отговорите как работи трифазна система на захранване като сбор от монофазни товари. Предполагам знаете,че общия сбор на товара на системата не е аритметичен сбор от товарите на всяка фаза.
dyaneff - майстор
Смятам, че съм прав. Нито знаем какъв е източника, нито товара.
шоп - майстор
dyaneff написа:
Смятам, че съм прав. Нито знаем какъв е източника, нито товара.

Това няма никакво значение. Трифазен променлив ток май се учи по основи на електрохтехниката в 10 клас:-)
moimoimoi - майстор
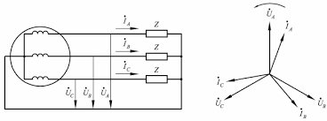
трите фази са изместени една спрямо друга на 120 градуса
приемаме че тока през трите фази е с еднаква стойност,
тогава като се сумират векторите на трите фази,тока през нулата се получава 0,нула,zero.

ако токовете не са еднакви през трите фази след сумиране на векторите се получава стойноста на тока който ще протича през нулата,но неговата стойност не може да надвиши тока на най натоварената фаза

при натоварване на една фаза тока през фазата е равен на тока през нулата

Прикачен файл

images.png
images.png (4.6 KиБ) Видяна 4760 пъти
Последна промяна от moimoimoi на съб ное 21, 2015 5:48 pm, променено общо 1 път.
MIRO_073 - майстор
dyaneff написа:
Смятам, че съм прав. Нито знаем какъв е източника, нито товара.
Не. не си.
  • 1
  • 2

Тема "Монофазен уред към трифазен кабел" | Включи се в дискусията:


Сподели форума:

Бъди информиран. Следвай "Направи сам" във Facebook:

Намери изпълнител и вдъхновения за дома. Следвай MaistorPlus във Facebook: