Всичко свързано с тоците ми е слабост, опитайте се да ме затрудните.
beretta - помощник
Знам, че въпросът е дискутиран и се извинявам за повторението, но не намерих точен отговор.
Подариха ми трифазен електромотор триъгълник/звезда , 220V/380V , 3kW , 11.2/6.5А , cos(fi)=0.84 , 1420об/мин. Получих го с ключ рига и един доста голям кондензатор 120 uf 450 V и при включване работи и развърта циркуляра (такъв за разбичване, не за рязане на дърва), но при натоварване спира. Приятел ме посъветва да му сложа 156 uf пусков кондензатор и да свържа 120 uf кондензатор (този който беше пусков) за работен. Свързах го така, и дори при товар продължава да работи без никакви признаци за спиране, НО след 4 минути работа (разбичване за проба на една дъска 3 см) моторът загрява осезаемо, а кондензатора направо пари. От самият мотор излизат четири проводника, два за пусковата и два за другите две намотки, предполагам че е пренавиван и е свързан в триъгълник за да може да работи с кондензатор.
По мой сметки Cp=4800*I/U 4800*11.2/220 ~ = 244 uf, има ли нещо вярно или аз нещо бъркам жестоко.
Прикачвам снимка с табелката на същия мотор.
Благодаря на отзовалите се и се извинявам ако съм объркал раздела.

Прикачен файл

SAM_0370.jpg
DMN - майстор
Да не си сложил електролитен кондензатор :? .
Инженер Ганев - напреднал
Ами щом и кондензатора грее, а пък е за 450V- няма друго обяснение освен да е сложен електролитен (как ли не е подпушил или гръмнал). Иначе няма как нормален (неполярен) кондензатор за 450V да грее в този случай.
beretta - помощник
Кондензаторът представлява метален цилиндър, с големина колкото бутилка от кока кола 500 мл, в горният му край отстрани има гумено уплътнение и от него излизат два кабела. От маркировката се чете само 120 uf 450 V и производителя, но ако беше полярен предполагам щеше да има два отделни отвора за кабелите и някаква маркировка за тях.
Ще пробвам да го снимам и ще кача снимки
Все пак какъв работен кондензатор да си търся?
Благодаря!
FM STEREO - специалист
1.Щом мотора е трифазен,трябва да е свързан на триъгълник при 220v.
2.От мотора трябва да излизат шест кабела или три.
Много вероятно е мотора да не е на триъгълник,а да е на звезда,тоест звездата да е свързана вътре и мотора при това положение да работи на 380v. Ако е така рискуваш да го изгориш. Трябва да се занесе на бобиньор за да се пресвърже на триъгълник и тогава може да му се слагат работен и пусков кондензатор и да се включи да работи на 220v.
kolev_k - специалист
beretta написа:
Приятел ме посъветва да му сложа 156 uf пусков кондензатор и да свържа 120 uf кондензатор (този който беше пусков) за работен...а кондензатора направо пари.
Има голяма разлика между пусков и работен.1-я е предназначен за кратковременна работа докато развърти двигателя,и после се изключва от центробежен изключвател обикновенно.При ригите ключа прави верига на пусковата само докато натискаш пуск-бутона,после остава само работната.
valentino76bs - майстор
Прикачен файл:
att-43afd4c7d12c8220V.gif
att-43afd4c7d12c8220V.gif (9.93 KиБ) Видяна 3152 пъти
По тази схема сметките стават други ,а всъщност не зная дали се смятат при мощност на мотора при монофазно захранване.Сиреч ако е 3 киловата Cр 180-240 мф а пусковия отива 360-480мф ....как е някой знае ли?
beretta - помощник
Има голяма разлика между пусков и работен.1-я е предназначен за кратковременна работа докато развърти двигателя,и после се изключва от центробежен изключвател обикновенно.При ригите ключа прави верига на пусковата само докато натискаш пуск-бутона,после остава само работната.
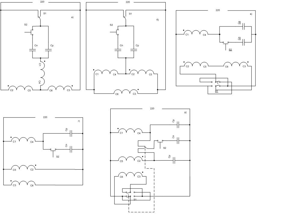
Да, но този който беше пусков (голям метален е 120 uf 450 V) и за това го сложих работен. В последствие открих две схеми по които може да е свързан моторът в или г
а) Соединение классической звездой достоинства простота подключения и реверсирования. Кроме того возможно добится относительной симметричности токов в обмотках.
Еще одно достоинство почти невозможно спалить исправный двигатель. На этом достоинства заканчиваются и начинаются недостатки. Двигатель развивает только треть
номинальной мощности и как следствие только треть момента и точка. Большего от него не добиться. Применение возможно при сильной недогрузке двигателя
(вентилятор какой собрать или еще что подобное). Пусковой момент можно получить близкий к номинальному (номинальному тому который стал, не который должен быть так что чуда не будет)
рабочая емкость конденсатора Ср равна Ср=2780*(Iф/Uф). Коэффициент 2780 часто округляют до 2800 что ниначто не влияет. Iф - ток фазы двигателя указанный на шильдике
(тот который для 380) Uф - фазное напряжение для нас 220в. Емкость Сп выбирается как 2.5-3*Ср. Напряжение на конденсаторе не более 1.2*Uф для нас это значит ~270в.
однако это дествующее значение напряжения, амплитудное будет ~380в (Arty, спорить на эту тему не буду конденсаторы жалко ). Следовательно конденсатор должен быть расчитан хотя бы на 350в. Если он бумажный то выдержит
и в случае если недогруза сильного не будет можно поставить на 300в, ибо под нагрузкой напряжение на конденсаторе снижается.

б) Соединение треугольником достоинства обмотки работают на номинальном напряжении и теоретически можно выкачать из двигателя мощность близкую к номинальной
однако практически больше 70% пролучить проблемотично. На этом достоинства схемы исчерпываются. А вот недостатков куча, пусковой момент не более 0.3-0.4 от номинального, здоровенный кондесатор симметрия токов в обмотках практически исключается (добиться тяжело и ненадолго). Так что по моментномощностным характеристикам схема сиротская, да и дорогая в реализации.
Рабочая емкость конденсатора Ср равна Ср=4800*(Iф/Uф). Пусковая Сп=2.5-3*Ср. Напряжение на конденсаторе не более 1.2*Uф (на холостом ходу) Применимость, ну... обычно ее и применяют, за неимением лучшего. Реверс тоже осуществляется просто. Переброской тумблера S1.

в) Неполная звезда, достоинства возможность получить пусковой момент больше номинального, теоретически достижимая мощность близка к номинальной (тут есть сомнения, о них в экспериментальной части) на практике в районе 70-75% от номинальной.
Достаточно несложно достигнуть симметрии токов в обмотках (разница в 30-40% во всем диапазоне нагрузок считается нормой) Недостатки соединять уже сложнее, реверс еще сложнее, коденсаторы не всякие подойдут.
Емкость рабочего конденсатора Ср равна Ср=2780*(Iф/Uф). Пусковая Сп=2.5-3*Ср. Если нужно получить пусковые моменты больше номинального пусковую емкость надо увеличивать еще раза в полтора, больше нестОтит, иначе двигатель просто разорвет от ударных токов в пусковой обмотке, да и кнопка долго не протянет. Максимальное напряжение на конденсаторе составляет 2.2*Uф это значит что абы какой кондер поставить нельзя он должен быть расчитан хотябы на 450в, а лучше на 600в.
Это недостаток схемы, однако на практике измереное напряжение на кондесаторе несколько ниже в районе 440в, но и это порядочно. Еше смущение вызывае то что напряжения на последовательно соединенных обмотках делится пополам, что дает около 127в (просто тупо померял в процессе экспериментов) на каждую, а они расчитаны на 220в. и следовательно высказывание из книжек "близкую к номинальной мощность" звучит несколько расплывчато. У мене получается что теряется около 30% мощности даже теоретически. Однако схема всеж намного лучше чем под пунктом б).

г) Это уже плод моей мозговой деятельности, Бегло скажу о достоинствах и недостатках ибо схема имеет ограниченное применение. Это попытка избавится от недогрузки рабочих обмоток по напряжению, достоинства и недостатки выявлены в процессе испытаний. Достоинства отдаваемая мощность двигателя превышает номинальную, пусковые моменты тоже могут превысить номинальный
Недостатки конденсаторы должны быть расчитаны на напряжение такое же как и в схеме в), двигатель в таком режиме перегревается и больше чем 2-3 минуты работать не может, потом надо стынуть. Емкости пусковых и рабочих конденсаторов выбираются как и в схеме в). Применимость схемы где надо включаться редко, но с полной выкладкой, Следовательно за его работой присматривать надо, а то он от усердия пупок надорвать может.

д) Тоже самопридуманая схема, однако показала завидную работоспособность. Достоинства можно затребовать от двигателя мощность как меньше номинальной так и больше! Пусковой момент может быть больше номинального, при получении мощностей в районе номинальных не греется сверх меры.
Недостатки проводов много и запутаться раз плюнуть, еще сложнее реверс, выключатель нужен непростой, требования к конденсаторам как и в схеме в) (важно для реверсирования). Теперь подробней. В работе требуется два рабочих конденсатора, их емкости в общем случае не одинаковы но для простоты можно выбрать и одинаковыми. Емкость Ср=1400*(Iф/Uф) Сп=2-3*Ср. Требования к напряжениям тоже неодинаковы но для простоты можно ориентироваться на 450в. По хорошему емкости должны быть различными ибо в каждой конденсаторной фазе емкость дает сдвиг фаз как бы с разных сторон (тут сложность в формулировках в силу того что в общем то понимаю что происходит (мож и интуитивно), а вот словами сказать сложновато). На эту тему можно подискутировать, однако на практики схема работает. По экспериментальным данным выходит, что емкости одного и другого конденсатора должны быть 1/3 и 2/3 по отношению к общей рабочей.
Попозже опишу экспериментальные результаты и расскажу чего и где. Однако с выбраными выше параметрами схема дает номинальный (или чуть меньший) момент и мощность термин "чуть" в данном случае означает десяток процентов.
При мен излизат 4 жици, 2 за пусковата и две от другите две намотки, които са свързани вътре в мотора.
От това което пише по-горе ако моторът е свързан в схема Г, ще загрява много, което се и случва.
Свалих капаците на мотора и от предната страна (тази от към шайбата) ясно виждам че пусковата е пренавивана и ясно виждам от къде са изведени двата провоника за нея, обаче не мога да определя дали другите две жици са всъщност началата на другите две намотки, защото ако е така те са свързани в схема В.
Изобщо май моторът ще си ходи при бобиньор, обаче той и преди е ходил при такъв и той го е свързал така. Изведени четри жици, вместо шест и без клеморед (срам не срам аз така му викам), всичко свързано на ръка и изолирано с изолирбанд от стария от плат и разбира се бележка "За обръщане на посоката размени черните жици".
Ето защо се опитвам да се науча на нещо, защото не знам при какъв "спец" ще попадна.
С уважение,
Димитър

Прикачен файл

Chema.JPG
Схеми за свързвъне
Chema.JPG (48.59 KиБ) Видяна 3121 пъти
FM STEREO - специалист
Kолегата valentino76bs е дал много ясна схема как трябва да се свърже,виждам че на теб не ти е ясно кое как трябва да е вързано,извикай квалифициран ел.техник или занеси мотора на бобиньор. :partyman:
beretta - помощник
На мен ми е ясно как трябва да се върже, до сега проблеми не съм имал. Просто този електромотор е свързан по абсолютно нетипичен начин и то от бобиньор с дългогодишен стаж, собственик на фирма за подобни услуги, изглежда е имал нещо в предвид. Ако бяха изведени всичките шест проводника и ясно маркирани както всеки мотор който съм виждал до сега, нямаше да е проблем да ги вържа триъгълник и ключ "Рига" и да го пусна. Все пак ще ходи при специалист, просто няма как да изведа останалите два извода които са свързани вътре в мотора.
Благодаря на всички отзовали се!

Тема "И пак трифазен мотор в монофазна мрежа." | Включи се в дискусията:


Сподели форума:

Бъди информиран. Следвай "Направи сам" във Facebook:

Намери изпълнител и вдъхновения за дома. Следвай MaistorPlus във Facebook: