Всичко свързано с тоците ми е слабост, опитайте се да ме затрудните.
naasko - специалист
Здравейте, моля ви дайте ми идея как да я преправя схемата на свързване така, че да мога да ползвам МУК (магнитни датчици) По схема минуса е прекъснат и при подаване на маса се активира а при мука веригата ще е затворена и ще дава, че все едно има отворена врата. С реле не ми върши работа понеже е голям консуматор а аз гоня икономия на батерията понеже няма постоянно захранване.
AAsat - специалист
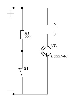
Може да се пробва нещо такова. Стойността на съпротивлението е примерна.

Прикачен файл

inverter.JPG
inverter.JPG (8.57 KиБ) Видяна 2090 пъти
MamaMy - майстор
Другия вариант е с употребата на стандартен МУК, но с подходящо добавен магнит. При отворена врата го държи постоянно включил, а при затваряне и приближаване двата се неутрализират и МУК-а отваря. Въобще не е трудно. При наличие на няколко датчика започваш да го правиш за секунди. Единствено трябва да се внимава да не се получи тригер със самозадържане. Доста тънък момент е когато целиш такъв ефект и се постига много трудно, но ако не знаеш, че е възможен за зла врага може да се случи. :)
andro440 - майстор
с оптрон . има много начини за инвертиране на сигнала /или с датчик на Хол!
Andri01 - майстор
Потърси нормално отворен /превключващ / МУК. Има и такива,те са с три края.
ditronix - специалист
И защо точно МУК? Малко ли микрети има на пазара? Каква точно е идеята, защото съм абсолютно убеден, че не става дума за кола, а за някаква уйдурма.

Тема "Модифициране на авто аларма" | Включи се в дискусията:


Сподели форума:

Бъди информиран. Следвай "Направи сам" във Facebook:

Намери изпълнител и вдъхновения за дома. Следвай MaistorPlus във Facebook: