Здравейте колеги, искам да управлявам един двигател с мощност 22кВ.
За целта ще си купя готово табло на Елмарк звезда-триъгълник http://elmarkholding.eu/download/produc ... arters.pdf
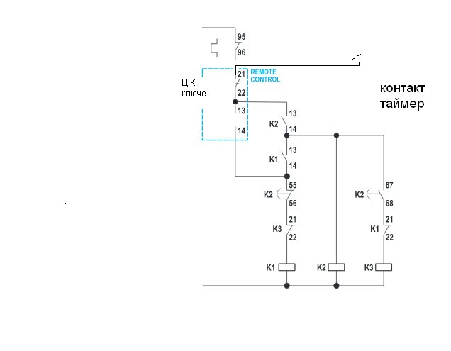
Искам да свържа часовник(без значение електронен или механичен), като мисля да избера часовник с един нормално отворен и един нормално затворен контакт.
Така спирането ми е ясно как ще стане, часовника ще го свържа да прекъсва оперативната верига преди стоп бутона(в схемата по-горе това е връзката м/у връзки 96 и 21) и помпата спира, а пускането как мога да го осъществя.
Благодаря предварително на отзовалите се
.
За целта ще си купя готово табло на Елмарк звезда-триъгълник http://elmarkholding.eu/download/produc ... arters.pdf
Искам да свържа часовник(без значение електронен или механичен), като мисля да избера часовник с един нормално отворен и един нормално затворен контакт.
Така спирането ми е ясно как ще стане, часовника ще го свържа да прекъсва оперативната верига преди стоп бутона(в схемата по-горе това е връзката м/у връзки 96 и 21) и помпата спира, а пускането как мога да го осъществя.
Благодаря предварително на отзовалите се
