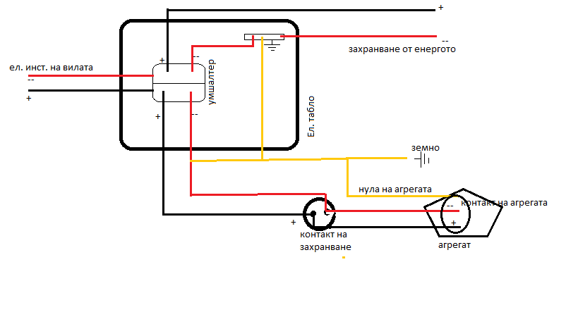
Здравейте , имам питане към специалистите по ел. захранване : искам да захраня вилата си с ток от инверторен агрегат "SABO 2200" когато спре тока от енергото, нагласен е бушон 40А тип умшалтер който ще прекъсва веригата от енергото или от агрегата . Питането ми е кой от изходите на агрегата ще е " 0" тъй като излизат две фази от него , вилата ползва нула само от енергото , копирал съм ел. връзките от таблото на агрегата -
Без име.png (11.48 KиБ) Видяна 1971 пъти от черният и червеният проводници излиза само фази , а жълтият е занулен на самото табло където е извода за външна нула. Кажете как да захраня от този агрегат?
Прикачен файл:
Без име.png (11.48 KиБ) Видяна 1971 пъти
