Всичко свързано с тоците ми е слабост, опитайте се да ме затрудните.
valentino76bs - майстор
Колеги,мъдря една схема за реверсиране на монофазен мотор с контактори.Реверса ще става с превключвател с три положения.Превключвателя ще бъде натискан с крака като скоростите на мотор/п"дал сиреч/ нагоре в едната а надолу в другата посока.Та докато мъдря някой може да е правил нещо подобно и да постне схема.Мисля да стане така след като подам напрежението/бутна п"дала/ първо да се затворят мостовете за съответната посока и тогава да се подаде напрежението към намотките .Както звезда триъгълник първо се затваря контактора който свързва краищата и тогава се подава напрежението.Дайте да измислим нещо....:)
Прикачен файл:
DSC_0896.jpg
Мостовете за двете посоки са така:

1+4,2+3
1+2,4+3
valentino76bs - майстор
Прикачен файл:
DSC_0898.jpg
Нещо от сорта ми се върти в главата но варианта ,че фазата и нулата са от двете страни на контакта никак не ми харесва и умувам за сега :)
bulhomes2 - майстор
Има контактори с отворени и затворени контакти. Такъв с 2 линии ще ти свърши работа. При изключен върти в едната посока, като го включиш - обръща. Правил съм си подобен реверс, но с 2 контактора, които се командват с 3 позиционно ЦК ключе. В средата изключено, в другите 2 позиции - двете посоки.
Прикачен файл:
Graphic1.JPG
Graphic1.JPG (24.92 KиБ) Видяна 3105 пъти
valentino76bs - майстор
Идеята ми е да не се срещат фазата и нулата в комутацията,при незатворил контакт.Иначе тя долу горе е една и съща схемата .
Прикачен файл:
Graphic1.JPG
Graphic1.JPG (32.53 KиБ) Видяна 3084 пъти
bulhomes2 - майстор
И какво те е страх толкова? Най-много да падне предпазителя, ако някога се случи авария в контактора. Нали за това са предпазителите.
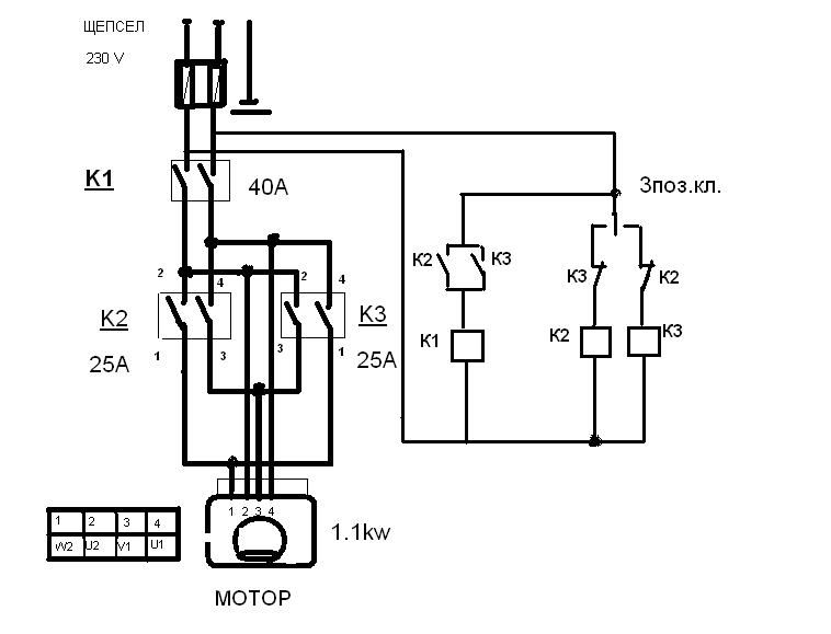
valentino76bs - майстор
Тъй ще да е,ако ми хрумне нещо друго ще му мисля...
Прикачен файл:
реверс_моноф._мотор.JPG
реверс_моноф._мотор.JPG (38.77 KиБ) Видяна 3009 пъти

Тема "Реверс на монофазен мотор." | Включи се в дискусията:


Сподели форума:

Бъди информиран. Следвай "Направи сам" във Facebook:

Намери изпълнител и вдъхновения за дома. Следвай MaistorPlus във Facebook: