Пичове помагайте че побелях вече
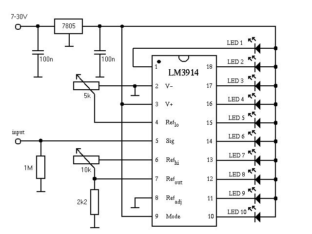
Супер елементарна схема -аналогов волтметър с LM3914 и 10 светодиода.

98424064.jpg (29.87 KиБ) Видяна 1759 пъти
Да ама не не мога да постигна отсечено светене на светодиодите няколко светят силно както трябва ,останалите които не трябва да светят мъждукат леко а последния свети и той силно.Само да докосна някой кабел и светват всички силно.Направих я сега по тази схема

85c485cb92795c32.jpg (36.11 KиБ) Видяна 1759 пъти
Уж еднакви но не съвсем пак същата работа.НА втората не съм слагал стабилизатора.
Докато писах това се сетих нещо дали не е от импулсното с което я захранвам.Закачих я към батерията на винтоверта и заспа
И все пак има ли надежда да се подкара с импулсен адаптер
Прикачен файл:
98424064.jpg (29.87 KиБ) Видяна 1759 пъти
Прикачен файл:
85c485cb92795c32.jpg (36.11 KиБ) Видяна 1759 пъти
Докато писах това се сетих нещо дали не е от импулсното с което я захранвам.Закачих я към батерията на винтоверта и заспа
И все пак има ли надежда да се подкара с импулсен адаптер