Здравейте,
От известно време се боря с един проблем, което полека-лека (с помощта на форума и други източници) май разгадах. Молбата ми е да, ако можете да пуснете коментар дали съм го разгадал правилно и съвет за преодоляването му.
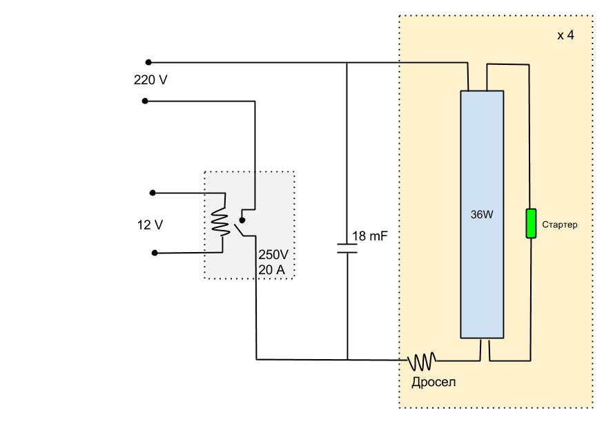
Схемата е следата:
Луминисентна лапма, състояща се от 4 пури по 36W, с 4 дросела и 4 стартера. Пред всичко това има един кондензатор (18 микрофарада, 250V). Всичко това е фабрично, италианско производство.
Въпросната лампа се пали/гаси от малко реле, което се комутира с 12V. Модел SunHold RAS 1215. По зададени параметри издържа до 10А.
Лампата се пали, свети за периоди по около час (може и до 3-4).

Рисунка без заглавие(2).jpg (31.23 KиБ) Видяна 3617 пъти
Всичко работи нормално за около ... година. След което релето започва да залепва. Сменям с ново, което издържа пак приблизително толкова. Залепването не се проявява винаги, а примерно на 10-20-30 пускания. При изчисляване на активната мощност, просто сметка показва, че релето трябва да има достатъчен запас от ток.
След обширно четене и търсене, достигнах до извода, че белята идва от кондезатора, който се зарежда за около 1 милисекунда и през това време това може да надвиши номиналния за схемата 20-60 пъти (приблизително). Всичко това се случва в момента за комутиране на релето, като котвата през това време има микротрептене, което за този модел е около 5 милисекунди. Обяснявам си че тогава се случва искренето, което причинява залепване.
Както казах, кондензаторът е сложен фабрично, служи за "оправяне на косинус Ф". За съжаление - махането му не е добро решение.
Правилно ли разсъждавам ?
Ако да - как може да се ограничи тока през този кондензатор ?
От известно време се боря с един проблем, което полека-лека (с помощта на форума и други източници) май разгадах. Молбата ми е да, ако можете да пуснете коментар дали съм го разгадал правилно и съвет за преодоляването му.
Схемата е следата:
Луминисентна лапма, състояща се от 4 пури по 36W, с 4 дросела и 4 стартера. Пред всичко това има един кондензатор (18 микрофарада, 250V). Всичко това е фабрично, италианско производство.
Въпросната лампа се пали/гаси от малко реле, което се комутира с 12V. Модел SunHold RAS 1215. По зададени параметри издържа до 10А.
Лампата се пали, свети за периоди по около час (може и до 3-4).
Прикачен файл:
Рисунка без заглавие(2).jpg (31.23 KиБ) Видяна 3617 пъти
След обширно четене и търсене, достигнах до извода, че белята идва от кондезатора, който се зарежда за около 1 милисекунда и през това време това може да надвиши номиналния за схемата 20-60 пъти (приблизително). Всичко това се случва в момента за комутиране на релето, като котвата през това време има микротрептене, което за този модел е около 5 милисекунди. Обяснявам си че тогава се случва искренето, което причинява залепване.
Както казах, кондензаторът е сложен фабрично, служи за "оправяне на косинус Ф". За съжаление - махането му не е добро решение.
Правилно ли разсъждавам ?
Ако да - как може да се ограничи тока през този кондензатор ?
Последна промяна от darco на ср фев 19, 2014 3:47 pm, променено общо 1 път.
