Здравейте на всички. Искам да използва темата макар и стара да попитам за една схема.
От две схеми + един реле регулатор от кола искам да направя зарядно за акумулатор.
От тази:
St115_13SN5.jpg (46.43 KиБ) Видяна 32657 пъти
и тази:

Копие (3) от St115_13SN5.jpg (44.15 KиБ) Видяна 32657 пъти
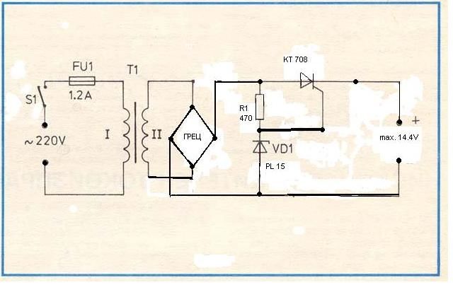
и реле регулатор с тази схема:

images.jpg (9.48 KиБ) Видяна 32654 пъти
скалъпих тази схема:
Дали ще работи, защото се съмнявам, че няма да изключва?
Как реле регулатора ще разбере кога напрежението на акумулатора е станало 14.4V като постоянно ще му се подава зарядно напрежение толкова?
От две схеми + един реле регулатор от кола искам да направя зарядно за акумулатор.
От тази:
Прикачен файл:
St115_13SN5.jpg (46.43 KиБ) Видяна 32657 пъти
Прикачен файл:
Копие (3) от St115_13SN5.jpg (44.15 KиБ) Видяна 32657 пъти
Прикачен файл:
images.jpg (9.48 KиБ) Видяна 32654 пъти
Как реле регулатора ще разбере кога напрежението на акумулатора е станало 14.4V като постоянно ще му се подава зарядно напрежение толкова?