• 1
  • 2
Всичко свързано с тоците ми е слабост, опитайте се да ме затрудните.
Ами въпроса ми е следния. Кабелите за домофонната инсталация принципно отделно от звънчевата ли вървят или са заедно?
Проблема е че след ремонта в нас кабелите за домофона останаха някъде зад гипскартона. В кутията където минават кабелите за звънчевата инсталация е някаква тотална салата защото оттам минават и кабелите за телефоните. Пробвах да ги намеря с проследител на вериги но сигнала се разсейва още на първия метър. Да продължавам ли да ги търся в тази кутия за звънчевата инсталация или домофонната върви през самите апартаменти в отделни тръби и кутии? Блока е строен през 50-те години и представа си нямам какви са били тогава изискванията за тези инсталации.
Благодаря много.
PCL82 - майстор
Щом като сградата е строена през 50-те е възможно кабелите за домофона и звънците да минават вертикално през всяка колона апартаменти, но от това което пишеш най-вероятно са в слаботоковата кутия за която пишеш и от нея тръгват тръби на страни за всеки апартамент. Така е при по новите блокове. Ето няколко съвета как да се оправиш със салатата. Телевонните кабели обикновено са от усукани чифтове и не се прекъсват в кутиите и няма разклонения от тях. Щом видиш че една двойка върви от долу на кутията, и завива наляво или надясно, или продължава транзит нагоре заначи е телефон. Възможно е за някой техник за да замерва телефоните, да е зачистил изолацията на някой чифт. Звънците трябва да вървят в отделна тръба в същата кутия.Те може да не са от усукани проводници и би трябвало да не се от много различни цветове, може всичките да са от един цвят. заедно с тях трябва да вървят два проводника (може би с друг цвят) за захранване на завънците(променлив ток 8 волта). От тях трябва да има отклонения на страни за всеки апартамент.Домофоните обикновено са с 5 проводника като от вертикалните пет има отклонения до всеки апартамент. Лесно се познават защото само те и захранващите на звънците са местата където се съединяват много проводници в една връзка (те са и с различен цвят).Домофонните проводници може да са изтеглени в отделна вертикална тръба или в съшата където са и звънците.До всеки апартамент отиват три тръби:телефон, звънец и домофон. В телефонната са два, в домофонната пет а в звънчевата три(дава захранване и един от бутона долу на входа).Като направиш разбор на тръбите след това на възките лесно се ориентираш в салатата и не ти трябва да я разплиташ прекалено или пък да проследяваш със специални уреди.

Гипскарона не се кърпи трудно така че пробий една малка дупка там където си спомняш че е бил домофона и си намери кабелите. Ако трябва после се прави кръпка и се замазва и нищо не личи. Гадно е ако ще точиш външни кабели по стълбището и после вътре. И ако старите кабели не са добре изолирани или откачени ще увеличиш шума в уредбата.
Благодаря за отговора.
Най-вероятно при мен домофоните минават през самите апартаменти в отделни тръби. Не искам да къртя гипскартона защото от домофонната инсталация работи единствено бутона за отваряне и точно тези кабели ми трябват и не си заслужава да правя мизерии в нас отново само заради това, иначе сравнително лесно ще открия изводите с търсач за кабели но не знам и в какво състояние ще бъдат. Бях решил да сложа един приемник с дистанционно като за кола за отварянето но исках да е на моя етаж че мангалите около нас да не го бастисат. Е сега явно ще ми се наложи да го сложа долу до входната врата че там ще ми е по-лесно свързването и ще му залея кутията или със смола или със силикон.
А иначе в нашия блок цялата инсталация е доста странна. Всички кабели на слаботоковата инсталация са със сива изолация а отгоре с текстилна обвивка, навремето как са ги прозвънявали не знам, сигурно им е отнемало по 2 дена докато открият кое какво е. Звънците са на 12в стабилизирано при това а не на 8, до ключа за входното осветление стигат някакви 24в незнайно откъде и вчера докато се занимавах с търсенето реших да сменя един кабел който беше 4 метра дълъг и за тия 4 метра беше снаждан 3 пъти. До 9 вечерта вече бях тотално вбесен.
PCL82 - майстор
За съжаление по такича стари сгради с течение на времето и поради простотията на много "майстори" се натрупват мизерии които създават проблеми. Но на опитен човек не правят особено впечатление има си чалъм за всичко.
Кабелите едно време така са ги правили с памучна оплетка и отдолу каучук, хартия или плат и всичко добре насмолено. Мръсни са ама ако са в добро състояние може да изкарат бая години още. Цветовете тук няма, но не е беда, компенсира се с групиране на проводниците и с това че всеки проводник се отличава по това от къде идва, на къде отива и какво напрежение има.Виждал съм сатри телефонни кабели с памучна оплетка-всички с еднакъв цвят но по всеки проводник имаше цветен конец за различаване.
Fori - специалист
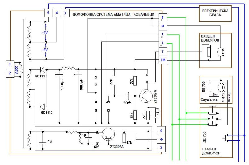
Една голяма тема . Аз се оправих с инфо от eshop forum тука ще Ви кача две картинки със схеми който ми помогнаха най много.
От тук са взети http://bricka.hit.bg/domofon.html и има доста интересни неща .

Прикачен файл

Domofon1.JPG
Domofon1.JPG (52.45 KиБ) Видяна 19432 пъти

Прикачен файл

domofon.jpg
domofon.jpg (60.67 KиБ) Видяна 19432 пъти
kocetoo - специалист
PCL82 написа:
Щом като сградата е строена през 50-те е възможно кабелите за домофона и звънците да минават вертикално през всяка колона апартаменти, но от това което пишеш най-вероятно са в слаботоковата кутия за която пишеш и от нея тръгват тръби на страни за всеки апартамент.
Гипскарона не се кърпи трудно така че пробий една малка дупка там където си спомняш че е бил домофона и си намери кабелите. Ако трябва после се прави кръпка и се замазва и нищо не личи. Гадно е ако ще точиш външни кабели по стълбището и после вътре. И ако старите кабели не са добре изолирани или откачени ще увеличиш шума в уредбата.
Моето жилище е строено по сталинско време- от вертикалата която е обща за трите апартамента на етажа до домофона с отключването на вратата има една хартиена тръба, която беше прекарана под формата на дъга много зор докато я нямеря никакви хоризонтали и вертикали няма по тези стари стандарти - всички завои на кабели са плавни.
Fori схемата е много добра и разбираема само ако можеш да ми кажеш на входа какъв говорител и микрофон си сложил
kozl - майстор
Ами Fori за последно е писал 2010 г. и май няма да дочакаш отговор от него. Тия старите домофонни системи ползват прахови микрофони и слушалки на 32 ома по спомен. Когато няма високоомен говорител се поставя съгласуващ трансформатор.
hidrazin - майстор
Старите домофонни апарати ползваха същите микрофонен и телефонен капсул като в телефоните с шайба. Микрофона - въгленов, от този вид:

Изображение

Телефонния капсул от този сорт. По спомени 260 ома.

Изображение

:partyman:
Последна промяна от hidrazin на ср мар 27, 2013 8:20 am, променено общо 1 път.
kozl - майстор
Брей избелели са ми спомените. По надпис 260 ома, по замер 240 ома.
Прикачен файл:
TSL KTD-1.jpg
  • 1
  • 2

Тема "Домофонна Инсталация пак. :)" | Включи се в дискусията:


Сподели форума:

Бъди информиран. Следвай "Направи сам" във Facebook:

Намери изпълнител и вдъхновения за дома. Следвай MaistorPlus във Facebook: