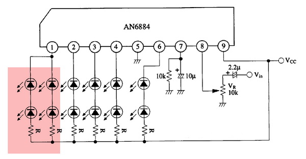
здр. на всички искам да си направя светлинен индикатор, но искам да променя малко схемата ако е възможно. Искам да добавя още 15 диод-а (общо 20), ще трябва ли да подменям някакви елементи или да добавям нещо ?


Прикачен файл
shema.JPG (82.39 KиБ) Видяна 4961 пъти
