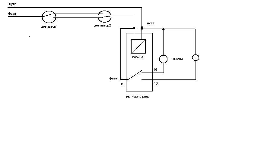
Колеги сблъсках се с един проблем.
По проект направихме ел. част в която две осветителни тела бяха на един кръг.
Сега собственика иска да са на отделен, но всичко отдавна е готово и боядисано.
Има ли някакъв начин да се сложи нещо като реле на самите тела, които са в гипсокартон и само там мога да пипам.
Виждал съм тела на които като натиснея ключа светва една лампа и ако го исключиш и пак влючиш светва и другата.
Предполагам е някакво реле или се бъркам.
Прилагам и схема.
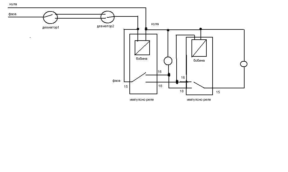
По проект направихме ел. част в която две осветителни тела бяха на един кръг.
Сега собственика иска да са на отделен, но всичко отдавна е готово и боядисано.
Има ли някакъв начин да се сложи нещо като реле на самите тела, които са в гипсокартон и само там мога да пипам.
Виждал съм тела на които като натиснея ключа светва една лампа и ако го исключиш и пак влючиш светва и другата.
Предполагам е някакво реле или се бъркам.
Прилагам и схема.
Прикачен файл
Без име.jpg (20.54 KиБ) Видяна 4159 пъти


