• 1
  • 2
Всичко свързано с тоците ми е слабост, опитайте се да ме затрудните.
stefan_mil4ev - специалист
Здравейте,
нужна ми е схемичка на реле със забавено включване от около 30 сек. Има доста схеми из нета, но не можах да отсея някоя която да ми свърши работа. Всъщност искам след като подам напрежение, след около 30 сек. да се включи реле. Знам, че става с кондензатор, но не знам точно как :)
kabel96 - специалист
Това е доста надежден и пробван вариант.
http://www.edutek.ltd.uk/Binaries/Datas ... CF4541.pdf
vk - специалист
Ето тук виж това реленце CRM-61, на Чешката фирма ELKO EP, s.r.o. То има шест функции, като едната е тази която търсиш - "Delay on"
Доставя ги фирмата ГТТ Инженеринг, гр.Варна. Има офис и в София, а вероятно и в Бургас.
fox_vt - майстор
В Elimex има кит за сглобяване на цена 5лв сглобява се за 10минути и има задържане от 15 сек до 10 минути.
ditronix - специалист
Всяка схема,която осигурява закъснение при включване на колоните към изхода на усилвател ти върши работа. Например схемата от книгата "Мощни нискочестотни усилватели" на Савов съм я правил много пъти и си работи безпроблемно. Книгата я има сканирана в нета,тук връзката ми е на косъм,затова не давам директен линк,но мисля,че не е проблем да я откриеш.
stefan_mil4ev - специалист
kabel96 не можах да разбера от datasheet-a как трябва да го направя. Ще можеш ли някаква схема да ми дадеш.
ditronix ще я потърся тази книга :)
ditronix - специалист
Колегата ти дава добра идея с готов кит-на ЕЛИМЕКС или някоя друга фирма. На НЕОМОНТАНА всички китове работят перфектно,но платките им са повече от отвратителни! Целта да се постигнат ниски цени е довела до разработването и изработването на платки,които биха затруднили и Господ да ги налепи и оживи. Схемата,за която ти споменах от книгата на Савов не е сложна и работи,дано се справиш.
fox_vt - майстор
Ако колегата иска мога да му снимам как изглежда готовата платка таман вчера го сглобих самата платка е 5 на 5 см мн компактна.На неомонтана имат даже и цифрови ако държиш на точноста на закъснение.
stefan_mil4ev - специалист
Колега, не ми е изгодно на neomontana понеже те искат да направя определена сума за заявка и и имам отделно 5,5лв за доставка :) Готова платка не искам да си купя защото имам желание сам да си я сглобя. Понеже сега съм на работа, няма как да намеря книгата, но по късно ще я потърся.
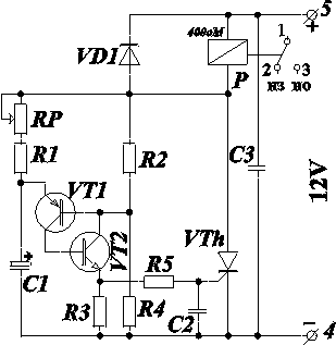
Иначе харесах ето тази схема от неомонтана. Веднъж бях сглобил модул от тяхна схема, но нищо не стана. Тази схема дали ще проработи?

Прикачен файл

89s1.gif
89s1.gif (3.98 KиБ) Видяна 6337 пъти
fox_vt - майстор
Ти хем не щеш от неомонтана хем пак натам налиташ :-D Ако имаш магазин на Елимекс отиваш и търсиш това http://elimex.bg/product/26192/kit-k023 ... nenie.html дават ти го насипно на платката са нарисувани всички елементи къде трябва да бъдат и как да са ориентирани,има и допълнително описание със стойностите и номерата на елементите.Трябва ти само поялник,секачи да режеш крачетата и таблица със цветния код на резисторите да знаеш кой за къде е и 10 мин време.
  • 1
  • 2

Тема "Реле със забавено включване" | Включи се в дискусията:


Сподели форума:

Бъди информиран. Следвай "Направи сам" във Facebook:

Намери изпълнител и вдъхновения за дома. Следвай MaistorPlus във Facebook: