Здравейте колеги. Най-сетне намерих решение на проблема с асансьора- http://www.lesibg.com/index.php?main_pa ... fragment-2 , но проблемът сега идва от това че това устройство работи на 12 v , техникът който подържа асансьора ми каза че имаме 19 и 38 v в кабината (което ми се струва доста странно). Та мисълта мие има ли вариант да понижа напрежението до необходимите ми 12 v , и ако има как и посредством какви елементи може да стане това(има ли готови платки). Благодаря ви предварително.
- 1
- 2
Всичко свързано с тоците ми е слабост, опитайте се да ме затрудните.
gecata82
- специалист
13 мнения в "Достъп до асансьора"
mita6kiii
- специалист
- Мнения: 151
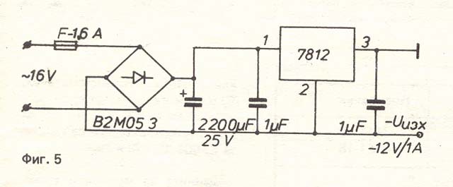
piron45 написа:Можеш да намалиш напрежението на 12V с интегрален стабилизатор на напрежение 7812. Струва стотинки. Можеш да му пуснеш 19V но да е изправено тоест 19VDC. Мисля че държи на ток до 1А.Колеги, някой можели да даде схемичка ,как да се свърже въпросното 7812.
При мен от 35-40 волта променливо искам да е 12-14 волта прав ток.
miroton
- майстор
- Мнения: 1531
http://www.pchelar-probvaisambg.com/sta ... spisak.htm
Само стабилизатора го вземи в ТО-3 корпус и да сложиш радиатор.
Използвай 19 волта.
Само стабилизатора го вземи в ТО-3 корпус и да сложиш радиатор.
Използвай 19 волта.
Прикачен файл
St115_24SN9.jpg (28.56 KиБ) Видяна 3769 пъти
valentin114
- специалист
- Мнения: 245
mita6kiii написа:Не разбирам английски ,ама това не е ли от 12 VDC - 5VDC.Клипчето показва начина на свързване...и колегата го е посочил. А за корпуса ти изпращам фото...колега miroton, в схемичката, която си дал, в т. 3 на МА7812 означи + 12 V, че така е малко подвеждащо.
При мен от 35-40 VAC искам да стане 12-14VDC.
- 1
- 2
Тема "Достъп до асансьора" | Включи се в дискусията:
Сподели форума:
Бъди информиран. Следвай "Направи сам" във Facebook:
Намери изпълнител и вдъхновения за дома. Следвай MaistorPlus във Facebook:
Имаш нужда от подходящ професионалист за дома?
- Преустройство, ремонт и реновиране
- ↳ Вашите ремонти
- ↳ Кухня
- ↳ Баня
- ↳ Дневна
- ↳ Спалня
- ↳ Детска
- ↳ Градина
- ↳ Коридор
- ↳ Тераса и балкон
- Направи сам
- ↳ Направи сам
- ↳ Ремонтирай сам
- ↳ Къде е по-евтино?
- ↳ Дърводелство
- ↳ Ел. инструменти
- ↳ Металообработване
- ↳ Конкурс "Направи сам 2012"
- Строителство
- ↳ Всичко за вилата
- ↳ Къщи
- ↳ Саниране
- ↳ Хидроизолация
- ↳ Пасивни и нискоенергийни сгради
- Сухо строителство
- ↳ Окачени тавани
- ↳ Преградни стени и предстенни обшивки
- ↳ Сухи и повдигнати подове
- ↳ Декоративни елементи - колони, трегери, сводове и др.
- ↳ Всичко за гипскартона и гипсфазера
- Въпроси и Отговори
- ↳ Полезни съвети
- ↳ Автомобили
- ↳ Партньори
- ↳ Боядисване и Декориране
- ↳ Вентилация, климатици и термопомпи
- ↳ Водоснабдяване и канализация.
- ↳ Всичко за ремонта
- ↳ Електротехника
- ↳ Отопление
- ↳ Газификация
- ↳ Електроника и Схеми
- ↳ Газобетон
- ↳ От всичко по малко
- ↳ Компютри и периферия
- ↳ Уеб дизайн, PHP, MySQL, JavaScript, HTML..
- ↳ Мобилни устройства, GSM-и
- ↳ Нека се запознаем
- ↳ Recycle Bin
- Статии
- ↳ Практични решения
- ↳ Качване на снимки
- ↳ Какви статии искате?
- ↳ Готварство, туршии и зимнина
- ↳ Отмора и шеги
- ↳ От нищо нещо
- ↳ Не е за вярване
- ↳ Литература
- ↳ Връзки към Интересни сайтове
- Магазин
- ↳ Препоръки и Мнения за он-лайн магазина
- ↳ Крадeни инструменти !!!