Всичко свързано с тоците ми е слабост, опитайте се да ме затрудните.
Здравейте,

опитвам се да сглобя следният усилвател:
http://hobby.neomontana-bg.com/kit57.htm
Имам проблем с това, че не разбирам, какво означава това изречение:
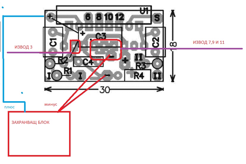
От схемнотехнически съображения, масите ("-") на крайните (изводи 7 и 11) и входните (извод 3) стъпала не са свързани в интегралната схема. Те трябва да се съединят с два отделни проводника в минуса на захранващия източник (извън платката)!
Моля, някой който има представа какво трябва да се направи да ми обясни (като на идиот). Като искам да направя уточнение, че на платката всички тези 7, 11 и 3 са свързани помежду си и с масата на захранването. Благодаря предварително.
Последна промяна от dilyan_n на съб май 02, 2015 9:25 pm, променено общо 1 път.
moimoimoi - майстор
видно е от схемата че 3 и 7,11 не са свързани
Прикачен файл:
57s2.jpg
57s2.jpg (10.83 KиБ) Видяна 1460 пъти
и трябва с два отделни кабела до захранването/ нарисувано е с червено/
Прикачен файл:
57s25.jpg
57s25.jpg (95.29 KиБ) Видяна 1460 пъти
и не забравяй да сложиш охлаждащ радиатор на интегралната схема
Здравей,

моята схема не е точно такава. Платката е KBN-20. Там 3,7 и 11 са свързани. Това значи ли,че това изречение просто е попаднало в моето описание заради това,че има и такива които не са свързани. Просто не намерих в инетрнет точно това което имам аз. Благодаря за бързия отговор.
moimoimoi - майстор
е в такъв случай слагай само един и да е по близо до 7 и 11
Да, в крайна сметка не работи. Незнам къде греша. Направих няколко снимки на схемата, описанието и самия усилвател, ако някой може да даде акъл, ще е добре дошъл.

Прикачен файл

DSCF2251.JPG

Прикачен файл

DSCF2249.JPG

Прикачен файл

DSCF2248.JPG
moimoimoi - майстор
"На извод 14 се включва ключ S за управление на усилвателя - спиране на входния сигнал и преминаване в режим на чакане с минимална консумация."



според мен трябва да дадеш накъсо двата края където дават да има ключ S1
Тръгна усилвателя. Именно това се оказа проблема с ключето. Благодаря за съвета. Искам да попитам сега ако искам да получа максимално качествен звук, какви колони трябва да свържа. 4 или 8 ома. и колко вата според вас. Също така двулентови или трилентови колони и как точно да ги направя. Знам че звучи прекалено аматъорски и то си е така, но все някак трябва да се научи човек. Освен това ако му сложа 9Ah акумулатор колко време ще ми издържа с едно зареждане. Измервам че при максимално натоварване израсходва 4W. Така както го смятам аз 4W/12V=0,33A, което ще рече че с 9 Ah/0,33=27h , тези сметки верни ли са? Благодаря предварително.
moimoimoi - майстор
не са верни сметките
как ще консумира 4 вата при максимално натоварване след като го дават 2x22w.
дават го да работи с колони минимум 4 ома, така че с 8 ома също ще работи но на по малка мощност
Добре тогава, как да пресметна колко ток харчи? 44 вата ли е?
moimoimoi - майстор
това колко ток ще харчи зависи колко е усилено
ама примерно може да го приемеш 25 вата което е около 2 ампера

Тема "Проблем с усилвател 2х22W" | Включи се в дискусията:


Сподели форума:

Бъди информиран. Следвай "Направи сам" във Facebook:

Намери изпълнител и вдъхновения за дома. Следвай MaistorPlus във Facebook: