За любителите на релейната техника предлагам една схема на кодова брава без всякаква електроника (ако не броим кондензаторите, с които се задава време-задръжка). Схемата е изградена с 6 бр. релета - по едно за всяка вярна цифра от кода, едно реле за всички грешни цифри и едно реле което отваря електрическата брава в крайна сметка. Релетата са миниатюрни, щепселни, с по 4 бр. превключващи контакти. Работят на 12V= и ги има в почти всички магазини за електроника.
Как работи схемата ?
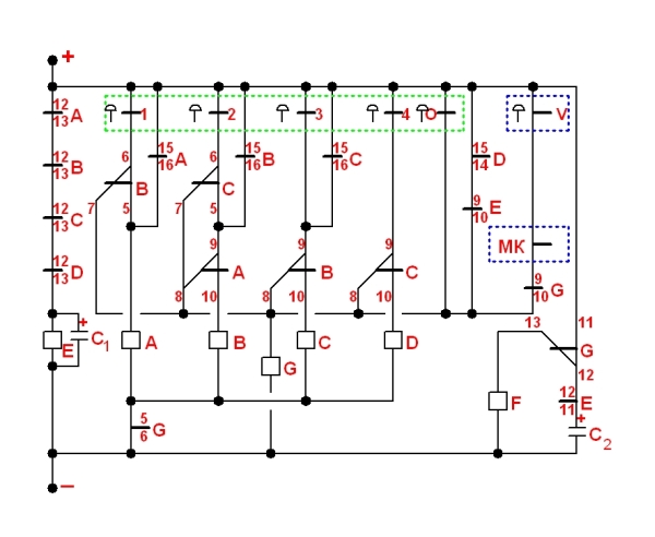
В момента всички релета са без напрежение. Под напрежение (зареден) е единствено кондензатор С2 и всеки натиснат клавиш, различен от "1" води до задействане на релето за грешни цифри G и до отброяване на 1 импулс от брояча F, благодарение на превключващият контакт 12/11/13 на релето G. Последователно на него е сложен нормално включил контакт на релето E, което отваря бравата, за да не се отброява погрешно импулс при връщане на схемата в изходно състояние. (Брояча F е допълнителна екстра - няма отношение към правилната работа на самата схема)
И така : Схемата е начертана с код за отваряне на вратата 1234.
При натискането на клавиш 1 се задейства реле А, което се самоблокира през собствен контакт 15/16, и подготвя веригата за задействане на второто реле (В) чрез контакта си 9/10.
При натискане на клавиш 2 се задейства реле В, с проверка че преди това е било задействано реле А. След задействането му, то също се самоблокира през собствен контакт 15/16, като едновременно с това подготвя веригата за задействане на третото реле (С) чрез контакта си 9/10.
При натискане на клавиш 3 се задейства реле С, с проверка че преди това е било задействано реле В. След задействането му, то също се самоблокира през собствен контакт 15/16, като едновременно с това подготвя веригата за задействане на четвъртото реле (D) чрез контакта си 9/10.
При натискане на клавиш 4 се задейства реле D, с проверка че преди това е било задействано реле С. В този момент се създава и верига за задействане на реле Е, както и за зареждане на кондензатор С1 - електомагнитната брава получава напрежение и вратата може да се отвори.
Реле D е без самоблокировка и при отпускана на клавиш 4, то отпада. При отпадането му се създава верига за задействане на релето за грешка G през контакти 15/14 на D и 9/10 на Е (което е още задействано, благодарение на кондензатора С1). Тъй като контакт 5/6 на реле G участва във минусовата верига на останалите 4 релета, със задействането му то ги обезточва и те отпадат. След изтичане на закъснението на реле Е, то отпада, като с контакта си 9/10 прекъсва веригата на реле G, то отпада, с което схемата се връща в изходно състояние.
Всички клавиши, които не участват в кода, се свързват успоредно и всяко тяхно натискане води до задействане на реле G - грешна цифра. На схемата това е изобразено като един клавиш - О - Останалите клавиши.
Ако е монтиран възтановяващият бутон V, при всеки грешно натиснат клавиш реле G се самоблокира, с което се блокира и цялата схема - всяко понататъшно въвеждане на цифри става невъзможно, докато не се натисне възтановяващият бутон V. Той прекъсва веригата на реле G, и схемата се връща в изходно състояние.
Ако има монтиран бутон V, трябва да има и едно микроключе (МК) на касата на самата врата, което да обезточи реле G при отваряне на вратата, като с това предотврати погрешното блокиране на схемата в края на цикъла.
При положение, че няма възможност да се монтира микроключе на касата на вратата, не се монтира и бутон V - т.е. тази верига просто трябва да я няма. В този случай при всеки грешно натиснат клавиш, схемата просто се връща в начално състояние и трябва да се започне отначало, с въвеждането на първата цифра от кода.
Такава брава съм монтирал на нашият вход и работи близо 4 години без проблеми.
За клавиатура съм използвал такава от телефонен апарат, като единственото неудобство е че се налага да се прави нова платчица, тъй като тези клавиатури са на матричен принцип - от тях излизат само 7 проводника (4 реда и 3 стълба), а тази схема изисква всеки клавиш да си е отделно, т.е. от клавиатурата да излизат 13 проводника - 1 общ, и по един за всеки клавиш. Проводниците от клавиатурата се свързват с релейната част чрез кабелни обувки - с цел по-лесната смяна на кода.
При стойност на С1 4 000 микрофарада, времето, през което електромагнитната брава стои задействана е около 4 секунди - достатъчно за да се отвори.
Стойността на С2 може да е по-малка - 1 000 микрофарада примерно. Той служи единствено да се разреди през намотката на брояча, за да регистрира грешно натисната цифра.
Брояча е от аналоговите централи на БТК
Как работи схемата ?
В момента всички релета са без напрежение. Под напрежение (зареден) е единствено кондензатор С2 и всеки натиснат клавиш, различен от "1" води до задействане на релето за грешни цифри G и до отброяване на 1 импулс от брояча F, благодарение на превключващият контакт 12/11/13 на релето G. Последователно на него е сложен нормално включил контакт на релето E, което отваря бравата, за да не се отброява погрешно импулс при връщане на схемата в изходно състояние. (Брояча F е допълнителна екстра - няма отношение към правилната работа на самата схема)
И така : Схемата е начертана с код за отваряне на вратата 1234.
При натискането на клавиш 1 се задейства реле А, което се самоблокира през собствен контакт 15/16, и подготвя веригата за задействане на второто реле (В) чрез контакта си 9/10.
При натискане на клавиш 2 се задейства реле В, с проверка че преди това е било задействано реле А. След задействането му, то също се самоблокира през собствен контакт 15/16, като едновременно с това подготвя веригата за задействане на третото реле (С) чрез контакта си 9/10.
При натискане на клавиш 3 се задейства реле С, с проверка че преди това е било задействано реле В. След задействането му, то също се самоблокира през собствен контакт 15/16, като едновременно с това подготвя веригата за задействане на четвъртото реле (D) чрез контакта си 9/10.
При натискане на клавиш 4 се задейства реле D, с проверка че преди това е било задействано реле С. В този момент се създава и верига за задействане на реле Е, както и за зареждане на кондензатор С1 - електомагнитната брава получава напрежение и вратата може да се отвори.
Реле D е без самоблокировка и при отпускана на клавиш 4, то отпада. При отпадането му се създава верига за задействане на релето за грешка G през контакти 15/14 на D и 9/10 на Е (което е още задействано, благодарение на кондензатора С1). Тъй като контакт 5/6 на реле G участва във минусовата верига на останалите 4 релета, със задействането му то ги обезточва и те отпадат. След изтичане на закъснението на реле Е, то отпада, като с контакта си 9/10 прекъсва веригата на реле G, то отпада, с което схемата се връща в изходно състояние.
Всички клавиши, които не участват в кода, се свързват успоредно и всяко тяхно натискане води до задействане на реле G - грешна цифра. На схемата това е изобразено като един клавиш - О - Останалите клавиши.
Ако е монтиран възтановяващият бутон V, при всеки грешно натиснат клавиш реле G се самоблокира, с което се блокира и цялата схема - всяко понататъшно въвеждане на цифри става невъзможно, докато не се натисне възтановяващият бутон V. Той прекъсва веригата на реле G, и схемата се връща в изходно състояние.
Ако има монтиран бутон V, трябва да има и едно микроключе (МК) на касата на самата врата, което да обезточи реле G при отваряне на вратата, като с това предотврати погрешното блокиране на схемата в края на цикъла.
При положение, че няма възможност да се монтира микроключе на касата на вратата, не се монтира и бутон V - т.е. тази верига просто трябва да я няма. В този случай при всеки грешно натиснат клавиш, схемата просто се връща в начално състояние и трябва да се започне отначало, с въвеждането на първата цифра от кода.
Такава брава съм монтирал на нашият вход и работи близо 4 години без проблеми.
За клавиатура съм използвал такава от телефонен апарат, като единственото неудобство е че се налага да се прави нова платчица, тъй като тези клавиатури са на матричен принцип - от тях излизат само 7 проводника (4 реда и 3 стълба), а тази схема изисква всеки клавиш да си е отделно, т.е. от клавиатурата да излизат 13 проводника - 1 общ, и по един за всеки клавиш. Проводниците от клавиатурата се свързват с релейната част чрез кабелни обувки - с цел по-лесната смяна на кода.
При стойност на С1 4 000 микрофарада, времето, през което електромагнитната брава стои задействана е около 4 секунди - достатъчно за да се отвори.
Стойността на С2 може да е по-малка - 1 000 микрофарада примерно. Той служи единствено да се разреди през намотката на брояча, за да регистрира грешно натисната цифра.
Брояча е от аналоговите централи на БТК
Прикачен файл
Кодова брава с 6 бр. релета
Kodova brava.jpg (90.87 KиБ) Видяна 7164 пъти
Последна промяна от Trifun на нед дек 17, 2006 2:30 pm, променено общо 2 пъти.
