Всичко свързано с тоците ми е слабост, опитайте се да ме затрудните.
Palawnik - специалист
Преди няколко дни едно приятелче ми зададе следния въпрос:
"Как да измеря съпротивлението на акумулатор?".
Нямам идея за какво му е, но нека да помислим.
pavelari - майстор
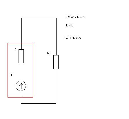
Напрежението на акумулатора се измерва с уред - да речем в идеалния случай - 12 волта.
Включвате товар 100 ома - да речем резистор и протича ток, който ако пренебрегнем вътрешното R на акумулатора е:
I = U/R = 12/100 = 0.12 A = 120 mA
ako акумулатора има значително вътрешно R то:
I = U/(R+r) - токът който мерите ще е по-малък от очаквания а r е това за което питате. На пример мерите ток 100mA:
0.100 = 12/(100+r) ~ 0.100x(100+r)=12 ~ 10 + 0.1r = 12
~ 0.1r = 12 - 10 ~ r = 2/0.1 => r=20 Ohm

проверка: I = U/R ekv => 0.100 = 12 / 100+20

.... после се прави опит с 1000 ома и се сравняват резултатите и ако има проблеми пак се пише във форума :)

Прикачен файл

untitled.JPG
untitled.JPG (9.09 KиБ) Видяна 3508 пъти
Тани - модератор
Зависи за какъв акумулатор става въпрос! Ако е за автомобилен съпротивлението трябва да е под 1 ом , за да бъдат коректни измерванията! Предполагам , че няма да разполагате с толкова мощен амперметър , така че можете да мерите напрежението на акумулатора.При измерванията акумулатора трябва да е напълно зареден!
Palawnik - специалист
pavelari,
Няма ли да се натрупа голяма грешка от контакти съпротивления, съпротивление на проводници, на измервателната апаратура и т.н. При очаквано съпротивление под 1 ом?
vvk79 - специалист
вътрешното съпротивление на автомобилните акумулатори е много малко
примерно 12 делено на 200 ампера дава 0.06 ,а при косо тока е още по голям така че съпротивлението е 0.00 нещо си
lenko71 - специалист
Аз бих подходил по друг начин: измерваш напрежението на акумулатора без товар U0. След това свързваш някакъв товар при което отново измерваш напрежението на акумулатора U1, а също и тока във веригата I1. Частното на разликата в двете напрежения и тока (U0-U1)/I1 би следвало да даде вътрешното съпротивление.
Не знам обаче дали няма зависимост на вътрешното съпротивление от големината на тока.
dtmf - специалист
pavelari написа:
Напрежението на акумулатора се измерва с уред - да речем в идеалния случай - 12 волта.
Включвате товар 100 ома - да речем резистор и протича ток, който ако пренебрегнем вътрешното R на акумулатора е:
I = U/R
То е от порядъка на стотици милиома, по закона на ом малко трудно ше го разбереш със стандартни мултимери)))

Аз ги меря със Icharger106B+ -има такава екстра,повече инфо в гугъл

Тема "Като ще е задача да е задача :)" | Включи се в дискусията:


Сподели форума:

Бъди информиран. Следвай "Направи сам" във Facebook:

Намери изпълнител и вдъхновения за дома. Следвай MaistorPlus във Facebook: