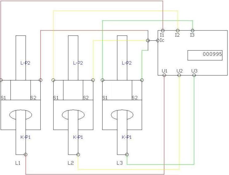
някои свързвал ли е трифазен електромер с токови трансформатори
има ли значение трансфотматорите дали да са в едена посока или в друга
моля за схема
има ли значение трансфотматорите дали да са в едена посока или в друга
моля за схема
