Ето я и обещаната от мен задачка
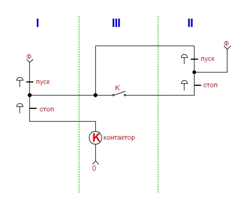
Ситуацията е напълно реална - действието се развива в едно село близо до Русе.
Човекът има кладенец и водна помпа. Иска да си я управлява с контактор и с кнопки пуск/стоп, като единият комплект пуск/стоп е на едно място, другият комплект пуск/стоп - на друго място, а самият контактор - на трето.
Дотук добре.
Проблема е, че от контактора до двата комплекта пуск/стоп има пуснат по един двужилен кабел - т.е зелените пунктирани линии може да се пресичат само от 2 проводника, като контактора трябва да може да се задейства от което и да е място, и да се спира от което и да е място.
На всяко едно от трите места може да се ползва захранване (фаза и нула), а на третотото място, където е контактора, може да се ползват и негови контакти (нормално отворени или нормално затворени)
Е, някой има ли желание да мине по моите стъпки ?
Ситуацията е напълно реална - действието се развива в едно село близо до Русе.
Човекът има кладенец и водна помпа. Иска да си я управлява с контактор и с кнопки пуск/стоп, като единият комплект пуск/стоп е на едно място, другият комплект пуск/стоп - на друго място, а самият контактор - на трето.
Дотук добре.
Проблема е, че от контактора до двата комплекта пуск/стоп има пуснат по един двужилен кабел - т.е зелените пунктирани линии може да се пресичат само от 2 проводника, като контактора трябва да може да се задейства от което и да е място, и да се спира от което и да е място.
На всяко едно от трите места може да се ползва захранване (фаза и нула), а на третотото място, където е контактора, може да се ползват и негови контакти (нормално отворени или нормално затворени)
Е, някой има ли желание да мине по моите стъпки ?
Прикачен файл
Vodna pompa - zadacha.jpg (34.49 KиБ) Видяна 6497 пъти